القناة هي مادة شائعة تستخدم في إنشاء هياكل معدنية مختلفة وبناء الإطار. شرط الاختيار الصحيح للملفات هو الاختيار حسب الحجم والوزن وتحديد الكمية المطلوبة. طور Gosstandart المتطلبات التي يجب أن تفي بها القنوات. الأبعاد والوزن والكثافة ونسبها - كل هذا يشمل الجداول المقابلة لـ GOST محدد. يتم تقديم أوصاف الأحجام الأكثر شيوعًا في المقالة.
المحتوى
- 1 جداول أبعاد القناة وفقًا لـ GOST
- 2 تحديد وزن وسعر القناة لكل متر: جدول المقاسات ، تكلفة التشكيلات
- 3 خصائص القناة 10: الأبعاد ، الوزن ، التكلفة
- 4 المعلمات الرئيسية للقناة 12: الأبعاد والوزن والتكلفة
- 5 اختلافات القناة 14: الأبعاد والوزن والنطاق
- 6 ملامح القناة 16: الأبعاد والوزن والتكلفة
- 7 الوزن والسعر وأبعاد القناة 20: كل المعلومات الضرورية حول الملف الشخصي
- 8 القناة: الأبعاد التي تؤثر على النطاق
جداول أبعاد القناة وفقًا لـ GOST
القناة هي منتج معدني مشهور إلى حد ما مصنوع من درجات مختلفة من الفولاذ. المصطلح نفسه من أصل ألماني. السمة المميزة الرئيسية للملف الشخصي هي شكل U للمنتج في المقطع العرضي.
لتصنيع القنوات تستخدم معدات خاصة. تتميز الملفات الجانبية المدلفنة على الساخن أو المثنية بطريقة الإنتاج. في شكل حواف الأرفف ، يمكن أن تكون متوازية أو لها منحدر معين من الداخل. يعتمد التصنيف أيضًا على قيمة عددية في شكل رقم بجوار العلامة المقابلة. تشير الأرقام إلى الحجم الذي يتم تحديده من خلال المسافة بين حواف الأرفف بالخارج.
يتم تنظيم تصنيع القنوات ، مثل المنتجات المعدنية المدلفنة الأخرى ، بواسطة GOST ذات الصلة ، والتي تحدد بوضوح المتطلبات الأساسية لنوع معين من الملفات الشخصية. يتم عرض جميع البيانات بوضوح في الجداول. على سبيل المثال ، الوثيقة التنظيمية "قنوات الصلب المدرفلة على الساخن. تشكيلة "(GOST 8240 97) تحتوي على 7 جداول موسعة.
باستخدام البيانات الجدولية المناسبة ، يمكنك تحديد جودة المنتج من خلال ربط أبعاده الحقيقية بتلك الموضحة في GOST. من الناحية المثالية ، يجب أن تتطابق المؤشرات تمامًا ، على الرغم من أن المنتجات المعدنية تُصنع أحيانًا حسب الطلب. يتم إنتاج ملفات التعريف الفردية على دفعات صغيرة - لمشروع معين. تختلف أسعار القنوات المخصصة عن تكلفة الإنتاج التسلسلي.
يتراوح الارتفاع القياسي لقضبان القناة من 50 إلى 400 ملم ، وعرض الأرفف من 32 إلى 115 ملم.يمكن أن يكون الخطأ المسموح به (بالمقارنة مع الأبعاد القياسية المشار إليها) بحد أقصى 3 مم. يتوافق الطول المقاس للقنوات مع مؤشر من 4 إلى 13 م.
وزن القنوات وعلاماتها ورموزها
لتعيين أنواع مختلفة من القنوات ، يتم استخدام علامات خاصة. يشير الحرف إلى نوع الملف الشخصي ، ويميز ميزات الهيكل وموقع الحواف:
- "P" - يشير إلى التوازي ؛
- "Y" - يدل على وجود منحدر على الحواف ؛
- "E" - تشير إلى الكفاءة ؛
- "L" - تعني الخفة ؛
- "C" - يتحدث عن الغرض الخاص للملف الشخصي.
نصائح مفيدة! يشير المؤشر العددي بالقرب من الحرف إلى حجم المنتج ، وهو يتوافق مع الارتفاع الوارد في جدول GOST. تجدر الإشارة إلى أن القنوات عادةً ما يتم تمييزها بقيم عددية بالسنتيمتر ، ويشار إلى ارتفاعها في الجدول بالمليمترات. يبدو كالتالي: قناة 8 ، وزن القناة 12 أو حجم القناة 16P.
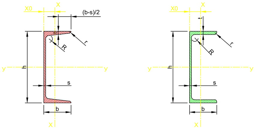
بالإضافة إلى ارتفاع المنتج ، يتم استخدام أبعاد أخرى أيضًا. في الجداول لها تسميات خاصة:
- h هو ارتفاع الملف الشخصي ، وهو القيمة الرئيسية التي تحدد حجم المنتجات المعدنية المدلفنة ؛
- ب - يشير إلى عرض الرفوف ؛
- S - مؤشر سمك الجدار الرئيسي ؛
- R - يحدد نصف قطر الجزء الداخلي المستدير للجرف ؛
- ر - يشير إلى سمك الرفوف ؛
- r هو نصف القطر الكلي لانحناء الأرفف.
مؤشر مهم في اختيار المواد (في تصميم البناء) هو وزن القناة. يسمح لك الحساب الصحيح للبيانات بحساب كمية المنتجات المطلوبة بدقة ، وبالتالي التوفير عند شرائها. هناك عدة طرق لحساب وزن العداد الجاري. يعتمدون على طريقة تصنيع المنتجات المدلفنة. على سبيل المثال ، لتحديد الثقل النوعي لقناة مدرفلة على الساخن ، تؤخذ في الاعتبار مؤشرات نصف قطر التقريب الداخلي وتقريب الأرفف.
تحديد وزن وسعر القناة لكل متر: جدول المقاسات ، تكلفة التشكيلات
تتطلب الحسابات المعقدة للجاذبية النوعية ، بالإضافة إلى المهارات الرياضية ، أيضًا تحديث الدورة المدرسية في الفيزياء والهندسة. لذلك ، من الأفضل استخدام الحسابات الجاهزة الواردة في جداول خاصة ، أو استخدام آلة حاسبة عبر الإنترنت. للقيام بذلك ، يكفي إدخال البيانات اللازمة والحصول على نتيجة دقيقة.
يتم تحديد تكلفة أشرطة القناة وفقًا لعدادات التشغيل. يتأثر تكوين السعر بارتفاع الملف الشخصي ، والذي يحدد رقم المنتج ، بالإضافة إلى درجة الفولاذ التي تُصنع منها المنتجات. على سبيل المثال ، ستكلف القناة المصنوعة من الفولاذ منخفض السبائك تكلفة أكبر من المنتجات المماثلة المصنوعة من الفولاذ الكربوني. هذا يرجع إلى حقيقة أن النوع الأول من المواد الخام قد زاد من خصائص القوة.
يظهر في الجدول متوسط الأسعار الحالية للقنوات في السوق الروسية للمعدن المدرفل:
| رقم القناة | وزن عداد الجري ، كجم | الطول بالطن ، م | سعر المتر ، فرك. |
| 5 | 4,8 | 207 | 200 |
| 6,5 | 5,9 | 169 | 240 |
| 8 | 7,1 | 142 | 265 |
| 10 | 8,6 | 115 | 350 |
| 12 | 10,4 | 97 | 420 |
| 14 | 12,3 | 82 | 480 |
| 16 | 14,2 | 71 | 520 |
| 18 | 16,3 | 60 | 600 |
| 20 | 18,4 | 55 | 760 |
| 22 | 21,0 | 48 | 870 |
| 24 | 24,0 | 42 | 1020 |
| 27 | 27,7 | 35 | 1150 |
| 30 | 31,8 | 32 | 1400 |
| 40 | 48,3 | 21 | 4250 |
أعلاه جدول عام. من أجل الحصول على فكرة عن كل نوع من أنواع القنوات ، وميزاتها وأبعادها وخصائصها الفردية ، يجدر التعرف على كل نوع بمزيد من التفصيل. أدناه ، كمثال ، ضع في اعتبارك الأنواع والأحجام الأكثر شيوعًا للقنوات ذات الطلب العالي والمستخدمة على نطاق واسع.
خصائص القناة 10: الأبعاد ، الوزن ، التكلفة
نطاق القناة 10 ، كمنتج معدني مشهور إلى حد ما ، واسع جدًا. يتم تنظيم خصائص أصنافها وأنواعها بواسطة GOST 8240 ، الذي تم تطويره في عام 1989. تتضمن خصائص المنتجات معلمات الأرفف والجدران ، ولا سيما ارتفاعها وعرضها ، كما يتم أخذ نصف قطر الانحناءات للقنوات المميزة بـ 10U في الاعتبار.
تحتوي القناة 10 على ثلاثة أنواع فرعية بعلامات مناسبة:
- У - ملف تعريف تصنع فيه الأرفف الداخلية بمنحدر ؛
- P - قناة حيث تكون حواف الرفوف متوازية ؛
- ه - منتجات اقتصادية مع ترتيب متوازي للرفوف.
نصائح مفيدة! كل نوع من القنوات له تعيينه الخاص ، على سبيل المثال ، 10P أو 10U أو 10E. وترد القيم المقابلة في جدول منفصل. على الرغم من نفس البيانات الرقمية ، فهذه أنواع مختلفة من المنتجات.
الأكثر استخدامًا في الصناعات المختلفة ، نظرًا لحجمها ، القناة 10P. يستخدم على نطاق واسع في البناء الفردي لبناء الهياكل الحاملة. يشير الرقم 10 في العلامة ، في الواقع ، إلى ارتفاعه ، الذي يساوي 100 مم ، والحرف P - نوع الملف الشخصي ، مع التأكيد على الترتيب المتوازي للأرفف. يحتوي هذا النوع من القنوات على المعلمات التالية:
- العرض 46 مم ؛
- سمك الجدار - 4.5 مم ؛
- سمك الرف - 7.6 مم ؛
- نصف قطر الانحناء - 7 مم ؛
- نصف قطر الانحناء على حافة الرف - 4 مم.
لتحديد وزن القناة 10 ، تحتاج إلى معرفة مساحة المقطع العرضي. هذا الرقم يتوافق مع 10.9 سم². يتم إنتاج قنوات من هذا النوع بأطوال من 4 إلى 12 مترًا ، ويتم تصنيع المنتجات الأطول حسب الطلب. يبلغ وزن متر واحد للقناة 10 بكثافة فولاذية 7.85 جم / سم مكعب ، حسب الحسابات ، 8.59 كجم. يمكن أن يكون الخطأ في قيم الكتلة المشار إليها 3-5٪. متوسط سعر القناة 10 للمتر 356 روبل.
المعلمات الرئيسية للقناة 12: الأبعاد والوزن والتكلفة
منتج معدني يسمى القناة 12 مع أرفف متوازية بسماكة 7.8 مم ، الجدران - 4.8 مم. يتم إنتاج هذه المنتجات بأطوال من 2 إلى 12 مترًا ، ويمكن عمل نسخ أطول حسب الطلب. تعود شعبية هذا النوع من الملفات الشخصية إلى صفاته الإيجابية ، التي تم التوصل إليها في النسبة المثلى للكتلة والقوة والتكلفة المنخفضة نسبيًا.
يمكن استخدام مقاطع الصلب منخفضة السبائك في درجات حرارة عالية وتحت ظروف زيادة التعرض للمواد الكيميائية. أيضًا ، المنتجات تقاوم الضغط والانحناء تمامًا ، لكنها في نفس الوقت لا تقاوم الالتواء جيدًا.
يمكن إيجاد وزن متر واحد من القناة 12 باستخدام الجدول أعلاه أو باستخدام آلة حاسبة على الإنترنت. سعر المنتج يعتمد على هذه المعلمة. وفقًا للجدول ، يبلغ وزن القناة 12 لكل متر 10.4 كجم.
مثل القنوات ذات الأحجام الأخرى ، يحتوي هذا النوع من المنتجات على علامات إضافية بخصائص مختلفة. الأكثر شيوعًا هي قناة 12P ، التي تحتوي على أرفف متوازية ذات حواف بدون منحدر.
أبعاد قناة 12P موضحة أدناه:
- العرض - 52 مم ؛
- وزن عداد الجري - 10.40 كجم ؛
- الطول بالطن - 95.94 م.
تحتوي القناة ذات العلامة 12 أيضًا على سلسلة أخرى. على سبيل المثال ، 12 لتر عبارة عن منتج معدني ملفوف بأبعاد 120 × 30 مم ، وتتميز بأرفف مائلة. يبلغ وزن 1 متر من هذا الملف الشخصي 5.02 كجم ، ويبلغ وزن 1 طن 199 مترًا.
نصائح مفيدة! تشير علامة القناة 12C إلى هدفها الخاص ، 12E - سلسلة اقتصادية من المنتجات مع أرفف بدون ميل. حجمها قياسي - 120 × 52 مم ، ووزنها أقل قليلاً - 10.24 كجم. وفقًا لذلك ، يحتوي طن من المواد على ما يقرب من 97 مترًا.

جنبا إلى جنب مع القيمة العددية التي تشير إلى عرض ملف التعريف ، وضعوا حرفًا يشير إلى ميزات تصميم المادة
اختلافات القناة 14: الأبعاد والوزن والنطاق
تُستخدم المنتجات على شكل حرف U بعلامة 14 ، نظرًا لخصائصها العالية القوة ، على نطاق واسع في منتجات الخرسانة المسلحة المقواة ، وتستخدم لتقوية الهياكل المعدنية ، وكذلك في العديد من أعمال البناء والترميم. هذا النوع من المنتجات له سلسلته الخاصة:
- 14P هي قناة مدلفنة على الساخن للاستخدام العام.يتم إنتاجه وفقًا لـ GOST 8240-97.
- 14U هو ملف تعريف خاص الغرض يستخدم على نطاق واسع في الهندسة الميكانيكية.
- يتم إنتاج قناة فولاذية ذات أرفف متساوية بواسطة آلات متخصصة.
- يتم إنتاج ملف تعريف فولاذي مثني مع حواف غير متساوية على معدات التشكيل بالدلفنة.
القناة 14 كغيرها أنواع المعدن المدلفن، يمكن أن تكون مع أرفف متوازية (علامة "P") ، وأرفف مائلة - العلامة التجارية "U". هناك خصائص مشتركة لكلا السلسلتين:
- الارتفاع - 140 مم ؛
- العرض - 58 مم ؛
- سمك الرف - 8.1 مم ؛
- سمك الجدار - 4.9 مم ؛
- وزن 1 متر من القناة 14 - 12.3 كجم ؛
- 1 طن يحتوي على 81.3 م من المنتج.
تجدر الإشارة إلى أن وزن القناة 14 يتم تنظيمه بشكل صارم وفقًا لمتطلبات GOST معينة. لا يمكن أن يتجاوز الحد الأقصى للخطأ 4.5٪ من كتلة جميع المنتجات المشتراة. يتم إنتاج القنوات من هذا النوع بأطوال تتراوح من 2 إلى 12 مترًا ، وتعتمد تكلفة الإنتاج على السلسلة.
ملامح القناة 16: الأبعاد والوزن والتكلفة
تستخدم القناة 16 على نطاق واسع لتقوية الهياكل كبيرة الحجم ، مثل الجسور ، والدعامات ، وكذلك عند صب أساسات المباني الشاهقة. توفر الميزات التقنية لسلسلة خاصة من المعدن المدلفن استخدامها في الهندسة الميكانيكية وبناء السيارات وبناء السفن.
مقالات لها صلة:
مجموعة القنوات: نسبة الخصائص كضمان للموثوقية
أنواع وعلامات وخصائص المنتجات الملفوفة على شكل حرف U. المتطلبات وفقًا لـ GOST ، جداول Gosstandart. كتلة القنوات وأبعادها.
الميزة الرئيسية هي ميل الحواف في منتصف المنتجات ، مما يعطي قوة ثني متزايدة واستقرار الالتواء. يحتوي هذا النوع من المنتجات على ثلاث سلاسل:
- 16P - يستخدم في أعمال التركيب بسبب سهولة التركيب ؛
- 16U - مقاوم للأحمال الرأسية ، مما يعني استخدامه في المناطق ذات النشاط الزلزالي المتزايد ؛
- 16 لتر - نظرًا لوزنه الخفيف ، يتم استخدامه لبناء الهياكل المتجانسة وفي بناء السفن.
جميع المنتجات تتوافق مع معيار GOST محدد:
- 8240-97 - القنوات المدلفنة على الساخن ؛
- 8278-83 - قنوات مشكلة على البارد مع أرفف متساوية ؛
- 8281-80 - عازمة مع أرفف غير متساوية.
تتوافق الأبعاد القياسية للقناة 16 مع القيم التالية:
- الارتفاع - 160 مم ؛
- عرض الرف - 64 مم ؛
- سمك الجدار - 5 مم ؛
- سمك الرف - 8.4 ملم.
يتوافق وزن القناة 16 مع قيمة 14.2 كجم. يبلغ وزن المعدن المدلفن حوالي 70 م. تؤثر هذه المؤشرات بشكل مباشر على أسعار مقاطع الصلب. على سبيل المثال ، يبلغ متوسط سعر قناة 16 لكل متر 520 روبل. يتم إنتاج المنتجات بأطوال من 2 إلى 12 م.
نصائح مفيدة! يؤثر طول المنتج على سهولة نقله. هذا هو السبب في عدم ممارسة إنتاج القنوات التي يزيد طولها عن 12 مترًا ، وفي الوقت نفسه ، فإن هذا الطول هو الأكثر تشغيلًا ، فقط لأنه تم تصميم منصات آلية خاصة.
الوزن والسعر وأبعاد القناة 20: كل المعلومات الضرورية حول الملف الشخصي
تنتمي القناة 20 إلى فئة المنتجات المعدنية العالمية المصنوعة من الفولاذ بطريقة المدرفلة على الساخن. يتم استخدامه في جميع الصناعات تقريبًا - ليس فقط في بناء الهياكل الحاملة ، ولكن أيضًا لبناء الجسور ، في صناعات السيارات والنقل ، وكذلك في الهندسة الثقيلة. يتم تنظيم إنتاج المنتجات من قبل العديد من GOSTs ، والتي بموجبها يتم تحديد الخصائص التقنية والانحرافات المسموح بها عن القاعدة.
تحتوي القناة 20 على ثلاثة أنواع رئيسية تلبي المتطلبات المحددة لمعيار الولاية:
- الاستخدام العام والأغراض الخاصة - GOST 8240-97 ؛
- خاص بصناعة السيارات - GOST 19425-74 ؛
- خاص لبناء السيارات - GOST 5267.1-90.
تتميز كل هذه الأنواع من المنتجات المدرفلة بمعلمات مشتركة ، مثل ارتفاع وعرض الفلنجات ووزن القناة 20. وتجدر الإشارة إلى أن المظهر الجانبي يمكن أن يكون إما ذو شفة متساوية أو بحواف مائلة. الخصائص الأبعاد للملف الشخصي 20 هي كما يلي:
- الارتفاع - 200 مم ؛
- عرض الرف - 76 مم ؛
- سمك الجدار - 52 مم ؛
- سمك الرف - 9 مم.
يمكن أن يكون وزن الأنواع المختلفة من القنوات مختلفًا قليلاً. على سبيل المثال ، يبلغ وزن قناة 20P مترًا واحدًا يساوي 18.4 كجم. تعتبر القناة 20 من السلسلة P هي الأكثر طلبًا في سوق البناء. يتم استخدامه لبناء الإطارات وبناء الجسور وإنشاء أدوات آلية كبيرة وأيضًا لأغراض أخرى. وفقًا لـ GOST 8240-89 للقنوات المدلفنة على الساخن و GOST 8278-83 للقنوات المنحنية ، يتم تصنيع الملفات الشخصية بأطوال من 4 إلى 12 مترًا.
القناة: الأبعاد التي تؤثر على النطاق
تلخيصًا لما سبق ، يشير الاستنتاج إلى أن القناة عبارة عن منتج معدني مدرفل يستخدم لتعزيز الهياكل الخرسانية المسلحة ، لإنتاج منتجات الرافعات ، والدعامات الكهربائية ، والجسور ، ومنصات النفط وغيرها من الهياكل واسعة النطاق. ترجع مجموعة الاستخدامات الواسعة إلى المستوى العالي من القوة والثبات مع وزن منخفض نسبيًا للمنتج. في الوقت نفسه ، يمكن تطبيق أحجام مختلفة من القنوات في مناطق محددة أو لها غرض خاص.
لذلك ، نظرًا لحجمها الصغير ، تُستخدم القناة 8 على نطاق واسع في البناء الفردي كعتبات خرسانية ، كما أنها تعمل أيضًا في تصنيع الأساسات في إنشاء فتحات الأبواب والنوافذ. يحتوي التطبيق الواسع ، نظرًا لحجمه العالمي وقوته ، على قناة 10 مصنوعة بواسطة الدرفلة على الساخن.
يتم إنتاج القناة 12 بنفس الطريقة ، وتتمثل الميزة الإيجابية الرئيسية في قابلية اللحام الممتازة. يتم استخدامه لزيادة قدرة تحمل الهيكل وكتعزيز للهياكل. يتم إنتاج القناة 14 باستخدام آلات الدرفلة. تتضمن الصلابة المعززة استخدامها كعوارض حاملة في السقوف لتشييد المباني الشاهقة ، وكذلك في تشييد العربات.
نصائح مفيدة! عند اختيار المنتجات المعدنية المدلفنة ، تذكر وجود سلسلة مختلفة من القنوات. يتم تمييز التشكيلات الجانبية التي توضع فيها حواف الحواف بالتوازي بالحرف "P" ؛ يتم وضع علامة "C" على القنوات الخاصة. يتم تحديد النماذج ذات الحواف الداخلية المائلة للأرفف بالحرف "U" ؛ الملامح الاقتصادية تتوافق مع العلامة "E" ؛ تعني العلامة "L" النسخة الخفيفة من أشرطة القناة.
تُستخدم القناة 16 ، المصنوعة من الدرفلة على الساخن ، على نطاق واسع في تشييد المباني الشاهقة ، وكذلك في بناء الدعامات المعدنية للجسور. تسمح أبعاد القناة 18 باستخدامها كتعزيز للمباني الشاهقة وفي الهياكل ذات الأحمال العالية.

يمكن استخدام الملفات الشخصية ذات العلامات من 20 وما فوق لبناء الجسور والأشياء الأخرى كبيرة الحجم ذات الأحمال العالية
يتم تصنيف الملفات الشخصية التي تحمل علامة 20 و 22 و 24 على أنها عالية القوة. يتم استخدامها في تشييد المباني شديدة التحمل والهياكل المتحركة. على سبيل المثال ، تشير أبعاد القناة 24 إلى استخدامها في بناء الجسور المتحركة ، وكذلك الرافعات ذات قدرة الرفع العالية.
يتم استخدام القناة 40 ، ذات الصلابة القصوى ، في الصناعات الثقيلة ، حيث يتم توفير أحمال هائلة ، في بناء السفن ، وكذلك لبناء منصات النفط.
وبالتالي ، فإن القنوات لها أهمية كبيرة في البناء ، وبالتالي فهي تستخدم على نطاق واسع في مختلف المجالات. عند اختيار منتج ، من الضروري التنقل في نطاق الأحجام ومعرفة الخصائص الرئيسية لكل نوع من أنواع القنوات. سيسمح لك ذلك بتحديد السلسلة المطلوبة واستخدام هذا النوع من المنتجات المعدنية المدلفنة بأكبر قدر ممكن من الكفاءة.


















