Подовете с топла вода в жилищни сгради и апартаменти служат като основен елемент на топлообмена в стаята или допълват традиционната радиаторна верига. Схеми за свързване на подове с водно отопление в частна къща са разработени за индивидуален дизайн, ремонт или подмяна на отоплителната система. Собственикът на къщата самостоятелно избира вида на отоплителните устройства.
Съдържание
Схеми на свързване на подове с водно отопление в частна къща
Схемите за свързване на подове с водно отопление са разработени в съответствие с прогнозния разход на топлина и неговите загуби през заграждащите конструкции. Характеристики и правила за изчисляване на водно топъл под са дадени по-рано в статията "Изчисляване на топлинното подово отопление". Когато започнете самостоятелно да разработвате електрически схеми, трябва да запомните:
- общото топлинно натоварване на помещение зависи от степента на изолация, дебелината и материала на стените, подовете (подове, тавани), отворите на прозорците и вратите. Изчислението се извършва, като се вземе предвид климатичната зона на района на пребиваване. Ако изчислената стойност на топлопреминаването надвишава 100 W / m², тогава използването на топъл воден под като основна опция за отопление е нерентабилно;
- системата за подово отопление се състои от паралелно функциониращи вериги. Дължината на един отоплителен кръг зависи от топлинното натоварване, използваемата площ на помещението, метода и стъпката на полагане на тръбите;
- площта на сградата на помещенията не съвпада с площта, заета от подовия отоплителен кръг. Използваемата площ отчита свободното пространство, което не включва местата за монтаж на вградени мебели и отстъпа от вътрешната (0,3 m) и външната (0,1 ÷ 0,15 m) стени;
- Помещенията с полезна площ над 30 m² са разделени на сектори. Всяка секция се нагрява от независима верига, свързана към разпределителен колектор. Дължината, стъпката и диаметърът на връзките, свързани към колекторите на един клапан, трябва да бъдат равни. Изключение се прави за зони с контурна армировка по външните стени;
- водните подове са елемент от летлива отоплителна система. Дългата и сложна конфигурация на нискотемпературната верига изисква инсталирането на обща или няколко циркулационни помпи. Предварително зададеното налягане в отоплителната система на малка къща може да се поддържа от котел с вграден вентилатор под налягане. Инсталирането на циркулационни помпи и регулиращи клапани във всяка верига е необходимо, за да се балансира подовото отопление на голяма къща (над 150 m²);
- схемите за монтаж на топъл воден под (прост, ъглов, двоен контур или спирала) зависят от метода на отопление и геометрията на помещението.Допълнителното отопление позволява прости единични бримки, със стъпка от 0,2 ÷ 0,3 м. Основното отопление с топъл воден под е подредено с двойни бримки или спирали (стъпка 0,1 ÷ 0,15 м);
- стъпката и дължината на отделните вериги определя диаметъра на избраната тръба. Колкото по-голямо е вътрешното напречно сечение на тръбата, толкова по-голяма е разрешената дължина на контура. Разстоянието между осите на захранващата и връщащата тръби трябва да поддържа оптимални топлинни условия. Стандартният показател за температурната разлика в съседните райони е 5 ° С;
- височината на тортата за подово отопление се взема предвид при декорирането на отвори за врати и прозорци, инсталиране на крепежни елементи за отоплителни устройства. Преминаването на тръбите през вратата се извършва в метална обвивка. Местата за полагане на тръби са фиксирани в определено положение, за да не се повреди облицовката при инсталиране на блока на вратата.
Технология за монтаж на топъл воден под
Технологията за монтаж на топло водни подове се отличава с принципа на основното подреждане на отоплителния кръг. Основата за топъл воден под е избрана, като се вземе предвид носещата способност на междинното припокриване и предвиденото подово покритие. Гледането на видео на монтажните схеми на топъл воден под в частна къща ще ви помогне да получите ясна представа за последователността на операциите и технологията за извършване на работа.
Експертите наричат топъл воден под плаващ. Амортисьорна лента с ширина 12 ÷ 18 см е монтирана по периметъра на помещението и всяка верига, ако стаята е разделена на независими сектори. Крайният филм по височината на замазката действа като компенсатор. Амортисьорът гарантира безопасността на подовото покритие и отоплителния кръг по време на разширяване на температурата, вибрации и движение на строителни конструкции. Лентата намалява топлинните загуби на фугите между нагревателната плоча и външните стени.
На бетонни плочи топъл воден под се подрежда в насипна циментова замазка. Бетонната основа е облицована с хидроизолация, полага се слой изолация и армираща мрежа. Тръбите са прикрепени към клетките на рамката с помощта на скоби, специални скоби или стоманена тел. На върха на тръбния контур, за да се разпредели равномерно работното натоварване на подовото покритие, ако е необходимо, се подрежда и подсилена замазка.
Лека основа, която съчетава функциите на изолация и рамка - сгъваеми или специални профилни постелки от екструдиран пенополистирол. В първия случай тръбата на повърхността на основата е фиксирана чрез специални скоби с върхове на гарпун или монтажни релси. На профилните рогозки контурните контури плътно фиксират вдлъбнатините, не се изискват допълнителни крепежни елементи. Подобрената версия на профилните постелки е покрита със слой хидроизолация и оборудвана със система от заключващи издатини.
Важно! Инсталирането на полистиролова система изисква грижи. Сглобяемата замазка за подово покритие се извършва веднага след полагането на тръбите. Повърхността на елементите от разпенена пластмаса понася добре разпределените товари, но лесно се рони под петата или паднал инструмент.
На подовия под се полагат модулни системи от дърво или композит от дърво. По дървените трупи са оформени дървени зъбни колела. Въртящите се и прави канали на дървени подови системи са предназначени за полагане на плочи за разпределение на топлина, изработени от поцинкована стомана или алуминий.
Тръбите, които се използват за полагане на топъл воден под (омрежен полиетилен, металопластика, мед, гофрирана гофрирана неръждаема стомана с вътрешно полимерно покритие, по-рядко полипропилен) се произвеждат по безшевна технология. Контурът е изложен от солидна тръба. Челната връзка със стандартни фитинги в тялото на замазката е допустима само за вериги от гофрирани тръби.Повърхността на тръбите трябва да е устойчива на кислородна корозия, да има граница на температура и механична якост и да има гладка вътрешна повърхност.
Намотките на тръбите за подово отопление не се отварят предварително - небрежното боравене може да доведе до образуване на гънки. Монтажът започва от гребена за подаване на колектор. Намотката постепенно се размотава, изпълнява се предвиденото оформление и плътната тръба се връща към разпределителя. Контурът е свързан към сдвоените разклонителни тръби на колекторните гребени.
След монтажа на всички подови отоплителни кръгове системата се проверява за здравина и херметичност на връзките. След тестване и успешен пробен пуск, циментовата замазка се излива. Крайното подово покритие се монтира, след като замазката изсъхне напълно.
Схеми за свързване за свързване на топъл воден под към източник на топлина
Автономният топлогенератор в частна къща загрява вода до 95 ° C. Оптималната температурна разлика между подаване и връщане е 20 ° C. Максимално допустимата температура обаче антифриз в системата за подово отопление - 55 ° C, отнемане на топлина 5 ° C. На практика работният обхват на охладителната течност на пода не надвишава 40 ÷ 35 ° C.

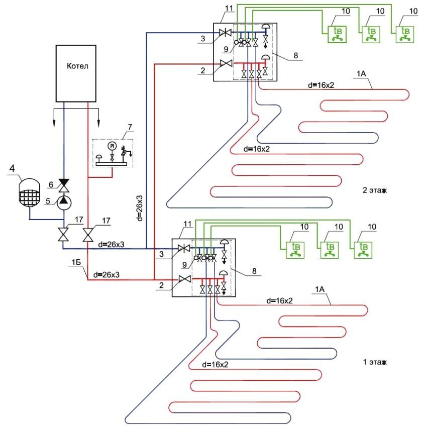
Схема за отопление на двуетажна къща с автоматичен контрол на температурата в помещенията: 1А - тръба 16 мм; 1В - тръба 26 мм; 2 - сферичен кран; 3 - вентил с директен поток; 4 - мембранен резервоар 24 l; 5 - циркулационна помпа; 6 - възвратен клапан; 7 - група за сигурност; 8 - колекционен блок; 9 - електротермично серво задвижване; 10 - електронен термостат; 11 - разпределителен шкаф; 12 - съединител; 13 - самоуплътняващ се щепсел; 14 - зърно; 15 - съединител за кримпване; 16 - гофриран корпус; 17 - сферичен кран
Температурата се контролира чрез принудително смесване на потоците: част от охлаждащата течност от обратния поток влиза в захранващия тръбопровод. Смесителните устройства са монтирани между котела и разпределителния колектор.
Има модели газови уреди, които имат вграден контур за подово отопление: в режим на работа "подово отопление" автоматичната система ограничава температурата на подаване на изхода на котела до 45 ° C. Работата на конвенционален газов котел в режим на подово отопление намалява ефективността на уреда.
Котлите на твърдо гориво за дълго изгаряне на дърва се отличават със сложна настройка на режима на горене. Инсталирането на подово отопление в отоплителни системи с топлинен генератор на твърдо гориво, в допълнение към циркулационна помпа, изисква инсталирането на буферен резервоар. Отоплителната среда се отвежда директно от хидравличния акумулатор към системата за подово отопление.

Схема на свързване на подове с топла вода към котел на твърдо гориво
Електрическите котли са най-печелившата и приемлива опция за ефективна работа на подово отопление. Автоматизацията на електрод, индукция или агрегати с тръбен електрически нагревател е в състояние да поддържа дадена температура на охлаждащата течност, без да губи топлинната мощност на котела. Подово отопление на малки къщи (до 100м2) позволява директно свързване на вериги към електрически котел. Топлите подове на големите частни къщи са подредени с помощта на копланарен разпределителен гребен и смесител.
Свързана статия:
Направи си сам водно подово отопление, видео и описание на процеса. Нюансите на инсталацията. Описание на процеса на инсталиране на водно топъл под. Неговите предимства и недостатъци за разлика от други видове.
Схеми за свързване на топъл воден под в апартамента
Основната или допълнителна нискотемпературна верига на подово отопление от централно отопление в жилищни сгради се планира по време на разработването на проекта. Законодателството за жилищата забранява самостоятелно да прави промени в схемата за отопление на радиатора в жилищна сграда. Температурата на радиаторната верига е по-висока от необходимите параметри за подово отопление.Неразрешената промяна в посоката, диаметъра и дължината на общия щранг за отопление на къщата води до дисбаланс в системата и нарушаване на топлинния режим в жилищна сграда.
Специализирани организации инсталират подово отопление от централно отопление в апартаменти по време на строителството на сграда. Принципът на устройството за подово отопление от централното отопление в апартамент се отличава от начина на свързване на нискотемпературни вериги. Охлаждащата течност влиза в тръбите на подовото отопление чрез отделен щранг от отоплението на радиатора. Топлата вода за подово отопление се приготвя от топлообменник, който е инсталиран в централно отоплително звено, отоплителна единица на жилищна сграда или директно в апартамент на потребител.

Схема на вкарване на топъл воден под в радиаторната верига на централното отопление: 1 - сферичен кран на входа на захранващата линия; 2 - сферичен кран на връзката на връщащата линия; 3 - мрежест филтър; 4 - възвратен клапан; 5 - трипътен смесителен клапан; 6 - байпасен клапан; 7 - циркулационна помпа; 8 - клапан на изхода на връщащия колектор; 9 - спирателен клапан на входа на захранващия колектор; 10 - връщащ колектор; 11 - корпус на захранващия колектор; 12 - сферични кранове на връщащата линия на веригата; 13 - сферични кранове на захранването на веригата; 14 - вентил за обезвъздушаване; 15 - дренажен клапан; 16 - радиатор
Теоретично последните потребители (в посока на охлаждащата течност в щранга) могат да променят дължината на тръбите, без да засягат топлинния режим в съседните апартаменти. Ако топлината се разпределя отгоре, то топлият под на приземния етаж не влияе на топлообмена на апартаментите, разположени по-горе. Въпреки това, работното налягане на захранващия тръбопровод с долното постоянно окабеляване може да не е достатъчно, за да циркулира в подовата верига на горния етаж.
При липса на първоначални проектни данни за устройството за подово отопление в жилищна сграда, свързването на допълнителна верига се съгласува с доставчика на топлинна енергия и управляващата компания. Доставчиците на ресурси издават разрешение за инсталиране на топли полуавтономни подове, с достатъчен резерв на мощност на съществуващата отоплителна система.
Фирмите за поддръжка на жилища правят предпоставка за проектното натоварване на основите на подово отопление, което не трябва да надвишава допустимото натоварване на подовете в конкретния случай.
Традиционно одобрението предвижда инсталирането на топлообменник на радиатор или щранг за гореща вода в апартамент. Това изисква инсталиране на циркулационна помпа, разширителен резервоар, групи за безопасност, клапан за отвеждане на въздуха, двупосочен клапан, контролни клапани и топломер.

Полуавтономна схема за свързване на топъл воден под в апартамент: 1 - сферичен кран в връзката към захранващия щранг; 2 - сферичен кран на байпаса към връщащия щранг; 3 - мрежест филтър; 4 - възвратен клапан; 5 - двупосочен клапан (температурен сензор със серво задвижване); 6 - байпасен клапан; 7 - циркулационна помпа; 8 - клапан на изхода на връщащия колектор; 9 - спирателен клапан на входа на захранващия колектор; 10 - връщащ колектор; 11 - корпус на захранващия колектор; 12 - сферични кранове на връщащата линия на веригата; 13 - сферични кранове на захранването на веригата; 14 - вентил за обезвъздушаване; 15 - дренажен клапан; 16 - топлообменник; 17 - група за сигурност; 18 - термометър; 19 - регулиращи клапани; 20 - байпас между захранващия и връщащия колектори; 21 - разширителен резервоар от мембранен тип
За множество контури на пода се използва готов монтаж на колектор, който е съвместим с всяка схема на подови настилки. На всеки вход и изход на колектора на колектора трябва да се монтира спирателен вентил или термостат. Спирателните кранове позволяват да се изключи отделна верига, без да се нарушава цялостната работа на подовото отопление.
Особено внимание се обръща на избора на подово отопление в стари къщи.Напречният размер на циментовата замазка зависи от степента на изолация подови плочи... Дебелината на "питата" на топлите подове над студено мазе достига 0,15 м, което значително скрива общата височина на помещението и увеличава теглото на конструкцията.

Процес на груба замазка топъл под под плочките или друго DIY покритие
Полезен съвет! Разумно решение би било да се избере лека основа за водно отопляеми подове, използвайки плочи за пренос на топлина, изработени от неръждаема стомана или алуминий.
Разходите за инсталиране на топъл воден под
Общата цена за инсталиране на топъл воден под включва средствата, изразходвани за закупуване на материал, изчисления, подготвителни работи, монтаж, свързване и хидравлично изпитване на веригите за якост и херметичност на връзките.
Услугите на наети специалисти ще струват 1500 ÷ 2500 рубли за 1 м² топъл под. Общата сума зависи от броя на веригите, вида на основата, цената на тръбите, групата колектори и помпено-смесителната единица. Направи си сам монтаж на топъл воден под ви позволява да намалите разходите.

Компоненти за монтаж на отоплителна система "топъл под": 1 - омрежена полиетиленова тръба, 2 - топлоизолационни рогозки, 3 - скоби за закрепване на тръби, 4 - амортисьорна лента, 5 - колектор, 6 - колекционен шкаф, 7 - стенен термостат, 8 - пластификатор
Важно! Качеството на материала, оборудването, спирателните и регулиращите клапани трябва да съответства на целта на системата и условията на предвиденото й обслужване. Изгодно е да закупите готови комплекти подово отопление, които са оборудвани с висококачествено и съвместимо оборудване и материали. Безплатното изчисляване на топъл воден под с партидна покупка е допълнителен бонус от големите производители.
Видеоклип за инсталиране на водно топъл под със собствени ръце, публикуван в Интернет, с обяснения от авторите, ще ви помогне да разберете по-добре същността на проблема. Подробни описания на методите за подреждане и избора на материал за подово отопление ще помогнат, ако има спешна нужда от подово отопление, но няма възможност за наемане на специалисти.













