Възвратен клапан е незаменим елемент от оборудването на автономните помпени станции, което осигурява постоянна посока на движение на течността. Обратният клапан на водната помпа спира част от тръбопровода, помпата или друго оборудване в случай на авария. Устройството работи автоматично от енергията на работната среда и представлява директно действащ клапан.

Обратен клапан необходими за безпроблемната работа на водоснабдителната система
Съдържание
Предназначение и принцип на действие на възвратния клапан за вода
Целта на възвратния клапан е да предпази водоснабдителната система от критични промени в параметрите на потока. Изтичане на вода в добре или добре, когато помпата спре, води до обратно въртене на работното колело и повреда на агрегата.
Задвижващият механизъм на клапана предотвратява обратния поток на водата, предпазва тръбната система и водопроводното оборудване от воден чук. Пружинно затвореният затвор на клапана за връщане на водата поддържа тръбите пълни, подобрява ефективността на потопяемите и самозасмукващи помпи.
Дизайнът и материалът за изпълнение на защитните фитинги, които се използват за автономни водоснабдителни системи, отчитат съществуващите регулаторни изисквания. Техническите характеристики (номинално, работно, изпитвателно и затварящо налягане, диаметър на връзката, условна производителност, клас на херметичност) са посочени от производителя в техническия лист на продуктите.
Номиналният отвор на пружинните възвратни клапани за битова употреба е 15 ÷ 50 mm. Компактните защитни устройства осигуряват висока производителност, експлоатационна надеждност, ниско ниво на шум в работно положение.
Важно! Напрежението на пружината се противопоставя на силата на потока. Отварянето на клапана намалява налягането на помпата с 0,25 ÷ 0,5 атмосфери.
Устройство за клапан за обратно налягане
Месингът е материалът за щамповане на елементите на сглобяемото тяло. Сплавта е устойчива на агресивни вещества (кислород, минерални соли, сяра, манган, железни съединения, органични вещества и др.), Които се разтварят или суспендират във вода.Външната повърхност на продукта е галванизирана (никелирана).
Частите на макарата са направени от медно-цинкова сплав или полимер с висока якост. Материалът на уплътнението между заключващите дискове е каучук или силикон. Пружината е направена от специален клас неръждаема стомана.

Устройството на полипропиленов пружинен възвратен клапан: 1 - тяло, 2 - щепсел, 3 - резбова вложка, 4 - стебло с макара, 5 - плъзгаща шайба, 6 - пружина, 7 - уплътнителен пръстен на щепсела
Общи конструктивни елементи на пружинните възвратни клапани:
- разделено тяло (елементи на съединителна връзка с вътрешна резба на входа и изхода, макарна камера);
- работно тяло - подвижна макара, състояща се от стебло, две макари и запечатано междудисково уплътнение;
- затварящият изпълнителен механизъм е пружина, която е разположена между дисковете на клапаните и седалката (ограничител в тялото на тялото).
Работното тяло на възвратния клапан рецидивира в макарата. Копчетата се плъзгат по стеблото на макарата. Потокът се разпределя по канал, който има постоянно напречно сечение. Водата се измива равномерно върху заключващото тяло от всички страни.
Ако налягането на потока надвишава съпротивлението на пружината, тогава подвижната част на клапана отваря пролука за преминаване на вода в дадена посока. Когато свръхналягането преди и след предпазното устройство се изравнява или зададеното налягане след клапана е надвишено, пружината премества издънките в седалката.

За да инсталирате автономно водоснабдяване, ще ви е необходим възвратен клапан, сферичен кран, манометър, фитинги и други аксесоари.
Проверете съединителя на пружината на клапана
Сгъваемото цилиндрично тяло се състои от две части с резбова връзка. Плъзгащият клапан е оформен от пластмасово стъбло, горни и долни месингови отвори. Клапанните елементи са разделени с херметично уплътнително уплътнение. Напрежението в стоманената пружина се противопоставя на налягането на потока през макарата.
Възвратен клапан на пружинно съединение с месингова макара
Отличителна черта на устройството за обратен клапан за вода със сферична форма на макарата е големият капацитет на потока в сравнение с традиционните фитинги.

Устройство за пружинен възвратен клапан с месингова макара: 1 и 2 - никелирано месингово тяло, 3 - подвижна макара, 4 - пружина, 5 - месингови макари, 6 - EPDM уплътнение
Комбиниран пружинен възвратен клапан с дренаж и отдушник
Кран с вътрешна резба за отдушника е монтиран върху тялото, над приемната зона на макарата. Въздухът се обезвъздушава с помощта кран Маевски.
Дренажна тръба с вътрешна резба и запушалка е разположена от противоположната страна на тялото, на изхода на възвратния клапан.
Свързана статия:
Помпена станция за частна къща: водоснабдяване за крайградска зона. Избор на оборудване, характеристики и монтаж. Предимствата и недостатъците на системите. Преглед на най-добрите производители.
Когато е монтирано вертикално, устройството позволява да се оттича вода след клапана и въздушните джобове да се отстраняват от тръбопровода преди затвора. Когато комбинираното устройство е монтирано хоризонтално, изпускателната тръба се използва за монтиране на манометъра.
Комбинираният възвратен клапан намалява броя на полевите връзки, намалява общото хидравлично съпротивление на клапана, увеличава надеждността на системата и улеснява инсталирането и поддръжката на системата.
Обратна клапа на пружината с полипропиленово тяло
Обратните клапани в пропиленов корпус се използват за водоснабдителни системи, изработени от пропиленови тръби. Външно обковът наподобява наклонен изход. Защитните пропиленови фитинги са свързани към тръбопровода чрез полифузионно заваряване.За удобство при обслужването на еднокомпонентната връзка седалката и механизмът на спирателната макара се отстраняват от перпендикулярната равнина на макарата. Конструктивната позиция ви позволява да получите механизма за заключване на клапана за почистване и ремонт, без да нарушавате целостта на тялото и системата.
В главните тръбопроводи за централизирано водоснабдяване се използват венчелистчета с венчелистчета, отвори, листа, сферични и междуфланцови клапани. Фланците и фланците на свързващите пръти се използват за свързване на фитинги с голям диаметър. За монтиране на възвратни клапани в тръбен разпределител от пропиленови тръби се използва контактно топлинно заваряване.
Правила за инсталиране на възвратен клапан върху вода
Защитните фитинги се използват в автономни водоснабдителни системи, вътрешни водоснабдителни мрежи в жилищни сгради, с отделно централизирано подаване на студена и топла вода. Обратните клапани са монтирани на смукателната линия на повърхностни и потопяеми помпи преди това водомери, котли, бойлери за съхранение.
Пружинните клапани за обратно налягане на водата нямат триещи се повърхности, така че могат да бъдат монтирани във всяко положение (вертикално, хоризонтално или наклонено). Стрелка върху корпуса на продукта показва посоката на движение на средата, нейният вектор трябва да съвпада с позицията на монтаж на защитния клапан.
Устройството се нуждае от редовна поддръжка. Инсталирайте възвратен клапан на място, достъпно за почистване, ревизия, ремонт или подмяна.
Обратен клапан за водна помпа или помпена станция
За помпените станции възвратният клапан е задължителен елемент, но предпазният капак не е включен в пакета за предварителна продажба на домакинството. Когато купувате възвратен клапан, обърнете внимание на свързващите размери на устройството.
Обратни клапани за потопяеми помпи
Ако на смукателната линия на тръбопровода са монтирани защитни фитинги, тогава диаметърът му трябва да съвпада с диаметъра на тръбата. Когато инсталирате клапана на смукателния отвор на потопяема помпа, размерите на частите трябва да осигуряват плътна връзка.
Важно! Отлагането на механични примеси на потока върху вътрешните повърхности на клапана ограничава производителността на устройството и нарушава херметичността на клапана.
Производителите на защитни клапани са се погрижили как да монтират възвратен клапан на помпата:
- преди възвратния клапан за водната помпа се препоръчва да се монтират филтри за грубо механично почистване;
- съвременни модели на дълбоки и сондажни помпи Оборудван с директно действащи защитни фитинги на етапа на разработване на оборудването;
- изисква се специална защита за входящия възвратен клапан за сондажната помпа, който е монтиран на смукателната тръба от кладенци, кладенци или отворен резервоар. Към възвратния клапан с помощта на резба е свързан мрежест или перфориран иго от неръждаема стомана.
Обратни клапани за помпени станции
Възвратен клапан за повърхностна помпена станция изпълнява същата функция като защитното устройство за сондажен агрегат. Разликата е, че устройството е монтирано на смукателния отвор на самозасмукващ се вентилатор под налягане.
Направи си сам обратен клапан за вода
Теоретично е възможно сглобяването на възвратен клапан „направи си сам“. Комплект консумативи за фитинги се закупуват от водопроводния отдел на най-близкия железарски магазин.
За да въплътите творчески идеи, ще ви трябва:
- женски тройник (тяло на възвратния клапан);
- съединител с мъжка резба (образува седалка за клапана);
- стоманена пружина с достатъчна твърдост, с подходящ диаметър и дължина (за свободно движение на намотките вътре в тройника);
- стоманена топка, чийто диаметър е малко по-малък от номиналния отвор на тройника;
- слеп щепсел - пружинен ограничител ("татко");
- уплътнител за резби (дим, лен);
- комплект водопроводни ключове.
Водният поток навлиза от страната на втулката и променя посоката на изхода под ъгъл от 90 °.
Трудността на самосглобяването на възвратен клапан се крие в избора на задвижващия механизъм и частите. Ако херметичността на фугите осигурява опит и умения в производството на водопроводни работи, тогава качеството на съставните части е трудно да се гарантира.
За задвижващия механизъм на фабричния възвратен клапан се използва специална пружинна стомана. Движението на пружинните заключващи дискове дублира направляващия прът. Материалите на клапаните са съвместими по време на работа на оборудването. Техническите параметри на продуктите отговарят на изискванията, посочени в общоприетите нормативни документи. Производителят предоставя гаранция за своите продукти.
Важно! Невъзможно е да се осигури надеждността и качеството на работа на монтиран вкъщи възвратен клапан.

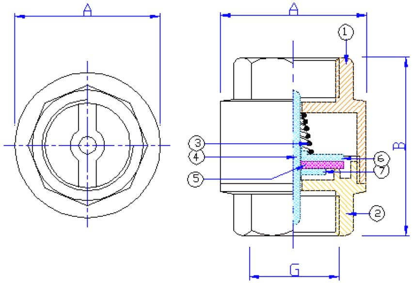
Размери и принцип на работа на съединителния пружинен възвратен клапан: 1 и 2 - тяло; 3 - пружина; 4 - пластмасово стъбло; 5 - уплътнител; 6 - горна плоча; 7 - долна плоча; A - 34,5-79 mm; В - 46-80,5 мм; G - 1 / 2-2 ″
Цена на възвратния клапан на водната помпа
Цените на съществуващите защитни фитинги зависят от марката на производителя, капацитета (диаметъра) и модификацията на конструкцията на клапана. Цената на основните клапани надвишава цените на домакинските устройства десетки пъти.
Сравнителна таблица на цените на клапаните за вода от различни производители:
| Производител | Диаметър, мм | Цена за брой, рубли |
| Обратен клапан полипропилен | ||
| Тръбни системи AQUA-S | 20 25 32 |
110,00 136,00 204,00 |
| VALTEC (Италия) | 20 25 32 |
128,00 160,00 274,00 |
| Проверете съединителя на пружината на клапана | ||
| VALTEC (Италия) | 15 20 25 |
191,00 263,00 390,00 |
| Danfoss CO (Дания) | 15 20 25 |
561,00 735,00 962,00 |
| Тесофи (Франция) | 15 20 25 |
282,00 423,00 563,00 |
| ITAP (Италия) | 15 20 25 |
366,00 462,00 673,00 |
| Комбиниран пружинен възвратен клапан с дренаж и отдушник | ||
| VALTEC (Италия) | 15 20 25 |
652,00 1009,00 1516,00 |
| Възвратен клапан на пружинно съединение с месингова макара | ||
| VALTEC (Италия) | 15 20 25 |
228,00 198,00 498,00 |
Анализирайки информацията, представена на уебсайтовете на официални представители и компании, които произвеждат защитни фитинги, можем да заключим: възвратните клапани за вода за помпи повишават нивото на надеждност и качеството на работа на автономните водоснабдителни системи.













