En drejebænk er nødvendig til fremstilling og forarbejdning af metaldele. Professionelt udstyr er ret dyrt, så for at spare penge kan du lave en hjemmelavet metal drejebænk med dine egne hænder. Dette kan gøres på flere måder, og tegninger af et sådant produkt findes let på Internettet. Du kan bruge improviserede materialer til fremstilling, maskinens størrelse kan være hvilken som helst.
Indhold
- 1 Gør-det-selv mini-drejebænk komponenter
- 2 Hjemmelavet metal drejebænk med egne hænder: monteringsprocedure
- 3 Valg af en elektrisk motor til maskinen
- 4 At lave en drejebænk fra en boremaskine med egne hænder
- 5 Funktioner i arbejdet med drejebænke til metal med egne hænder, videoinstruktioner som en måde at undgå fejl på
- 6 Sikkerhedsforanstaltninger, når du arbejder med en hjemmelavet drejebænk
- 7 Indstillinger til opgradering af en hjemmelavet drejebænk
Gør-det-selv mini-drejebænk komponenter
Enhver hjemmelavet drejebænk består af følgende elementer:
- drev - hoveddelen af mekanismen, som er ansvarlig for dens magt. At vælge et drev med den krævede effekt er en af de sværeste opgaver. I små drejebænke til metal med egne hænder kan du bruge et drev fra en almindelig vaskemaskine eller boremaskine. Normalt starter effekten af dette element fra 200 W, og antallet af omdrejninger pr. Minut - fra 1500;
- ramme - den bærende ramme af strukturen, som kan være lavet af træblokke eller stålvinkel. Sengen skal være karakteriseret ved høj styrke, ellers kan hele strukturen falde fra vibrationer under drift;
- tailstock - lavet af en stålplade og en stålvinkel svejset til den. Pladen hviler mod sengestyrene, og hovedformålet med drejebænkens bagstang med egne hænder er at fastgøre metaldelen under behandlingen;
- hoved - en del svarende til bagenden, men monteret på en bevægelig ramme;
- mester og slave centre;
- støtte - en trykmekanisme til arbejdsdelen.
Momentet fra motoren til maskinens arbejdende del kan overføres på flere måder. Nogen foretrækker at installere arbejdsdelen direkte på motorakslen - dette sparer plads og sparer på reservedele. Hvis denne mulighed ikke er mulig, kan momentet overføres ved hjælp af en friktion, bælte eller kædedrev. Hver af disse muligheder har fordele og ulemper.
Bæltdrevet til den elektriske motor er den billigste og er kendetegnet ved et forholdsvis højt niveau af pålidelighed.Til fremstilling kan du bruge et bælte til en elektrisk motor, fjernet fra enhver anden mekanisme. Ulempen ved et bæltdrev er, at bæltet over tid kan slides og bliver nødt til at udskiftes, jo oftere jo mere intensivt du arbejder med maskinen.

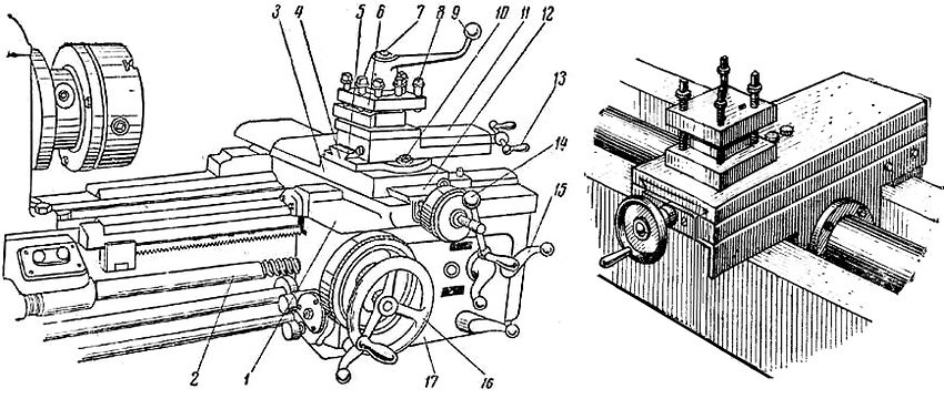
Enheden til drejebænkens hovedstang og bagstang. Hovedstykke (venstre): 1 - kilerem; 2 - to-trins remskive; 3 - spindel; 4 - kugleleje. Bagagerum (til højre): 1 - krop; 2 - center; 3, 6 - håndtag; 4 - fjerpen 5, 12, 14 - skruer; 7 - svinghjul; 8 - tryk 9, 10 - håndtag; 13 - møtrik
Et kædedrev er dyrere og tager mere plads, men det holder også meget længere end et remdrev. Friktionstransmissionen har mellemliggende egenskaber mellem bæltet og kæden.
Nyttige råd! Når du monterer drejebænken, skal du vælge den geartype, der passer bedst til din applikation. For eksempel til en mini-drejebænk med dine egne hænder er det bedre at installere arbejdsdelen direkte på akslen.
DIY drejebænk support: tegninger, hvordan man laver af skrotmaterialer
Skydemarkøren er en af de vigtigste dele i en hjemmelavet drejebænk - kvaliteten af den fremtidige del afhænger af den såvel som den tid og kræfter, du vil bruge på fremstillingen. Denne del er placeret på et specielt dias, der bevæger sig langs styrene på sengen. Tykkelsen kan bevæge sig i tre retninger:
- langsgående - maskinens arbejdsdel bevæger sig langs emnet. Langsgående bevægelse bruges til at male et gevind i en del eller til at fjerne et lag af materiale fra overfladen af et metalemne.
- tværgående bevægelse vinkelret på emnets akse. Bruges til at slibe riller og huller;
- skrånende - bevægelse i forskellige vinkler for at slibe riller på overfladen af emnet.
Når du laver en gør-det-selv-drejebænk, er det værd at overveje det øjeblik, hvor denne del udsættes for slid som følge af vibrationer, der opstår under drift. På grund af dem løsnes fastgørelseselementerne, der opstår et tilbageslag, alt dette påvirker kvaliteten af den del, der fremstilles. For at undgå sådanne problemer skal tykkelsen justeres og justeres regelmæssigt.
Gør-det-selv-justering af en selvfremstillet tykkelse til en drejebænk udføres i henhold til frigang, tilbageslag og olietætninger. Der er behov for justering af frigang, når skruen er slidt op, hvilket er ansvarlig for at bevæge delen i længderetningen og på tværs. Som et resultat af friktion begynder tykkelsen at løsne sig under belastninger, hvilket reducerer delens nøjagtighed betydeligt. Du kan eliminere huller ved at indsætte kiler mellem skinnerne og vognen. Delens tilbageslag elimineres med monteringsskruen.
Hvis olietætningerne i din maskine er slidte, skal de skylles grundigt og gennemblødes i frisk motorolie. I tilfælde af kritisk slitage er det bedre at udskifte olietætningerne helt med nye.

Support enhed: 1 - støtte vogn; 2 - blyskrue; 3 - tværskydning af understøtningen; 4 - den roterende del af understøtningen; 5 - styr på drejedelen; 6 - værktøjsholder; 7 - skrue til fastgørelse af værktøjsholderen; 8 - skruer til fastgørelse af fræsere; 9 - håndtag til drejning af værktøjsholderen; 10 - nødder; 11 - den øverste del af understøtningen; 12 - vognens tværgående styr; 13 - håndtag til bevægelse af den øverste del af understøtningen; 14 - håndtag til bevægelse af tværskyderen; 15 - håndtag til tænding af tykkelsen fra førerskruen; 16 - håndhjul til langsgående bevægelse af understøtningen; 17 - forklæde
Hjemmelavet metal drejebænk med egne hænder: monteringsprocedure
Samlingen af mekanismen udføres i følgende rækkefølge:
- Maskinens ramme er samlet af metalbjælker og kanaler. Hvis du skal arbejde med store dele, skal materialerne til samling af rammen bruges med forventning om stor belastning.For eksempel, hvis du planlægger at arbejde med metalemner, der er over 50 mm lange, skal tykkelsen af materialerne til rammen starte fra 3 mm for hjørnerne og fra 30 mm for stængerne.
- Langsgående aksler med styr er installeret på kanaler. Akslerne kan svejses eller boltes.
- Hovedstammen fremstilles. For at fremstille drejebænkens hoved med dine egne hænder anvendes en hydraulisk cylinder med en vægtykkelse på 6 mm. To lejer skal presses ind i cylinderen.
- Skakten lægges. Til dette anvendes lejer med stor boring.
- Den hydrauliske cylinder er fyldt med smøremiddel.
- En remskive og en tykkelse med styr er installeret.
- Det elektriske drev monteres.
Derudover kan du ifølge tegningerne af en metal drejebænk med dine egne hænder se, at der for at øge stabiliteten af skæremekanismen er lavet en håndjern, og en tynd strimmel af metal er fastgjort på den nederste del af strukturen. Sidstnævnte tjener til at beskytte maskinens arbejdsdel mod deformation under drift.

Enheden til en hjemmelavet drejebænk til metalforarbejdning: 1, 7 - kanaler; 2 - løberør 3 - tailstock; 4 - palle til opsamling af spåner; 5 - support; 6 - blyskrue; 8 - elektrisk motor; 9 - fast hovedstykke; 10 - lampe i en beskyttende reflektorhætte; 11 - mesh-skærm for at beskytte turneren mod chips; 12 - support
Nyttige råd! En selvmonteret metal drejebænk kan ikke kun bruges til det tilsigtede formål, men også til slibning og polering af metaldele. Til dette er et slibehjul forbundet med den elektriske aksel.
Valg af en elektrisk motor til maskinen
Den vigtigste del af en hjemmelavet metal drejebænk, hvis produktionsvideo let kan findes på Internettet, er den elektriske motor. Det er med sin hjælp, at bevægelsen af maskinens arbejdende del udføres. Følgelig afhænger styrken af hele strukturen af kraften i denne mekanisme. Det vælges afhængigt af størrelsen på de metalemner, som du planlægger at arbejde med.
Hvis du planlægger at arbejde på en maskine med små dele, er en motor med en effekt på op til 1 kW meget velegnet til dette. Det kan fjernes fra en gammel symaskine eller et hvilket som helst andet elektrisk apparat. For at arbejde med store dele har du brug for en motor med en effekt på 1,5-2 kW.
Når du samler i henhold til færdige tegninger af en hjemmelavet metal drejebænk, skal du huske at alle elektriske dele af strukturen skal være pålideligt isoleret. Hvis du ikke har den nødvendige erfaring med elektrisk udstyr, er det bedst at søge hjælp til at oprette forbindelse til en specialist. Så du vil være sikker på sikker betjening og pålidelighed af designet.
At lave en drejebænk fra en boremaskine med egne hænder
Hvis du vil spare på reservedele og meget forenkle opgaven med at samle en hjemmelavet drejebænk, kan du bruge en almindelig elektrisk boremaskine som et drev. Denne konstruktive løsning har en række fordele:
- Evnen til hurtigt at samle og adskille strukturen - boret løsnes let fra sengen og kan bruges til det tilsigtede formål.
- Let at bære og transportere maskinen er en god mulighed, hvis du skal arbejde med metalemner i garagen og udendørs.
- Besparelser - boret fungerer ikke kun som en elektrisk motor, men eliminerer også behovet for at bruge et gear og tillader også brugen af udskiftelige dyser som arbejdsredskab.
Der er selvfølgelig også ulemper ved en boredrejebænk. Hvordan gør man bearbejdning af store dele mulig med dette værktøj? Dette er umuligt, da boret har relativt lavt moment og højt omdrejningstal.Selvfølgelig kan du øge disse parametre, hvis du stadig installerer et remdrev og med dets hjælp overfører drejningsmoment fra boret til spindlen, men dette vil i høj grad komplicere designet, hvis største fordel er enkelhed og kompakthed.

Diagram over enheden til en hjemmelavet drejebænk baseret på en boremaskine: 1 - vedhæftede filer til bordet eller arbejdsbænk; 2 - frontstøtte; 3 - støtte til emnet; 4 - rygstøtte
At lave et hjemmelavet desktop metal drejebænk baseret på en boremaskine er fornuftigt i tilfælde, hvor du ikke har brug for at udføre stort arbejde, og kun små dele skal drejes.
For at fremstille en metal drejebænk baseret på en elektrisk boremaskine har du brug for de samme dele som til et konventionelt design med undtagelse af elmotoren og hovedstammen. Rollen for sidstnævnte udføres også af en boremaskine. I betragtning af strukturens kompakthed kan et almindeligt bord eller en arbejdsbænk bruges som en seng, hvor alle maskinens komponenter fastgøres. Selve boret er fastgjort i strukturen med en klemme og en klemme.
Nyttige råd! Funktionaliteten af en elektrisk borebaseret drejebænk kan udvides betydeligt ved at tilføje forskellige tilbehør og ekstra tilbehør til dens design.
Ved hjælp af en hjemmelavet drejebænk kan du ikke kun male dele, men også påføre maling på et roterende emne, vindtråd på en transformer, lave spiralhak på overfladen af en del og udføre mange andre handlinger. Derudover, hvis du samler en kopimaskineudstyr til maskinen, kan du med dens hjælp hurtigt og ubesværet producere små identiske dele.
Funktioner i arbejdet med drejebænke til metal med egne hænder, videoinstruktioner som en måde at undgå fejl på
Som ethvert andet udstyr har hjemmelavede drejebænke deres egne egenskaber, der skal tages i betragtning ved montering og drift. For eksempel, når der arbejdes med store dele eller ved brug af en kraftig elektrisk motor, opstår der kraftige vibrationer, som kan føre til alvorlige fejl i behandlingen af delen. For at slippe af med vibrationer skal maskinens køre- og drevcentre indstilles på samme akse. Og hvis kun kørecentret er planlagt til at blive installeret, skal der knyttes en kammekanisme til det.
I gør-det-selv desktop-drejebænke til metal anbefales det ikke at installere en opsamlingsmotor. Det er tilbøjeligt til spontan stigning i antallet af omdrejninger, hvilket kan føre til en udflytning af delen. Dette kan igen føre til arbejdsrelaterede skader eller materielle skader. Hvis du dog ikke kan undvære at installere en opsamlingsmotor, er det bydende nødvendigt at installere en gearkasse med den for at reducere hastigheden.
Den ideelle motor til en hjemmelavet drejebænk er en asynkron. Det øger ikke hastigheden under drift, er modstandsdygtig over for tunge belastninger og giver dig mulighed for at arbejde med metalemner med en bredde på op til 100 mm.
Reglerne for installation og betjening af enhver type elmotor til en drejebænk kan ses i adskillige videoinstruktioner på Internettet. Med deres hjælp undgår du ikke kun almindelige fejl under samlingen, men sparer også tid og kræfter takket være materialets klarhed.
Sikkerhedsforanstaltninger, når du arbejder med en hjemmelavet drejebænk
Når der arbejdes med strukturen, skal visse sikkerhedsforanstaltninger overholdes. Så efter montering af maskinen skal du kontrollere dens ydeevne. Spindlen skal rotere let og uden forsinkelse, og de forreste og bageste centre skal være justeret med den fælles akse. Symmetriens centrum for den roterende del skal falde sammen med dens rotationsakse.
På enhver video af en drejebænk med dine egne hænder kan du se, at den efter installation af elmotoren er dækket af et specielt hus. Sidstnævnte tjener ikke kun til at beskytte maskinoperatøren, men også til at beskytte selve motoren mod støv, metalpartikler og snavs. For en maskine fremstillet på basis af en elektrisk boremaskine er et sådant dæksel ikke nødvendigt.
Nyttige råd! Hvis du planlægger at installere en struktur baseret på en kraftig elektrisk motor, skal du sørge for at sikre, at dit elektriske netværk har nok strøm til at arbejde med det. Derhjemme er det bedre at komme af med en motor fra husholdningsapparater, som helt sikkert fungerer ud fra spændingen i stikkontakten.
Du skal også overholde følgende sikkerhedsregler:
- Arbejdsværktøjet skal placeres parallelt med overfladen på det emne, der behandles. Ellers kan det komme af og beskadige maskinen.
- Hvis du bearbejder ansigtsplaner, skal delen hvile mod bagstangen. I dette tilfælde er det meget vigtigt at følge justeringen, ellers risikerer du at få en defekt del.
- For at beskytte dine øjne mod spåner og partikler kan du bygge et specielt skjold eller bare bruge beskyttelsesbriller.
- Efter arbejde skal strukturen rengøres ved at fjerne metalfilter og andet produktionsaffald. Sørg for, at små dele ikke falder ned i motoren.
Indstillinger til opgradering af en hjemmelavet drejebænk
Hvis du har brug for en mekanisme, der ikke kun kan udføre drejearbejde, men også male og male et emne, kan den grundlæggende maskine let ændres. Det er bedst at gøre dette til et elektrisk borebaseret design, da det er nemmest at udskifte arbejdsdelen i det.

En drejebænk kan være en multifunktionel enhed i et værksted, som du kan udføre forskellige opgaver med, herunder husholdningsarbejde: slibning af knive, sakse osv.
Der er flere populære ændringer af en metal drejebænk. Hvordan laver man et tilspidset hul? For at gøre dette skal to filer vedhæftes basen, så de danner en trapez. Derefter monteres en fjedermekanisme, der sikrer, at filerne fremføres fremad og i en vinkel, hvilket giver dig mulighed for at bore koniske huller i delen.
Derudover kan en maskine med en sammenklappelig fod fås til at arbejde med metaldele i forskellige længder. Ved hjælp af flere brædder eller metalhjørner kan du bringe arbejdsværktøjet tættere eller længere på de fastgørelseselementer, der holder delen, og også ændre størrelsen på afstanden mellem befæstelserne. Det er mest praktisk at fremstille en sådan struktur på basis af et almindeligt bord eller en arbejdsbænk.
Hvis du fastgør et slibehjul til elmotoren som arbejdsredskab, kan du ved hjælp af maskinen ikke kun polere delens overflade, men også slibe knive, sakse og andet husholdningsværktøj. Drejebænken bliver således til en praktisk multifunktionel mekanisme.

At lave en drejebænk med dine egne hænder giver dig mulighed for at få udstyr, der er optimalt tilpasset ejerens behov
Montering af en drejebænk derhjemme er en ret simpel opgave, som yderligere forenkles af adskillige videoinstruktioner og tegninger fra Internettet. Samtidig kan strukturen samles bogstaveligt fra skrotdele ved hjælp af gamle husholdningsapparater og affald fra montage- og byggeproduktion til dette.
Den største fordel ved selvmontering er omkostningsbesparelser. Derudover er det værd at bemærke muligheden for uafhængigt at justere enhedens dimensioner og styrke for at tilpasse den til dine behov. Hjemmelavet maskine kan ikke kun være stor, men også meget miniature, designet til behandling af små dele.











