Tässä artikkelissa tarkastellaan yksityiskohtaisesti valaistuslaitteiden ominaisuuksia, kuten kodin LED-kattokruunut: niihin asennettujen lamppujen rakenteiden ja ominaisuuksien luokitus, edut ja haitat, toimintaperiaate ja erityispiirteet muista vastaavaan tarkoitukseen tarkoitetuista tuotteista. Tekstistä löydät valokuvaluettelon mielenkiintoisista ideoista ja neuvoista kattokruunujen valitsemiseen keittiöön, makuuhuoneeseen ja olohuoneeseen muihin tarkoituksiin.

LED-katto kattokruunut On modernein ja kysytyin valonlähde
Sisältö
- 1 LED-kattokruunut kotiin: yleiset suunnitteluominaisuudet
- 1.1 Mikä on LED-kattokruunuvalojen etu muihin verrattuna
- 1.2 Mikä on LED-lamppujen toimintaperiaate ja mihin se perustuu
- 1.3 Kodin LED-kattokruunujen luokitus
- 1.4 LED-lamppujen päätyypit: luokittelu suunnitteluominaisuuksien mukaan
- 1.5 LED-kattokattokattojen edut huoneistolle
- 1.6 LED-kattokruunujen ostaminen: suosittujen tuotemerkkien hinnat
- 2 LED-kattokruunun valinta kotiin: ammattimaiset suositukset
- 2.1 Mikä on parempi ostaa kattokruunu keittiöön: optimaalisen valaistuksen valitseminen
- 2.2 Mikä on parempi ostaa kattokruunu rentoutumishuoneeseen: makuuhuoneen suunnittelun valitseminen
- 2.3 Mikä on paras ostaa LED-kattokruunu lastenhuoneeseen
- 2.4 Mikä on parempi ostaa kattokruunu olohuoneesta: vinkkejä valintaan
- 3 Kuinka vaihtaa kattokruunu itse ilman päällikön apua
LED-kattokruunut kotiin: yleiset suunnitteluominaisuudet
LED-kattokruunuista on tullut todellinen läpimurto valotekniikan alalla. Laitteiden kattoversio on löytänyt laajan sovelluksen hallinto- ja toimistotiloissa sekä sitten omakotitalojen ja huoneistojen olohuoneissa. LEDit parantuneiden ominaisuuksiensa vuoksi korvaavat vähitellen markkinoiden energiansäästömahdollisuuksia ja hehkulamppuja.

Kodin LED-kattokruunut pystyvät tuottamaan koko valaistusalueen, joten niitä voidaan käyttää luomaan mukava valaistus mihin tahansa huoneeseen.
Mikä on LED-kattokruunuvalojen etu muihin verrattuna
Tavallisiin hehkulamppuihin verrattuna LEDit ovat paljon turvallisempia. Käytön aikana ne eivät vahingoita ihmisten terveyttä, niiden hävittäminen ei aiheuta vaikeuksia eikä sillä ole haitallisia vaikutuksia ympäristöön. LED-muotoilu ei sisällä kaasua tai elohopeaa, kuten kaasupurkauslampuissa. Ne eroavat tavallisista tuotteista mittaparametrien ja tässä tapauksessa suunnatun valovirran tyypin mukaan.
Etujen joukossa kuluttajat huomaavat LED-kattokruunujen korkean luotettavuuden, asiakasfoorumit foorumeilla vahvistavat näiden laitteiden käytännöllisyyden:
”Kattovalaisimen käynnistäminen kestää vain sekunnin. Lamppu lähettää heti voimakkaan valovirran.Tällaiset edut eivät ole luontaisia energiansäästölampuille, joiden käynnistyminen kesti paljon kauemmin. Koristelijana en voi muuta kuin mainita mahdollisuutta valita erilaisia valon ja sävyjä. LEDeillä on paljon suunnittelumahdollisuuksia. "
Oksana Shcheglova, Pietari
”LED-valojen käytön jälkeen sähkökustannukseni ovat laskeneet merkittävästi. Tarkastettuani verkon tiedot tarkistin henkilökohtaisesti näiden lamppujen tehokkuuden. Lisäksi tämä ei vaikuta lainkaan tehoon, huoneen valaistustaso on hyväksyttävä. "
Victor Smyatko, Moskova
Merkintä! Fluoresoiviin versioihin verrattuna LEDit ovat 50% edullisempia. Käyttämällä niitä hehkulamppujen sijasta kustannuksia voidaan vähentää 95%.
Mikä on LED-lamppujen toimintaperiaate ja mihin se perustuu
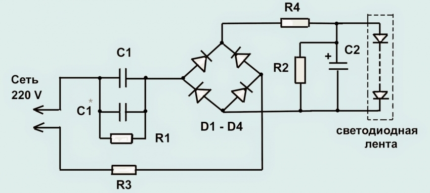
Kattokruunujen toiminta perustuu tavanomaiseen muuntimeen. Lähdössä tämä elementti tuottaa noin 5 voltin jännitteen. Muunnin voi olla eri muotoinen, joka käyttää kondensaattoria ja diodia tai toimii siltapiirin mukaisesti.

LED-lamppujen valmistuksessa ei käytetä lasilamppuja, joten käytön aikana ei ole vaaraa vahingossa rikkoutua ja loukkaantua
Pulssikohinan esiintymisen estämiseksi käytön aikana muunninpiiriin sisältyy ylimääräinen kondensaattori ja vastus. Nämä elementit on suunniteltu vaimentamaan aaltoilua. Ja pääkondensaattori tasoittaa jännitteen ylijännitteitä lähdössä.
Samanlainen LED-lamppujen järjestely kattokruunulle sekä muuntajan tarpeen puuttuminen antoivat valmistajille mahdollisuuden pienentää valaisimien kokoa, tehdä niistä kevyitä ja houkuttelevia. Lisäksi piiri voi sisältää lisälaitteita, jotka on suunniteltu häiritsemään häiriöitä. Tällaisia elementtejä ovat varistori ja induktori. Ensimmäinen komponentti suojaa impulssimelua ja staattista sähköä vastaan, ja toinen komponentti yksinkertaistaa suunnittelua vähentämällä tarvittavien komponenttien määrää.
Valmistajat tarjoavat useita järjestelmiä lamppujen järjestämisen mukaan. Niillä kaikilla on omat etunsa. Esimerkiksi vaimennusvastuksesta ja diodeista koostuvat valaisimet erottuvat pitkällä käyttöikällä, ja kaksoisliitännän läsnäolo eliminoi LED-elementtien välkkymisen, minkä vuoksi ihmisen silmät eivät kyllästy valoon.
Kodin LED-kattokruunujen luokitus
Kaupallisesti saatavissa olevat LED-tuotteet vaihtelevat teknisissä tiedoissa. Kun etsit huoneesta kattokruunun ostamista, kannattaa tunnistaa tärkeimmät parametrit itsellesi. Ensinnäkin otetaan huomioon valovirran tyyppi ja sen vahvuus. Tämä ilmaisin osoittaa, kuinka tehokas valaistus huoneessa on käytettäessä tiettyä laitetta. Valmistaja ilmoittaa hehkulampun vastaavan tehon, jotta ostaja voi edustaa valon kirkkautta visuaalisesti.
Toinen tärkeä tekninen indikaattori on virrankulutus. LED-lampuilla varustetut laitteet kuluttavat noin 1-10 wattia.
Merkintä! Virrankulutus ilmaisee laitteen käyttöön tarvittavan sähkön määrän. Tätä parametria ei kuitenkaan voida käyttää hehkun laadun määrittämiseen.

Yhdessä mallissa käytetään usein erivärisiä diodeja, joiden avulla voit säätää valaistusta koko päivän
Kattokruunujen luetteloissa on erilaisia värejä. Kotivalaisimien optimaalinen kerroin on 70 tai enemmän. Laadunvalmistajat asettavat tämän ominaisuuden tiedot aina laitteen pakkaukseen.
Valaisimien luokitus hehkulämpötilan mukaan:
| Hehkutuslämpötila, Kelvin | Valaistustyyppi |
| 2700-3500 | kellertävä (mukava silmille) |
| 4000-5000 | neutraali |
| 6500 ja enemmän | kylmä (ei koske asuintiloja) |
LED-lampuilla on pitkä käyttöikä. Ajan myötä säteilevän valon määrä vähenee. Standardi osoittaa, että 25 000 käyttötuntia vähentää 30%: n ensisijaista kapasiteettia. Tästä syystä tätä parametria pidetään LED-lamppujen virallisesti hyväksyttynä käyttöikänä.

Jotta talon valaistus olisi mukava ja miellyttävä silmälle, on parempi ostaa LED-lamput lämpimällä valkoisella valolla
LED-lamppujen päätyypit: luokittelu suunnitteluominaisuuksien mukaan
Suunnittelutyypin ja valovirran parametrien perusteella erotetaan seuraavat lamputyypit:
- Lineaarinen.
- Yleinen.
- Suuntavalolla.
Lineaarisia rakenteita käytetään toimistotiloissa. Tämän tyyppiset kattokruunuihin asennetut lamput valmistetaan putkina, joka on varustettu kääntyvällä pohjalla. Tämän rakenteen avulla voit muuttaa valovirran kulmaa. Yleiskäyttöiset lamput soveltuvat paitsi toimistotiloihin myös huoneistojen ja omakotitalojen olohuoneisiin. Ne muodostavat hajavalon, joka on mahdollisimman lähellä luonnollista auringonvaloa eikä ärsytä silmiä. Useimmiten tämän tyyppinen valaistus löytyy valokuvasta suurikokoisista kattokruunuista kaukosäätimellä.
Suuntavalolla varustettuja lamppuja käytetään seuraaviin kohteisiin:
- messukeskukset;

Massiivinen geometrinen kattokruunu LED-lampuilla tulee maamerkki jokaiselle olohuoneelle
- kaupat;
- vitriinit jne.
Korostusvalaistus antaa huoneelle erityisen ulkonäön ja kiinnittää huomiota siinä oleviin asioihin. Tällaiset LED-kattokruunut kattoon ostetaan koristeellisina koristeina korostuksille.
Pohjarakenteen mukaan LED-lamput ovat:
- tappi;
- pullot;
- Edison-pohjan kanssa;
- soffit;
- upotetuilla koskettimilla;
- keskittyminen;
- tappi.
Mielenkiintoinen fakta! LEDeille on ominaista pitkäaikainen nimellinen hehku. Ne pystyvät tarjoamaan jatkuvaa toimintaa 50000 tuntia.
LED-kattokattokattojen edut huoneistolle
LEDeistä on tullut vaihtoehtoinen korvaus monenlaisille valaistusjärjestelmille, erityisesti laitteille, joissa on paljon lamppuja. Tällaiset mallit voidaan varustaa ääni- ja liiketunnistimilla, kaukosäätimellä ja muilla toiminnallisilla lisäyksillä. Kattoon kuuluvilla LED-kattokruunuilla on pitkä käyttöikä. Toiminnan vähimmäiskesto on 10 vuotta. Samalla laitteen sammuttamisen ja käynnistämisen taajuus ei vaikuta käyttöikään.
Lamppujen muoto ei ole rajoitettu. Tämä laajentaa mahdollisten suunnitteluratkaisujen ja laitteiden koristeluita. Kattoon käytetään pinta-asennettavien ja sisäänrakennettujen pyöreiden LED-kattolamppujen malleja:
- saranoitu kipsilevystä;
- venyttää;
- modulaarinen.
Muut kipsilevyrakenteet eivät ole poikkeus, esimerkiksi väliseinät, markkinarakot, kaaret, hyllyt. Pyöreitä LED-kattokruunuja saa käyttää korkeissa lämpötiloissa, koska LED-elementit eivät käytännössä kuumene. Näissä lampuissa ei ole välkkymistä. Valovirta muodostuu jatkuvasti, joten ihmisen silmät eivät väsy. Koska valaistuskulma on säädettävissä, tällaisia valaisimia voidaan käyttää onnistuneesti visuaalisten tehosteiden luomiseen sisätiloissa.
Aiheeseen liittyvä artikkeli:
LED-lamppujen valitseminen kotiin: tärkeät kriteerit
Pöytälampun valitseminen opiskelijalle. LED-lamppujen toimintahäiriön syyt. Valmistajat ja hinnat.
LED-valaistuksen mahdollisuudet ovat melkein rajattomat, sen avulla voit:
- lisätä visuaalisesti äänenvoimakkuutta tai laajentaa tilaa;
- luoda luonnollisen valaistuksen vaikutus;
- sijoittaa aksentteja tiettyihin sisustustuotteisiin tai huoneen alueisiin;
- hallita valaistuksen kirkkautta ja kylläisyyttä;
- luoda epätavallinen muotoilu värimallien avulla;
- vyöhyke huone jne.
LED-kattokruunujen ostaminen: suosittujen tuotemerkkien hinnat
Kaikkien tuotteiden kestävyys riippuu valmistajasta, joka valvoo paitsi valmistusprosessia myös tekniikkaa sekä raaka-aineiden laatua. Kun valitset LED-kattokruunuja, sinun on kiinnitettävä huomiota tunnettuihin ja todistettuihin tuotemerkkeihin. Korkea hinta on yksi laatutuotteiden tunnusmerkeistä. Sinun ei pitäisi ostaa halpoja kiinalaisia tuotteita säästöjen tavoittelemiseksi. Todennäköisesti tällaiset mallit koostuvat huonolaatuisista osista. Luotettavimpia tuotteita valmistavat valmistajat Italiasta, Espanjasta ja Saksasta.
LED-kattokruunujen keskihinnat:
| Tuotenimi | Valmistajamaa | hinta, hiero. |
| ArteLamppu | Italia | 10990-24990 |
| Arti lampadari | Venäjä | 9900-25920 |
| Citilux | Tanska | 12810-91990 |
| Eglo | Itävalta | 7990-19950 |
| Suosikki | Saksa | 10450-20470 |
| IDLamppu | Italia | 6490-60000 |
| Mantra | Espanja | 20000-34000 |
| Maytoni | Saksa | 10500-15700 |
| MW-valo | Saksa | 13800-48880 |
| N-valo | Italia | 7175-16970 |
Hyödyllisiä neuvoja! Lamppuja ostettaessa on suositeltavaa ottaa huomioon vaihtoehdot, joilla on pisin takuuaika.
LED-kattokruunun valinta kotiin: ammattimaiset suositukset
Kauniin valaistuksen luomiseksi taloon ei riitä, että ostat halvan kattokruunun. LED-rakenteen on täytettävä tietyn huoneen vaatimukset.
Ennen kuin ostat kattokruunun, sinun on arvioitava seuraavat parametrit:
- huoneen alue ja asettelu;
- tietyn huoneen tarvitsema valaistusaste;
- haluttu määrä sävyjä;
- sisustus ja tyyli huoneessa;
- kattokruunun koristeelliset piirteet;
- kattokruunun koko ja sen muotoilu.
LED-lampuilla varustetuilla kattokruunuilla voi olla erilaisia kokoonpanoja.
Rakenteet ovat seuraavan tyyppisiä:
- sisäänrakennettu;

Ennen kuin päätät tietystä kattokruunumallista, päätä tavoitteet ja tavoitteet, jotka tälle kattokruunulle osoitetaan
- laskut;
- kiinnittimillä suspensioiden muodossa;
- keräyslinssin kanssa tai ilman;
- lasin sävyllä tai ilman, joka hajauttaa valoa;
- laitteilla valonsäteen korjaamiseksi;
- värin, kirkkauden ja muiden indikaattoreiden muuttamisen avulla.
Mikä on parempi ostaa kattokruunu keittiöön: optimaalisen valaistuksen valitseminen
LED-kattokruunut ovat loistava ja moderni vaihtoehto keittiön valaistuksen järjestämiseen. Näillä malleilla voit luoda mukavuuden ja toimivuuden harmonian.
Parhaan tuloksen saavuttamiseksi sinun tulisi järkevästi yhdistää kaiken tyyppiset valaistukset yhteen huoneeseen:
- Työskentely.
- Kenraali.
- Koriste.
Perinteisiä kattokruunuja käytetään harvoin keittiöissä.
Poikkeuksena ovat huoneet, joissa sisustus on valmistettu seuraavilla tyylillä:
- klassinen;
- retro;
- barokki;
- etninen;
- maa.
Tässä tapauksessa ei ole turhaa luoda yhdistelmää keskusvalaisimien ja seinävalaisimien muodossa, jotka on suunniteltu valaisemaan työalue. Uusklassismin ja klassisen muotoilun vuoksi on suositeltavaa ostaa LED-kattokruunu kristalliriipuksilla.
Hyödyllisiä neuvoja! On suositeltavaa asentaa kristallikruunu mahdollisimman kauas uunista, muuten rasva laskeutuu sen pinnalle.

Keittiön monipuolistamiseksi ja moderniksi tekemiseksi kannattaa ostaa LED-lampuilla varustettu satelliittikruunu, joka on edelleen suosittu tänään.
Chalet-tyylisissä keittiöissä sekä Provencessa ja maassa on parempi valita lamput, jotka on valmistettu kynttelän muotoisina. On toivottavaa, että niillä on vanhentunut pinta, jossa on päällyste kultauksen, kuparipatinan tai hopean muodossa. Kankaalla tai paperilla varjostettu koristeinen lamppu sopii täydellisesti japanilaistyylisen keittiön tilaan. LEDit eivät käytännössä tuota lämpöä, joten tällaiset kattokruunut ovat tulenkestäviä.
Nykyaikaisiin tyyleihin, kuten minimalismiin, huipputekniikkaan tai moderniin, sopivat laitteet, joissa on lakoninen geometrinen muotoilu kuution, pallon tai LED-kattokruunun muodossa. Keittiössä on parempi valita lamput sisäänrakennetuista rakenteista, seinä-kattotyyppiset mallit ja valaistus nauhojen muodossa.
Mikä on parempi ostaa kattokruunu rentoutumishuoneeseen: makuuhuoneen suunnittelun valitseminen
Erityistä huomiota on kiinnitettävä makuuhuoneen valaisimien valintaan, koska tätä huonetta käytetään nukkumiseen ja rentoutumiseen. Tilaviin huoneisiin voidaan asentaa suuret kattokruunut. Tärkeää on virkistysalueen sijainnin luonne, huoneen muoto ja ulkoasu. Pienessä makuuhuoneessa voit valita riippuvalaisin sisustetun riipustyyppisen valaisimen, jos asennuspaikka on sängyn jalan yläpuolella oleva alue.

Koristeellinen kattokruunu ei häikäise, mutta antaa tasaisen hajavalon, mikä on erittäin tärkeää makuuhuoneelle
Valaisimen tehotaso valitaan huoneen pinta-ala huomioon ottaen. On suositeltavaa ostaa kattokruunu, jossa on säätötoiminto makuuhuoneeseen. Vaikka valitulla mallilla on vain kaksi valaistusvaihtoehtoa, tämä riittää luomaan mukavan ilmapiirin.
Tässä tapauksessa kattokruunu tulisi yhdistää paitsi sisustuksen muotoiluun, värimaailmaan ja tyyliin, mutta myös tukea muiden huoneiden laitteiden suunnittelua. Usein makuuhuoneessa lamput asennetaan yöpöydille tai järjestetään työalue. On tärkeää noudattaa yleistä ajatusta, jotta kaikki huoneen laitteet näyttävät harmonisilta.
Makuuhuoneeseen asennetun kattokruunun runko voidaan valmistaa eri materiaaleista:
- muovit;
- puu;
- metalli;
- lasi;
- yhdistetyt materiaalit.
Koriste-elementit ja sävyt valmistetaan yllä olevasta ja monista muista materiaaleista. Huoneen tyylistä riippuen voit valita kattokruunun, joka on viimeistelty bambulla, kankaalla, paperilla, rottinkilla, viiniköynnöksellä. Valmistajat käyttävät jopa kierrätettyjä raaka-aineita.
Hyödyllisiä neuvoja! Kattokruunun optimaaliset mitat voidaan laskea kaavalla: (huoneen leveys (m) + huoneen pituus (m)) x 10 = kattokruunun halkaisija (cm). Määritä kattokruunun korkeus (cm) jakamalla huoneen korkeus (cm) neljällä.
Mikä on paras ostaa LED-kattokruunu lastenhuoneeseen
Lastenhuoneeseen asennetut valaistuslaitteet nostavat vaatimuksia. Tällöin sisustus ja läsnäolo haalistuvat taustalle.

LED-lamput on valmistettu ympäristöystävällisistä, luonnollisista materiaaleista, jotka eivät vahingoita kehoa, mikä on tärkeä kohta asennettaessa lastenhuoneeseen
Ennen kuin ostat lasten kattokruunun kaupasta, sinun on tarkistettava, että valittu malli on seuraavien parametrien mukainen:
- korkealaatuinen ammattitaito;
- turvallisuus;
- saateasiakirjojen ja todistuksen saatavuus;
- materiaalien ympäristöystävällisyys.
Lisäksi otetaan huomioon huoneen tyyli, lapsen sukupuoli ja ikä.Klassiseen tyyliin tarkoitettuun lastentarhaan kannattaa valita hienostuneet mallit, jotka on koristeltu kukilla ja lehdillä. Voit pysähtyä valitsemaan esimerkiksi yleiskattokruunun, joka on muodoltaan pallo, joka sopii melkein mihin tahansa sisustusvaihtoehtoon.
Älä unohda, että lapsen tarpeet ja maku muuttuvat iän myötä, joten on suositeltavaa ostaa tulevaisuuden näkökulmasta laitteita. Perhoset, tontut ja tähdet, jotka ovat niin suosittuja päiväkotilasten keskuudessa, eivät todennäköisesti miellytä koulupoikaa.
Liian kirkas tai liian himmeä valaistus väsyttää vauvasi silmät. Väsymyksen välttämiseksi kannattaa valita säädettävät kattokruunu vaihtoehdot yhdessä muiden laitteiden kanssa. Ihannetapauksessa sinun on saavutettava mukava ympäristö kaikkeen toimintaan: kirjojen lukemiseen, rentoutumiseen, oppituntien tekemiseen, aktiivisiin peleihin.
Mikä on parempi ostaa kattokruunu olohuoneesta: vinkkejä valintaan
LED-valaistus on täydellinen luomaan hiljainen, kodikas ja huomaamaton ilmapiiri olohuoneessa. Tällaiset kattokruunut muodostavat heijastuneen valon, jolla on positiivinen vaikutus henkilöön ja joka säätää hänet rauhalliseen tilaan.
Jos olohuoneeseen asennetaan joustavat tai alakattoiset katot, voit luoda kauniin yhdistelmän sijoittamalla sen ympärille suuren kattokruunun ja pienet lamput keskialueelle. Tämä vaihtoehto sopii klassisiin huoneisiin. Tässä tapauksessa on suositeltavaa valita kattokruunu lasi- tai kristallisävyillä ja runkopohja, joka on koristeltu pronssilla, hopealla tai kulloituksella.

Riippuvalaisin LED-kattokruunulla voit luoda tyylikkään mutta yksinkertaisen sisustuksen moderniin olohuoneeseen
Hyödyllisiä neuvoja! Kattokruunut, joissa on paljon koriste-elementtejä, voivat kerätä pölyä. Jos et halua puhdistaa kiharoita ja muita pieniä osia säännöllisesti, suosittele yksinkertaistettuja suunnitteluvaihtoehtoja.
Swarovski-kiteillä tai Muranon lasilla koristeltu kattokruunu sopii klassiseen olohuoneeseen. Minimalismin ja huipputekniikan tyyliin kannattaa valita käytännön vaihtoehtoja laitteille, joissa on mahdollisimman vähän yksityiskohtia ja yksinkertaisin muotoilu. Tällaisten kattokruunujen käytettävissä olevat ja lakoniset muodot voidaan valmistaa lasista, paksusta pahvista, puusta, titaanista. Samalla rakenteiden on oltava liikkuvia ja joustavia.
Kuinka vaihtaa kattokruunu itsenäisesti ilman päällikön apua
Asianmukaisella tietämyksellä voit liittää LED-kattokruunun ilman asiantuntijan apua. On erittäin tärkeää noudattaa perusturvallisuussääntöjä ja noudattaa valmistajan ohjeita. Työ on tehtävä päivällä riittävän luonnonvalon kanssa, koska huoneen sähkö on kytkettävä pois päältä.

Kattokruunua asennettaessa sinun ei tarvitse asentaa lisälaitteita: tasasuuntaajat, sulakkeet ja liipaisin sisältyvät jo lamppujen suunnitteluun
DIY-LED-kattokruunu asennetaan seuraavassa järjestyksessä:
- Huoneesta katkaistaan virta irrottamalla pistokkeet tai sammuttamalla kytkin.
- Vanha kattokruunu puretaan (jos on).
- Tämän seurauksena tulisi jäädä pari johtoja - vaihe ja nolla, jotka vastaavat LED-kattokruunun johtoja.
- Johtimien kontaktit on irrotettu.
- Ruuvit ruuvataan irti johtojen liittämiseen tarkoitetusta hihnasta.
- Vastaavat johdot työnnetään nauhan reikiin, minkä jälkeen se kierretään takaisin.
- Kattokruunu asennetaan kattoon valmistajan ohjeiden mukaisesti.
On erittäin tärkeää, että nolla- ja vaihejohdot eivät kosketa toisiaan. Muussa tapauksessa tapahtuu oikosulku ja LED-kattokruunu on korjattava tai vaihdettava kokonaan. Tässä tapauksessa muista soittaa ohjatulle toiminnolle.Yleisimpiä vikoja ovat lampun toimintahäiriöt (vilkkuminen, putoaminen pistorasiasta, hehkumisen puute), johdotusongelmat (kipinä, palava haju) ja kaukosäätimen toimintahäiriöt.

Kattokruunun suorassa asennuksessa ei ole vaikeuksia, koska kaikki pääkiinnittimet toimitetaan kattokruunun mukana
LED kattokruunu edellyttäen, että se on kytketty oikein, se voi toimia pitkään. Laitteen asentamiseen tai rikkoutumiseen liittyvien vaikeuksien välttämiseksi on suositeltavaa antaa asennustyöt ammattimaisen sähköasentajan tehtäväksi. Tässä tapauksessa voit saavuttaa korkealaatuisen tuloksen ja ylläpitää takuuta.














