Da bi se povećala udobnost i udobnost u radu rasvjetnih uređaja, koristi se prolazni prekidač: dijagram povezivanja jasno prikazuje princip rada preklopnog uređaja. Uz njegovu pomoć možete kontrolirati osvjetljenje sobe s bilo koje točke. Značajke dizajna i pravila za instaliranje proizvoda detaljno su opisane u ovom članku.

Prolazni prekidač: dijagram povezivanja uređaja s različitih mjesta
Prolazni prekidači koriste se za organiziranje upravljanja svjetiljkama s nekoliko mjesta

Dizajn i princip rada prolazne sklopke

Prolazni prekidači dizajnirani su za uključivanje i isključivanje rasvjete s različitih krajeva prostorije ili stepeništa. To znači da možete upaliti svjetlo, na primjer, prilikom ulaska u sobu, a isključiti ga u drugom dijelu. Ovaj princip rada omogućuje vam značajnu uštedu energije.

Uključivanje svjetala s različitih mjesta nije samo vrlo povoljno, već vam omogućuje i uštedu prilično električne energije
Uključivanje svjetala s različitih mjesta nije samo vrlo povoljno, već vam omogućuje i uštedu prilično električne energije

Prolazni se prekidač izgledom ne razlikuje od uobičajenog. Njegova prednja pomična ploča također prikazuje strelice gore i dolje. Konvencionalni prekidač ima jedan ulaz i jedan izlaz. Suprotno tome, prolazni uređaj ima jedan ulaz i dva izlaza. To ukazuje da se struja ovdje ne prekida, već se preusmjerava na bilo koji od izlaza.

Unatoč činjenici da je doživio električari okom će moći odrediti prolazni prekidač, pouzdani proizvođači proizvode proizvode s izvučenim električnim krugom dvostrukog prolaznog prekidača, trostrukog ili pojedinačnog, koji se nalazi ispod tijela uređaja.

Također je moguće utvrditi da je to jedan prolazni uređaj ispred vaših očiju prilikom ispitivanja stezaljki s bakrenim kontaktima. Trebalo bi ih biti troje. Kako biste bili sigurni da terminali nisu međusobno pomiješani, trebali biste koristiti multimetar. Uređaj treba staviti u način davanja zvučnog signala i zvonjave na njegovom ulazu i izlazu. Ako prilikom dodirivanja kontakta multimetar emitira signal, kontakt je prisutan na ovom mjestu.

Distribucija veza u mreži
Distribucija veza u mreži

Druga razlika od jednostavne sklopke je ta što prolazni uređaj ima trožičnu sklopku, a ne dvožičnu, poput uobičajene. To je vrsta prekidača koji preusmjerava napon s jednog kontakta na drugi.

Prolazni prekidači obično rade u parovima za upravljanje jednim izvorom svjetlosti. Svaka se isporučuje s nulom i fazom. Promjenom položaja tipke prekidača zatvorit ćete krug zbog čega će se svjetlo upaliti. Kada se isključi prvi ili drugi prekidač, fazno ožičenje se otvara i kontakt parnog prekidača zatvara i svjetlo se gasi. Odnosno, kada su tipke na oba uređaja u istom položaju, osvjetljenje se uključuje, u različitim se položajima gasi.

Osvjetljenjem se može upravljati ne samo s dva mjesta, već i s tri ili više. Da biste to učinili, jedan ili više poprečnih prekidača moraju se dodati na opći dijagram povezivanja prolaznog prekidača s dva mjesta.

Prednosti ugradnje prolaznog prekidača

Prolazni prekidači omogućuju vam upravljanje osvjetljenjem sobe s dva ili više mjesta, što je neosporna pogodnost. To je posebno vrijedno za višespratne domove s stepenicama. Ovdje možete instalirati prvi prekidač na prvom katu, a sljedeći na drugom, koji će uključiti svjetlo na dnu i isključiti na vrhu.

Posebno je važno koristiti prolazne prekidače za kontrolu osvjetljenja stubišta.
Posebno je važno koristiti prolazne prekidače za kontrolu osvjetljenja stubišta.

Dobro rješenje je instalirati jedan prekidač na ulazu u spavaću sobu, a drugi na naslon kreveta, što će vam omogućiti da uđete, upalite svjetlo, pripremite se za spavanje, legnete i ugasite svjetla. Također je poželjno instalirati prekidače na ulazu u kuću ili stan i na kraju hodnika.

Koristan savjet! Uz pomoć posebni senzori pokreta ili timer ugrađen u prekidač, možete organizirati automatsko isključivanje rasvjete kad napustite određeno mjesto.

Prolazni prekidači imaju značajne prednosti u odnosu na konvencionalne uređaje:

  • visoka pouzdanost i sigurnost rada;
  • trenutno isključivanje prostora, ako je potrebno, s bilo kojeg mjesta;
  • optimalna potrošnja energije;
  • niska cijena;
  • jednostavna instalacija koja ne zahtijeva uključivanje stručnjaka;
  • nedostatak složenih postavki.
Prisutnost prolaznih prekidača omogućuje vam da upalite lampe dolje jednim prekidačem, a nakon što se popnete stepenicama isključite ga drugim
Prisutnost prolaznih prekidača omogućuje vam da upalite lampe dolje jednim prekidačem, a nakon što se popnete stepenicama isključite ga drugim

Kako vlastitim rukama napraviti prolazni prekidač

Unatoč činjenici da na prvi pogled konvencionalni i prolazni prekidači imaju manje razlike, njihov se trošak znatno razlikuje. Prolazni prekidač možete kupiti 1,5-2 puta skuplje od jednostavnog. Stoga mnogi obrtnici nastoje sami izraditi sklopni uređaj.

Da biste dobili prolazni prekidač s jednim ključem, potrebno je koristiti konvencionalne uređaje s jednim i dva ključa iste veličine i proizvođača.

Koristan savjet! Kada kupujete prolaznu sklopku s dva ključa, čiji je krug otisnut na tijelu uređaja, trebali biste biti sigurni da ima mogućnost pomicanja stezaljki na mjestima tako da osigura da je krug otvoren i zatvoren neovisno jedan o drugome.

Postupak izmjene jednostavnog prekidača u kontrolnoj točki sastoji se od sljedećih koraka:

  • gumb s kopčama uklonjen je s prekidača s jednim ključem;
  • jezgra prekidača lagano se istiskuje;
  • stegnute su stezaljke kućišta na unutarnjem mehanizmu prekidača;
  • jedan od terminala uklonjen je iz utičnice;
  • jedan je kontakt ponovo instaliran nasuprot drugom;
  • na kontaktima je instaliran klackalica;
  • tijelo je sklopljeno natrag.
Korištenje prolaznih prekidača bit će prikladno ako kuća ima duge hodnike
Korištenje prolaznih prekidača bit će prikladno ako kuća ima duge hodnike

Također je moguće sastaviti jedan prekidač od dva jednostavna. Trebali bi ih postaviti jedan do drugog na takav način da se, kada se aktivira gornji dio tipke, uključi jedan, a donji drugi. Tipke trebaju biti povezane pločicom koja je zalijepljena na vrhu. Obavezno je postaviti kratkospojnik između dva susjedna kontakta.

Shema ožičenja prolazne sklopke s 2 mjesta

Krug prolaznog prekidača s dva mjesta provodi se pomoću dva prolazna uređaja s jednim ključem koji rade samo u parovima. Svatko od njih ima jedan kontakt na ulaznoj točki i jedan na izlaznoj točki.

Prije spajanja prolazne sklopke, shema ožičenja jasno prikazuje sve faze, prostorija bi trebala biti isključena pomoću odgovarajućeg prekidača smještenog na upravljačkoj ploči. Tada je potrebno dodatno provjeriti odsutnost napona u svim žicama prekidača. Da biste to učinili, upotrijebite poseban odvijač.

Koristan savjet! Slična provjera trebala bi se provesti na mjestima na kojima su ugrađeni sklopni uređaji.

Za dovršetak posla trebat će vam: ravna, križna i indikatorski odvijač, nož, bočni rezači, razina, mjerač vrpce i probojnik. Da biste instalirali prekidače i položili žice u zidove prostorije, treba napraviti odgovarajuće rupe i utore, prema rasporedu uređaja.

Za razliku od uobičajenih prekidača, prolazni prekidači nemaju dva, već tri kontakta i mogu prebaciti fazu s prvog kontakta na drugi ili treći
Za razliku od uobičajenih prekidača, prolazni prekidači nemaju dva, već tri kontakta i mogu prebaciti "fazu" s prvog kontakta na drugi ili treći

Važno! Nemoguće je instalirati prolazni prekidač umjesto jednostavnog prekidača.

Potrebno je položiti žice na udaljenosti od najmanje 15 cm od stropa. Mogu se postaviti ne samo na skriveni način, već i slagati u ladice ili kutije. Takva instalacija omogućuje brzo izvođenje popravaka u slučaju oštećenja kabela. Krajevi žica moraju se voditi u razvodne kutije, u kojima su također svi spojevi izvedeni pomoću kontaktora.

Postupak ugradnje prekidača s 2 točke: shema ožičenja

Sve radnje za ugradnju sklopnih uređaja provode se na temelju dijagrama povezivanja 2 mjesta prolaznih prekidača, koja se mogu naći na Internetu. Razlikuje se od ugradnje konvencionalnih prekidača, jer postoje tri žice umjesto uobičajene dvije. U ovom se slučaju dvije žice koriste kao prespojnik između dvije sklopke smještene na različitim mjestima u sobi, a treća služi za napajanje faze.

Bilo koja vrsta žarulje može se koristiti kao izvor osvjetljenja u takvoj shemi - od običnih žarulja sa žarnom niti do fluorescentnih, štedljivih i LED
Bilo koja vrsta žarulje može se koristiti kao izvor osvjetljenja u takvoj shemi - od običnih žarulja sa žarnom niti do fluorescentnih, štedljivih i LED

Za razvodnu kutiju mora biti prikladno pet žica: napajanje iz stroja, tri kabela koja vode do prekidača i utična žica usmjerena na osvjetljenje. Prilikom izrade dijagrama veze prolaznog prekidača s jednim ključem koriste se trožilni kabeli. Nula žice i uzemljenja vode izravno na izvor svjetlosti. Smeđa fazna žica, koja napaja struju, prolazi kroz sklopke, prema dijagramu, i izlazi na žarulju za osvjetljenje.

Koristan savjet! Da biste izbjegli probleme s budućim ožičenjima, preporučuje se uporaba bakrenih žica s presjekom od najmanje 2,5 mm2.

Prekidači su povezani na prekidu fazne žice, a nula, koja prolazi kroz razvodnu kutiju, usmjerena je na osvjetljenje. Preskakanje faze kroz prekidač osigurat će sigurnost tijekom popravka i održavanja svjetiljke.

Instalacija prolazne sklopke sastoji se od slijedećeg slijeda radnji:

  • skidanje krajeva žica s izolacije;
  • pomoću indikatora potrebno je odrediti faznu žicu;
  • pomoću uvijanja, fazna žica treba biti spojena na jednu od žica na prvom prekidaču (ovdje se koriste bijele ili crvene žice);
  • izvodi se žičana veza nultih stezaljki prekidača;
  • spajanje zasebne žice drugog prekidača na svjetiljku;
  • u razvodnoj kutiji, žica od svjetiljke povezana je s neutralnom žicom;
Kada sami instalirate prolazne sklopke, morate voditi računa o sigurnosti
Kada sami instalirate prolazne sklopke, morate voditi računa o sigurnosti

Koristan savjet! Ako se naprave uvijanje, treba ih zalemiti i omotati električnom trakom.

Prolazni prekidač: dijagram povezivanja od tri ili više mjesta

Ako postoji potreba za upravljanjem rasvjetnim uređajima s različitih mjesta, tada treba provesti dijagram prolaznog prekidača u 3 točke. To vrijedi za višespratnice, velike dvorane, duge hodnike s nekoliko izlaza. Za to je, uz dva uobičajena prolazna prekidača, potreban i poprečni prekidač. U takvom sklopnom uređaju ne postoje tri, već četiri kontakta: jedan par ulaza i dva izlaza, koji se istovremeno prebacuju. Da biste to učinili, upotrijebite četverožilni kabel.

Dijagram povezivanja triju prolaznih sklopki
Dijagram povezivanja triju prolaznih sklopki

U shemi ožičenja prolaznih prekidača s 3 položaja na prvoj i posljednjoj točki koriste se obični prekidači, između kojih je instaliran poprečni prekidač.

Koristan savjet! Budući da je odvajanje u razvodnoj kutiji sa svakom dodatnom točkom povezano s velikim brojem žica, preporuča se označavanje žica.

Dijagram povezivanja prolaznih sklopki s tri mjesta izgledat će ovako:

  • na žarulji se prikazuju "nula" i uzemljenje;
  • spajanje faze na ulaz prvog prolaznog prekidača;
  • pomoću žica, izlazni kontakti prvog prekidača povezani su s ulaznim parom stezaljki križnog prekidača;
  • povezivanje izlaznih žica križnog prekidača s parom terminala na izlazu drugog prolaznog prekidača;
  • žica od drugog prekidača dovodi se do svjetiljke;
  • druga žica, koja ide od svjetiljke, ide na razvodnu kutiju na nuli.

Povezani članak:

Utičnica: kako spojiti električne armature bez pomoći stručnjaka

Kako povezati utičnicu vlastitim rukama. Opis pripremnih mjera i tehnologija ugradnje. Pravila o rukovanju električnom energijom

Ako se upravljanje osvjetljenjem planira s više mjesta, u opću shemu uvode se dodatni križni prekidači koji su povezani prema gore navedenom principu.

Svaka prolazna sklopka ima trožični kabel, a crossover ima četverožični kabel. Sve žice koje se koriste za spajanje moraju biti istog presjeka. Prekidači koji mogu raditi na normalnoj struji 6,10 i 16A moraju imati jednaku ocjenu. Dijagram povezivanja prolaznih sklopki možete jasno vidjeti s 3 mjesta na specijaliziranim web mjestima na Internetu.

Postupak spajanja prolazne sklopke ne razlikuje se puno od spajanja konvencionalne sklopke
Postupak spajanja prolazne sklopke ne razlikuje se puno od spajanja konvencionalne sklopke

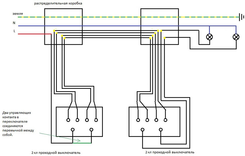
Dijagram veze prolaznog prekidača s dva ključa

Uz pomoć prolaznih prekidača možete upravljati ne samo jednom svjetiljkom, već i skupinom od nekoliko rasvjetnih uređaja. Da biste to učinili, spojite prekidače s dvije tipke kroz prolaz. Svaki od njih ima šest kontakata. Uobičajene žice određuju se na isti način kao i za konvencionalne uređaje, ali treba zvoniti više žica.

Razlika između sheme povezivanja dvostrukog prolaznog prekidača je u tome što se ovdje koristi više žica. Faza se primjenjuje na oba ulaza prvog prekidača. Iz dva ulaza druge sklopke trebale bi izlaziti žice za dvije svjetiljke. U slučaju organiziranja upravljanja osvjetljenjem s tri ili više točaka, za svaku od njih treba ugraditi dvije križne sklopke, jer se proizvode samo s jednim ključem.

Shema ožičenja prekidača s dva ključa
Shema ožičenja prekidača s dva ključa

U ovom slučaju, prema načelu povezivanja dvopropusnih prekidača s križnim prekidačima, prvi par kontakata trebao bi biti povezan s jednim križem, a drugi - s drugim. Ako je potrebno, uređaji su međusobno povezani.Izlaz obje križne sklopke mora biti spojen na zadnji kratkospojnik s dva ključa.

Poznati proizvođači prolaznih sklopki

Tvrtka Legrand zauzima vodeću poziciju na tržištu električne robe. Potražnja za Legrandovim prolaznim prekidačima posljedica je visoke kvalitete proizvoda, jednostavnosti instalacije, praktičnosti u daljnjem radu, modernog dizajna i fleksibilne politike cijena. Jedini nedostatak je potreba za podešavanjem mjesta montaže. Ako se ne podudara s proizvodom, mogu se pojaviti poteškoće tijekom njegove ugradnje, koja se provodi prema shemi povezivanja prolaznog prekidača Legrand.

Legrandovi prolazni prekidači
Legrandovi prolazni prekidači

Podružnica Legrand je kineska tvrtka Lezard. Međutim, od originalne marke ostao je samo moderan dizajn. Kvaliteta izrade znatno je niža zbog niske cijene proizvoda.

Jedan od vodećih domaćih proizvođača električne robe je Wessen, koji je dio Schneider Electric-a. Svi proizvodi proizvedeni su pomoću najnovijih tehnologija na modernoj inozemnoj opremi i u skladu su s europskim standardima kvalitete. Modeli imaju svestrani stilski dizajn koji omogućuje da se svaki element uklopi u bilo koji interijer sobe. Karakteristična značajka Wessenovih prekidača je sposobnost zamjene ukrasnog okvira bez demontaže uređaja.

Sljedeći podjednako poznati proizvođač je turska tvrtka Viko. Proizvode odlikuje visoka kvaliteta izrade, pouzdanost i trajnost, udovoljavaju zahtjevima električne sigurnosti i europskim standardima kvalitete. U proizvodnji tijela uređaja koristi se vatrootporna trajna plastika koja je dizajnirana za velik broj radnih ciklusa.

Prolazni prekidač, za razliku od uobičajenog, ima tri vodljive žice
Prolazni prekidač, za razliku od uobičajenog, ima tri vodljive žice

Turska marka Makel nudi kvalitetne, pouzdane, sigurne i moderne proizvode. Zahvaljujući mogućnosti spajanja petlje bez potrebe za upotrebom razvodne kutije, instalacija prekidača postaje jednostavnija, a daljnji rad postaje udoban i siguran.

Popularni niz prolaznih sklopki

Legrand prolazne sklopke iz serije Velena odlikuju se elegantnim dizajnom i raznovrsnim varijacijama boja. Evo proizvoda s jednim i dva ključa koji imaju zaštitni sloj od prašine i vlage. Prekidač možete kupiti od 300 rubalja.

Serija Celiane uključuje proizvode s kružnim ključevima upisanim u kvadrat. Mogu biti beskontaktni s polugama ili nečujni. Troškovi prekidača počinju od 700 rubalja. Ekskluzivni program Celiane predstavljen je ograničenim brojem ručno izrađenih prekidača od mramora, bambusa, porculana, zlata, mirte i drugih materijala. Okviri se izrađuju isključivo po narudžbi. Cijena proizvoda počinje od 5,9 tisuća rubalja.

Boje za Celiane prekidače
Boje za Celiane prekidače

Najpopularnije serije prekidača tvrtke Lezard su Demet, Mira i Deriy. Ovdje su proizvodi od nezapaljivog polikarbonata koji udovoljavaju zahtjevima električne sigurnosti. Vodljivi elementi izrađeni su od fosforne bronce, koju karakterizira velika vodljivost i slabo zagrijavanje. Prekidač s jednim ključem možete kupiti od 125 rubalja.

Serija okvira Wessen W 59 koristi modularni princip, omogućavajući da se 1 do 4 jedinice montiraju u jedan okvir vodoravno ili okomito. Cijena proizvoda je 140 rubalja. Pojedinačni i dvostruki prolazni prekidači iz serije Asfora odlikuju se jednostavnim dizajnom, ali visokokvalitetnim izvedbama, koje se mogu kupiti za 450 rubalja.

Među popularnim serijama Makela su Defne i Makel Mimoza. Kućište uređaja izrađeno je od visokokvalitetne plastike, opremljeno unutarnjim pouzdanim mehanizmom. Troškovi proizvoda počinju od 150 rubalja.

Kada se pritisne tipka za uključivanje / isključivanje, pokretni kontakt prolazne sklopke prebacuje se s jednog kontakta na drugi, stvarajući tako uvjete za novi krug u budućnosti
Kada se pritisne tipka za uključivanje / isključivanje, pokretni kontakt prolazne sklopke prebacuje se s jednog kontakta na drugi, stvarajući tako uvjete za novi krug u budućnosti

Načelo rada i ugradnja sklopnih uređaja ne predstavljaju značajne poteškoće. Prvo je potrebno proučiti shemu povezivanja i slijediti preporuke pravila električne sigurnosti, što će omogućiti pouzdanu i sigurnu ugradnju uređaja, pružajući tako prikladnu i udobnu kontrolu rasvjetnih uređaja u kući.

Kako spojiti prolazni prekidač: dijagrami video veze