Da bi se osiguralo optimalno postavljanje uređaja za ožičenje u sobi, poželjno je znati točne dimenzije utičnice. Dizajn se sastoji od priključnog bloka, utičnice i ukrasnog okvira, stoga je potrebno uzeti u obzir ne samo ukupne dimenzije proizvoda, već i veličinu svih njegovih komponenata. Iz ovog članka možete saznati o tipičnim i najčešćim veličinama prodajnih mjesta, kao i o standardima koji se koriste prilikom njihove instalacije.
Sadržaj
Opće karakteristike i dimenzije standardne utičnice
Postoje određeni standardi kojih se treba pridržavati tijekom instalacije prodajnih mjesta. Neki od ovih propisa odnose se na same uređaje.
Prema načinu ugradnje i vrsti dizajna, utičnice su:
- ugrađeni;
- fakture;
- prijenosni.
Ugrađeni ili udubljeni proizvodi ugrađuju se u zidove od opeke, betona, kamena, armiranog betona i drugih sličnih materijala. Dopuštena je instalacija u tanke kompozitne pregrade. Takvi materijali uključuju gipsane ploče, MDF i iverice.
Tehnologija montiranja utičnica u suhozidu prilično je jednostavna. Uređaj za ožičenje mora se postaviti u prethodno pripremljenu rupu i osigurati. Mehanizam je fiksiran pomoću vijaka i posebnih odstojnika koji se nalaze u utičnici. Nakon instalacije uređaj je prekriven ukrasnim poklopcem za utičnice.
Površinski montirane utičnice koriste se u slučajevima kada je ožičenje u sobi instalirano na otvoren način. Ova se opcija obično nalazi u drvenim kućama.
Važno! Protivpožarna pravila zabranjuju povlačenje električnih kabela unutar trupaca, tako da se instalacija ožičenja i svih ožičenja izvodi samo na otvoren način. U ove svrhe predviđene su posebne utičnice.
Postoje razne nadzemne utičnice. Ovi se proizvodi ugrađuju na lajsnu. Ova se opcija koristi kada se ožičenje provodi nakon popravka.U tom su slučaju svi kabeli skriveni unutar lajsni.
Općenito, nadgradne utičnice nisu toliko izdržljive kao ugradbene opcije i često su upečatljive. Kako mjesto instalacije ne bi privuklo previše pažnje, uređaj je usklađen s tonom zidova ili podnožja. Alternativno se mogu koristiti tanke, nadzemne rozete. S ukupnim dimenzijama 86x86 mm, dubina takvih proizvoda je samo 25 mm (kineski proizvodi).
Prijenosne verzije izrađene su u obliku produžnih kabela. Dodatno su opremljeni utikačem i kabelom. Najčešće se takvi dizajni sastoje od dvije ili tri utičnice.
Dio tijela utičnica izrađen je od različitih materijala:
- plastika;
- karbolit;
- keramika;
- gume (guma).
Veličina utičnica s okvirom ne ovisi samo o proizvođaču, već i o namjeni strukture, kao i dostupnosti dodatnih funkcija.
Tipične dimenzije zidnih ugradnih utičnica
Da bi stvorili utičnice ugrađenog tipa, proizvođači najčešće koriste polikarbonatnu ili ABS plastiku s povećanim karakteristikama čvrstoće. Takvi su proizvodi prikladni i za stambene i za industrijske prostore. Širina plastičnih rozeta je 65 do 86 mm. Duljina (visina) varira između 65-366 mm. Dubina najmanjih proizvoda je 11 mm. Ova brojka može biti najviše 55 mm.
Raspon veličina tipičnih proizvoda:
| Duljina mm | Širina, mm | Dubina mm |
| 65 | 65 | 11 |
| 71 | 71 | 30 |
| 75 | 75 | 35 |
| 80 | 80 | 38 |
| 161 | 82 | 40 |
| 244 | 84 | 41 |
| 295 | 85 | 50 |
| 366 | 86 | 55 |
Minimalna udaljenost između odstojnika je 50 mm. Bez obzira na model, ta udaljenost ne smije prelaziti 71 mm. Radna temperatura utičnica je u rasponu od 25-35 ° C. Ovaj je pokazatelj zajednički svim proizvođačima. Dimenzije dvostrukih izlaza nisu jasno definirane. Parametri ovise o proizvođaču, značajkama dizajna proizvoda i dizajnu.
Parametri najčešćih modela:
| Strukturni element | Duljina (visina), mm | Širina, mm | Debljina, mm |
| Baza radnog dijela | 71 | 71 | 30,7 |
| Zaštitni okvir na utičnici | 122 | 81 | 21,6 |
Dvostruki modeli imaju jednu utičnicu. Kutija za utičnice ovog tipa ima dva žičana priključna bloka. U ovom slučaju, montažni dio, gdje se nalaze žice, imaju zajednički.
Važno! Materijal žice mora biti identičan. Ako se bakar koristio za proizvodnju kabela trupa, tada bi skakač trebao biti isti - bakar.
Specifikacije utičnice: Standardni napon mreže
Za Rusiju je općenito prihvaćeni naponski standard u mreži 380 i 220V. Uređaji za ožičenje za kućanstvo dizajnirani su za 220V. Druga se opcija koristi u industrijske svrhe. To su utičnice. Ponekad se trofazne mreže mogu naći i u privatnim kućama, gdje također može biti prisutan napon od 380V, tako da armatura mora biti odgovarajuća. U Japanu i SAD-u standard napona je 100-127V. Električni priključci koje proizvode ove zemlje nisu prikladni za spajanje na mreže velike snage.
Utičnice za kućanstvo dizajnirane su za spajanje električnih uređaja, čija snaga nije veća od 3,5 kW, a trenutna snaga je do 16A. Ovi parametri odgovaraju hladnjaku, perilici rublja, računalu, televizoru i drugoj opremi. Moćniji potrošači mogu se koristiti i kod kuće. To uključuje kotlove i kotlove za grijanje koji se napajaju električnom energijom. U takvim je slučajevima potrebna instalacija utičnica. Postoje i industrijske verzije uređaja dizajniranih za jačinu struje do 32A. Često se koriste u svakodnevnom životu, gdje je napon u mreži 220V.
Da biste spojili kotao, trebate popraviti samo glavne vodiče - nulu i fazu, kao i spojiti zemlju, ako postoji. Na domaćem tržištu vrlo je rijetko pronaći kućanske utičnice dizajnirane za veliku amperažu, što uzrokuje neke poteškoće.
U hotelima i drugim javnim mjestima, kao i u poduzećima, mora postojati oznaka u skladu s GOST-om. Naljepnice za 220V utičnicu veličine 11x35 mm odgovaraju okvirima većine proizvođača. Oni udovoljavaju zahtjevima iz točke 11.6.2 da svi utikači moraju biti označeni vrstom struje (izmjeničnom ili izravnom) i nazivnim naponom mreže.
Dimenzije standardnih utičnica
U kućnom okruženju koriste se utičnice. Ova vrsta priključka omogućuje povezivanje električnih uređaja na izvor napajanja putem utikača. Sam dizajn ima oblik ženskog konektora, čime se eliminira mogućnost da dijelovi pod naponom dođu u kontakt sa stranim predmetima.
Ukupne dimenzije su duljina, širina i debljina proizvoda. Standardna veličina utičnih utičnica je 80x80x34 mm. Postoje i druge mogućnosti. Sve ovisi o vrsti konstrukcije i načinu ugradnje.
Standardni parametri dvopolnih utičnica (250V, 6A):
| Ime | Duljina mm | Širina, mm | Debljina, mm |
| Dimenzije ugradne utičnice | |||
| RS6-252 | 80 | 80 | 34 |
| RS6-122 | 81 | 81 | 43 |
| 2RS6-071 (dvostruko) | 94 | 80 | 51 |
| Dimenzije nadzemnih utičnica | |||
| PA6-252 | 60 | 60 | 37 |
| PA6-123 | 60 | 60 | 37 |
| 2RA6-072 (dvostruko) | 98 | 60 | 37 |
| 2RA36-043 (dvostruko) | 98 | 60 | 37 |
| 2RA6-119 (dvostruko) | 98 | 60 | 37 |
| PA16-251 (dvostruko, bočno tlo) | 60 | 60 | 48 |
| RA16-117 (dvostruko, bočno uzemljenje) | 60 | 60 | 48 |
Bilješka! Sve utičnice naznačene u tablici odgovaraju četvrtoj kategoriji postavljanja (unutarnje grijane prostorije s umjetnom ventilacijom, bez niskih temperatura, niska koncentracija prašine, sposobnost regulacije temperaturnog režima). Dizajnirani su za umjerene i hladne makroklimatske regije (UHL).
Univerzalni okovi: veličine okvira i utičnica
Preporučljivo je znati dimenzije prekidača s okvirom i svih utičnica u fazi projektiranja komunikacija. Na temelju tih podataka odabire se optimalno mjesto za ugradnju uređaja za ožičenje u sobi.
Budući da se vanjske dimenzije proizvoda razlikuju od različitih proizvođača, bolje je unaprijed odlučiti o marki i modelu električnog pribora. To je glavna poteškoća. Većina vlasnika u fazi projektiranja i polaganja komunikacija još ne znaju točno koji će biti konačni popravak. Iz tog se razloga kupnja uređaja za ožičenje, utičnica i ostalih dodataka provodi neposredno prije njihove ugradnje.
Veličina uređaja za ožičenje uvelike ovisi o ukrasnom poklopcu. Dimenzije vidljivog dijela udubljenog proizvoda odgovarat će dimenzijama okvira utičnice koji dolazi s njim. Iz ovog pokazatelja morate se nadovezati, provodeći izračune za buduće knjiženje.
Utičnice i ugradbeni prekidači sastoje se od sljedećih komponenata:
- podrška;
- mehanizam;
- okvir;
- prednja ploča (prekidači imaju tipke).
Neki proizvođači nude kompletne komplete. U ostalim se slučajevima dijelovi moraju kupiti zasebno. Po želji možete promijeniti dizajn utičnica zahvaljujući uklonjivom priboru. Standardni okviri imaju univerzalne dimenzije, pa su prikladni za sve uređaje za ožičenje koji pripadaju istoj seriji. Mogu se kombinirati s utičnicama, prekidačima, prigušivačima i prekidačima.

Okviri različitih proizvođača imaju različite veličine, pa se moraju kupiti istodobno s prodajnim mjestima
Dimenzijska mreža i značajke Legrandovih utičnica
Legrand (Francuska) je dugi niz godina lider na europskom tržištu. Proizvode ovog proizvođača odlikuju stilski dizajn, trajnost i pouzdanost, kao i prihvatljive cijene.
Standardne veličine Legrandovih utičnica (utikač):
| Visina, mm | Širina, mm | Dubina mm |
| 75 | 75 | 11 |
| 161 | 82 | 11 |
| 244 | 82 | 11 |
| 295 | 84 | 11 |
| 366 | 86 | 11 |
Utičnice su ekonomične, sigurne i jednostavne za ugradnju. Strukture imaju vodootporna svojstva.Tvrtka nudi nekoliko linija uređaja za ožičenje odjednom, tako da kupci imaju ogroman izbor.
Dimenzijski parametri pojedinačnih Legrandovih utičnica (popularne serije):
| Naziv serije | Visina, mm | Širina, mm | Dubina mm |
| Hod | 75 | 75 | 11 |
| Valen | 82 | 82 | 11 |
| Selyan | 84 | 161 | 11 |
| Život | 86 | 114 | 11 |
Tablica prikazuje dimenzije uređaja za ožičenje zajedno s Legrandovim okvirima odgovarajuće serije. Dubina radnog dijela proizvoda standardna je za sve utičnice ovog proizvođača. To je 43 mm.
Bilješka! Samo utikači s utikačem tipa uzemljenja mogu stati u utičnicu za uzemljenje. Uređaji za ožičenje Legrand mogu raditi u mreži u kojoj je napon 230V. Najveće dopušteno opterećenje je 3,5 kW.
Veličine modernih prodajnih mjesta s okvirima: Legrand, Schneider Electric i ABB Busch-Jaeger
Skupi ekskluzivni modeli uređaja za ožičenje, u pravilu, imaju nestandardne dimenzije. Okviri za utičnice elitne klase često su mnogo veći od onih kod konvencionalnih proizvoda. Ako budući dizajn interijera ne uključuje kupnju skupih statusnih modela, možete se ograničiti na popularne opcije koje su što bliže standardima.
Kao vodič mnogi kupci koriste dimenzije utičnica Legrand Valen. Proizvodi ovog proizvođača u skladu su s europskim standardima i istovremeno kombiniraju optimalne karakteristike. Ne morate biti ograničeni samo na tu marku. Postoje i drugi proizvođači koji proizvode modele iste klase i kvalitete. U većini slučajeva njihove će se dimenzije podudarati s dimenzijama Legrandovih utičnica ili će im biti što bliže.
Vanjske dimenzije pojedinačnih utičnica Valena su 82x82x11 mm. Dubina radnog dijela - 43 mm. Da biste usporedili parametre, možete uzeti modele drugih proizvođača koji imaju sličnu klasu. Uspoređujući podatke, možete vidjeti da je razlika samo nekoliko milimetara. U većini slučajeva, prilikom instaliranja uređaja za ožičenje, takva odstupanja nisu kritična.
Na primjer, dimenzije prodajnih mjesta Basic 55 njemačke marke ABB Busch-Jaeger, zajedno s okvirom, iznose 84x84x11 mm. Dubina mehanizma uređaja za ožičenje je 41 mm. Proizvodi francuske tvrtke Schneider Electric pripadaju istoj klasi električnog pribora. S ukupnim dimenzijama 80x80x7 mm, dubina mehanizma utičnice Sedna iznosi 44,6 mm.
To znači da se možete sigurno usredotočiti na dimenzijske parametre rozeta s okvirima Legrand Valen, koji se uzimaju kao prosjek. Ako dođe do bilo kakvih promjena tijekom postupka popravka, tada će se proizvodi ABB Busch-Jaeger, Schneider Electric i drugih marki iste klase bez problema uklopiti u cjelokupnu sliku.
Koristan savjet! Prilikom postavljanja jednostrukih i dvostrukih utičnica s ugrađenom strukturom, poželjno je u čaši ostaviti opskrbu žicom - oko 5-6 cm.
Standardni okviri za rozete i formula za izračunavanje dimenzija
Ako trebate znati dimenzije okvira s dvije točke spajanja, trebali biste se voditi veličinom dvostrukih utičnica Legrand iste serije. Isto vrijedi i za dizajne s tri i četiri mehanizma.
Standardne dimenzije blokovskih utičnica Velen (s okvirima):
| Broj utičnica u okviru, kom. | Visina, mm | Širina, mm | Dubina mm |
| 2 | 82 | 153 | 11 |
| 3 | 82 | 224 | 11 |
| 4 | 82 | 295 | 11 |
| 5 | 82 | 366 | 11 |
Svaki slobodni prostor za ugradnju utičnice u okvir naziva se "post". Sukladno tome, okviri dizajnirani za dva mehanizma - dvostruki, itd. Nije potrebno koristiti seriju Valen kao jedini mogući standard. Širinu proizvoda možete izračunati pomoću univerzalne formule:
Širina pojedinačne utičnice + (Broj utičnica - 1 kom.) X 71 mm = Širina blok okvira
Ako želite znati širinu utičnice za 4 utičnice, na primjer, francuske marke Schneider Electric, izračun će izgledati ovako: 80 mm + (4-1) x 71 mm = 293 mm.Ako pojedinačna utičnica Sedna ima dimenzije 80x80x7 mm, tada je četverotočka 80x293x7 mm.
Da biste izračunali dimenzije trostrukih utičnica ABB Busch-Jaeger Basic 55, samo uzmite širinu jednog stupa (84 mm) i opet upotrijebite formulu: 84 mm + (3-1) x 71 mm = 226 mm. Kao rezultat, dimenzije strukture s tri stupa bit će 84x226x11 mm.
Povezani članak:
Ugradnja utičnica u betonske zidove i tanke pregrade od gips kartona
Nijanse instaliranja kutija za ožičenje uređaja u čvrstim zidovima i tankim pregradama, detaljna tehnologija.
Utičnice s više točaka ili blokovi idealne su za spavaće sobe, dnevne sobe, kuhinje i urede. Omogućuju spajanje nekoliko električnih uređaja odjednom na jedan izvor napajanja.
Europski i domaći standardi za postavljanje utičnica i sklopki
Za prodajna mjesta osiguran je sustav međunarodnih standarda. Međutim, još uvijek postoje mnoge razlike između električnih armatura u različitim zemljama. To se uglavnom odnosi na konfiguraciju utikača. Pribadače na njemu mogu imati različite oblike i nalaze se na različitim udaljenostima. To nije moglo ne utjecati na prodajna mjesta.
Dizajn većine uređaja za ožičenje prilično je jednostavan, pa je u osnovi dijagram povezivanja svugdje jednak. Domaći čepovi se ne kombiniraju s nekim utičnicama europskog standarda. Ako mehanizam ima ravne rupe, čep s okruglim zupcima jednostavno neće stati. Dimenzije svih prodajnih mjesta približno su iste. No, broj rupa može biti različit, kao i priroda njihova postavljanja.
Na veličinu uređaja također utječe prisutnost uzemljenja. Ako je ukupna veličina ugrađene utičnice 185x190x85 mm, tada će isti model s kontaktima za uzemljenje imati dimenzije 230x190x85 mm. Shema ožičenja također će biti drugačija, budući da se u njemu pojavljuje treći kabel.
Razlike između domaćih modela i utičnica europskog standarda
Većina proizvoda na tržištu su utičnice C6 koji su u skladu s europskim standardom. Promjer iglica u takvim izvedbama je 4,8 mm. Utičnice su opremljene kontaktima za uzemljenje. Europski uređaji dizajnirani su prema njemačkim standardima.
U prodaji su i utičnice u sovjetskom stilu. Za domaće modele tipa čepa, promjer iglica je 4 mm. Razmaknuti su 19 mm. Ovi parametri odgovaraju utičnicama C5, koje ne pružaju kontakte za uzemljenje.
Bilješka! Ako u mehanizmu postoji kontakt opruge, tada će i europski i sovjetski utikači (C5 i C6) stati u utičnicu.
Dimenzije moderne armature, kao i dimenzije kutija za utičnice, mnogo su manje od onih u mehanizmima starog stila. Iz tog razloga stručnjaci preporučuju, kad god je to moguće, zamjenu metalnih naočala plastičnim verzijama ovih proizvoda. Činjenica je da čelične noge nisu načini za pružanje normalne potpore. Takve utičnice neće se dobro uklopiti u montažne rupe. Možete koristiti posebne brtve, ali one će biti samo privremena mjera i neće trajati dugo.
Veličine naočala za utičnicu i pravila za njihovo postavljanje u sobe
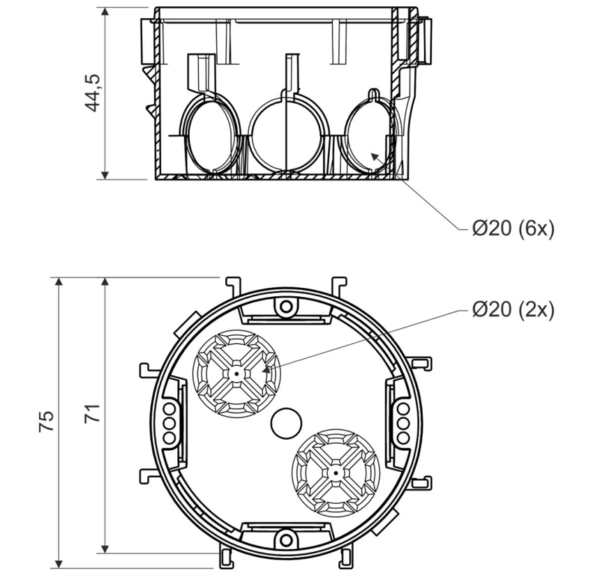
Kutije za utičnice izrađene su od drveta, metala i trajne plastike. Koriste se za fiksiranje uređaja za ožičenje unutar zidova prostorije. Dimenzije rupa za utičnicu ovise o veličini stražnje kutije. Promjer naočala kreće se od 50 do 70 mm, a dubina od 40 do 80 mm. Prosječno je visina utičnih kutija 116 mm. Debljina ovih proizvoda je približno 23 mm.
Tipične dimenzije razvodnih kutija:
| Promjer, mm | Visina, mm | Dubina mm |
| 50 | 116 | 40 |
| 60 | 116 | 45 |
| 65 | 116 | 68 |
| 68 | 116 | 70 |
| 70 | 116 | 80 |
Najčešće se za ugradnju uređaja za ožičenje koriste okrugle kutije promjera 68 ili 70 mm. Za oblikovanje rupa za njih koriste se krunice za utičnice veličine 70-72 mm.Na prodaju postoje utičnice univerzalnog tipa. Ti su proizvodi veliki - 83 mm.
Kada instalirate naočale za utičnice, trebate odabrati visinu koja udovoljava zahtjevima prostorije. Prema europskom standardu, uređaji za ožičenje moraju se nalaziti u različitim dijelovima prostorije. Distribucija prodajnih mjesta po sobi ima svoje prednosti jer neće trebati koristiti produžne kabele. Ova je opcija prikladnija od instaliranja blokovske strukture na jednom mjestu.
Koristan savjet! Pri izračunavanju broja prodajnih mjesta za sobu, poželjno je dodati malu marginu.
Osnovna pravila za projektiranje ožičenja:
- Preporučljivo je unaprijed planirati situaciju. Pri odabiru mjesta za ugradnju električnih instalacija treba uzeti u obzir raspored namještaja i namjeravani smještaj kućanskih aparata.
- Osiguran je besplatan pristup utičnicama. Ne prekrivajte ožičenje uređajima komadima namještaja i drugim dimenzijskim predmetima.
- Udaljenost između utičnica izračunava se tako da se bilo koji dio prostorije može lako očistiti usisavačem.
- Mjesto uređaja za ožičenje ovisi o namjeni prostorije. U skladištima se postavljaju blizu ulaza. U dnevnim boravcima preporučljivo je postaviti utičnice u rekreacijsko područje.
- Visina ugradnje utičnica i prekidača također ovisi o dizajnu prostorije. Uz to, treba uzeti u obzir rast vlasnika.
Standardi za postavljanje razvodnih kutija za unutarnje izlaze
Prema europskom standardu, utičnice za spajanje kućanskih aparata moraju biti postavljene na visini od 30 cm od razine poda. Ovaj raspored ima svoje prednosti jer će žice instrumenta biti na dnu. Dakle, neće biti vrlo uočljivi i neće pokvariti izgled interijera, a također neće stvarati probleme pri uređenju namještaja. Uz to kablovi koji se nalaze na podu ne ometaju prolaz.
Prekidači su postavljeni na visini od 90 cm. Ovaj se parametar smatra najboljom opcijom, jer svaki član obitelji može bez problema uključiti osvjetljenje. Čak i dijete može koristiti prekidač instaliran na ovoj razini. Prema sovjetskim standardima, utičnice su instalirane na visini od 90 cm od poda. Prednost ove metode je u tome što se ne morate saginjati da biste priključili ili odspojili utikač.
Osim toga, prema standardu, visina radnog mjesta je 0,75-0,8 m, što znači da će utičnica na visini od 0,9 m biti iznad stola. Zahvaljujući tome, na mrežu će biti moguće povezati bilo koji stolni uređaj (svjetiljka, audio oprema, oprema za akvarij), čak i ako imaju kratki kabel. Istodobno, mala djeca ne mogu doći do takvog prodajnog mjesta. Vođeni ovim pravilima, utičnicu možete instalirati i u betonske zidove i u pregrade od drugih materijala.
GOST je regulirao položaj ne samo utičnica, već i prekidača. Smatralo se da je optimalna razina za postavljanje preklopne sklopke visoka 1,6 m. Zahvaljujući tome, prekidač je uvijek bio u vidnom polju. Ovom se instalacijom preklopni prekidač nalazi u razini glave, pa ga je lako pronaći u zatvorenom, čak i ako je u blizini namještaj.
U hodniku se možete ograničiti na ugradnju 2-3 utičnice. To je dovoljno za spajanje električne sušilice za cipele i usisavača. Ako se u hodniku nalaze police, pored njih možete instalirati još jedan konektor za punjenje telefona. Kupaonica obično ima bojler i perilicu rublja. Neki ljudi koriste sušilo za kosu i električni brijač u zatvorenom. Za ovu će sobu biti dovoljne 2-3 utičnice.
Veliki broj električnih uređaja nalazi se u dnevnoj sobi.Stoga se preporuča ugraditi 1-2 utičnice u svaki zid prostorije. Preporučljivo je koristiti blok strukture. U kuhinji se nalazi i veliki broj kućanskih aparata i raznih kućanskih aparata. Neki od njih rade stalno, drugi se koriste povremeno. Utičnice u ovoj sobi instalirane su u skladu sa sigurnosnim standardima. Za spavaću sobu dovoljna su 4 konektora.
Prilikom postavljanja utičnica, posebnu pozornost treba obratiti na udobnost i sigurnost. A dimenzije uređaja za ožičenje i njihove karakteristike odabiru se u skladu sa zahtjevima mreže i uređaja. Pridržavajući se općeprihvaćenih standarda i sigurnosnih mjera predostrožnosti, prodajna mjesta možete lako instalirati sami.



















