Egy külvárosi terület minden tulajdonosának rendelkeznie kell WC-vel szagtalan és szivattyúzás céljából. Végül is nincs mindenhol központosított szennyvízcsatorna, és senkinek sem öröm, ha állandóan bütyköl a tisztítóedény tisztításában. Milyen módszerek léteznek manapság ennek a problémának a megoldására? Vizsgáljuk meg, hogy milyen nehézségek merülnek fel a cesspool fenntartása következtében, és mit kínálnak nekünk a szivattyúzást nem igénylő rendszerek modern gyártói.

A szeptikus tartály felszerelése kiváló lehetőség a szennyvízkezelés problémájának megoldására dacha
Tartalom
A cesspoolok hátrányai
A cesspool udvarán tartás bizonyos kellemetlenségekkel jár:
- A magas üzemeltetési költség - a felgyülemlett hulladék folyamatos kiszivattyúzásának igénye, amely rendszeres költségeket generál.
- Nagyon kellemetlen szag érezhető a gödörtől néhány méteres körzetben.
- Idővel a gödör falainak tömörsége megszakadhat, ami a tisztítatlan szennyvíz közvetlenül a földbe távozásához vezet.
- Ha van egy cesspool a helyszínen, akkor elfelejtheti saját kútját, mivel ez nagyon nem biztonságos.

Rendszer tuatel építése egy nyári rezidencia számára aljzat nélküli és üreges eszközök
Kétségtelen, hogy az üstökös kiszivattyúzása nem kellemes folyamat. Nem csak kellemetlen szag kíséri, hanem sok pénzbe is kerül. De mint tudják, a kereslet kínálatot teremt, és ma már több lehetőség kínálkozik ennek a problémának a megoldására.
Szagtalan és kiszivattyúzott WC: három lehetséges lehetőség
Vizsgáljuk meg közelebbről a víztömeg három legnépszerűbb és legkorszerűbb alternatíváját:
- Szekrények.
- Túlfolyó műanyag vagy beton szeptikus tartályok.
- Modern tisztító rendszerek.
A biológiai hulladék feldolgozásának melyik módját választja, közvetlenül függ az országban élő emberek számától és szezonalitásától, anyagi lehetőségeitől, valamint a WC-k elhelyezéséhez a helyszínen rendelkezésre álló feltételektől. Részletesen megvizsgáljuk az összes javasolt lehetőséget és a telepítésükhöz szükséges követelményeket.
Tőzegszekrény egy nyári rezidenciához
A tőzegszekrény képes megoldani a hulladék vízfelhasználás nélküli eltávolításának problémáját. A vélemények szerint a nyaralók száraz szekrényei a legegyszerűbb és legolcsóbb megoldás a centralizált szennyvíz hiányának problémájának megoldására.Sőt, az emberi hulladékok feldolgozása során egy ilyen eszköz kiváló műtrágyát termel a talaj számára.
WC az országban, méretek amelyek meglehetősen kompaktak, nagyon hasznosak lesznek, mert minimális helyet foglalnak el. A munkájához csupán tőzeg szükséges a tőzeg WC-hez, amely könnyen megvásárolható a boltban.
A keveréket használat előtt a WC-csésze felső tartályába öntjük. Az alsó részt, ahová a hulladék közvetlenül kerül, tőzeggel töltik meg, így az alját kb. 1 cm-rel eltakarja. A WC használata után csak egy speciális fogantyút kell elfordítania, amely felelős a tőzeg részenkénti ürítéséért a felső tartályból az alsóba.
Az anaerob mineralizáció folyamata lehetővé teszi, hogy a tőzeg a bejövő hulladékot műtrágyává alakítsa, amely a talajjal keveredve komposztot képez és jelentősen javítja a talaj termékenységét.
A vélemények szerint elegendő havonta egyszer megtisztítani egy tőzegszekrényt egy nyári rezidenciához, akár rendszeres használat mellett is. A tőzeg nagy abszorpciós képessége lehetővé teszi, hogy 10 kg folyadékot dolgozzon fel 1 kg keverékben.

Tőzeg WC-eszköz: 1 - szellőzőcső; 2 - WC-fedél; 3 - WC-ülés; 4 - hulladéktartály; 5 - terméktest; 6 - tartály tőzegkeverékhez; 7 - tömlő folyékony hulladék elvezetésére
Ha a cél egy szagtalan WC az országban, akkor a tőzegszekrény kiváló megoldás.
Azonban, amint már említettük, minden eszköznek megvannak a maga telepítési és üzemeltetési árnyalatai. A következőkre kell gondolni, mielőtt tőzegszekrényt vásárolna:
- az ideális hely egy ilyen eszköz elhelyezésére egy WC-vel ellátott közműblokk egy nyári rezidencia számára. Ez automatikusan megoldja a kellemetlen szag lehetséges maradványaival kapcsolatos összes problémát;
- a folyadék egy része elpárolog a WC-ből, de az összes folyékony tömeg teljes eltávolításához fel kell szerelni vízelvezető rendszer... Ha tőzeg WC-t akar telepíteni közvetlenül a házba, gondolja előre, hová kerül a leeresztő tömlő.
Fontos megjegyezni, hogy az országban a jó, szagtalan WC garantálja a helyiség szellőztetését.
Hasznos tanácsok! A kényszerített szellőzés kiváló megoldás WC-vel ellátott helyiségek számára, különösen, ha sok ember használja. Az axiális ventilátor falba szerelésével örökre megfeledkezik a fürdőszoba kellemetlen szagáról.
Túlfolyó műanyag vagy beton szeptikus tartályok
A WC-k elrendezésének másik lehetősége az országban anélkül, hogy csatlakozna egy központi csatornarendszerhez, a helyi szeptikus berendezések. A szeptikus tartály olyan rendszer, amelyet a tartályba kerülő szennyvíz összegyűjtésére és tisztítására terveztek.
A szeptikus tartályok működési elve a következő: a szennyvíz a csöveken keresztül egy speciális tartályba áramlik, amely három szakaszra oszlik. Az első a tartalom ülepítésének és frakciókra osztásának folyamata. A másodikban a folyadékot speciális baktériumok segítségével tisztítják. A harmadik tartályban a már megtisztított víz ismét átmegy az ülepedési folyamaton, majd ezt követően a szűrőmezőkbe viszi.
Hasznos tanácsok! Ha webhelye területe nem teszi lehetővé a szűrőmezők létrehozását, vagy valamilyen más okból nem kívánja ezt, akkor lehetőség van biológiai szűrővel rendelkező modell telepítésére, amely mélytisztítást biztosít. Ebben az esetben a szennyvíz teljesen megtisztul, és nem igényel további talajszűrést.
Korszerű szennyvíztisztító rendszerek
A modern tisztító rendszerek lényegében ugyanazok a fejlettebb szeptikus tartályok, amelyek nagyszámú tisztítási szinttel rendelkeznek. Vegye figyelembe a helyi használatra leggyakrabban alkalmazott tisztítási módszereket:
- ultraszűrés;
- reagens ioncsere;
- elektrokémiai lerakódás;
- kémiai elemeknek való kitettség;
- membrán reverz ozmózis.
Az ultraszűrés lehetővé teszi a szennyvíz olyan hatékony tisztítását, hogy lehetővé válik egy zárt kör alakú vízellátó rendszer. Vegyszerek (klór, nátrium, fluor, foszfor) használata nélkül ez a módszer lehetővé teszi a víz tisztítását, mielőtt újra felhasználható lenne.
A reagens ioncserélő rendszerek lehetővé teszik a víztisztítás gyorsabbá tételét, miközben a kívánt szintre puhítják.
Az elektrokémiai lerakódás lehetővé teszi a fémes szennyeződések lerakódását a vízben. Ezután a kémiai komponensek lehetővé teszik, hogy megszabaduljon tőlük.
A membrán reverz ozmózis napjaink legmodernebb víztisztítási módszere. Ez lehetővé teszi, hogy gyakorlatilag desztillált vizet készítsen szennyvízből. Ez a szennyvíz reverz ozmózis membránon keresztül történő áthaladásának köszönhető, amely a vízmolekulákat átengedi a pórusain, miközben kiszűri a benne lévő összes szennyeződést. Szinte minden, az emberi egészségre veszélyes anyag, mint például a higany, a klór, a nitrátok, át nem eresztik a membránt.

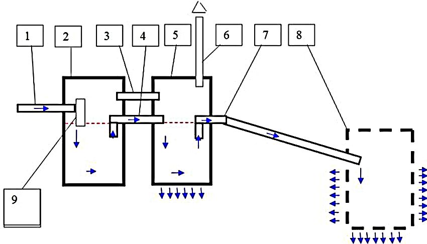
A szennyvíz biomembrán módszerrel történő tisztításának technológiai sémája fordított ozmózis utókezelésével: 1 - aerotank; 2 - membrán bioreaktor; 3 - vákuumszivattyú; 4 - köztes tartály; 5 - szivattyú; 6 - előszűrő; 7 - reverz ozmózis modul; 8 - fúvók
Hogyan válasszuk ki a szeptikus tartályt egy nyári rezidenciához
Íme néhány tipp, amelyek segítenek kiválasztani egy szeptikus tartályt a létrehozáshoz autonóm csatornahálózatnem igényel szivattyúzást:
- Mielőtt megvalósítaná egy WC létesítését szeptikus tartályok használatával, mindenképpen végezzen olyan vizsgálatot, amely megmutatja, hogy az Ön területén lévő talajvíz milyen mélységben fekszik. Ez eldönti, hogy lehetséges-e szűrőmezők készítése, vagy mélytisztító rendszerű szűrőket kell-e venni.
- Legyen óvatos a tartály térfogatának kiválasztásakor. Számítsa ki az összes családtag és háztartási készülék által termelt szennyvíz napi mennyiségét.
- Vegye figyelembe az üdülés szezonalitását. Sok modell nem tolerálja a tétlen időt télen. A tározó belsejében lévő baktériumok elpusztulnak. Ezért a szeptikus tartály kiválasztásakor feltétlenül vegye figyelembe, hogy egész évben, vagy csak nyáron kívánja használni.
Szeptikus tartály teljesítménye
A napi feldolgozott folyadék mennyiségétől függően a szeptikus tartályok három típusra oszthatók:
- egykamrás;
- kétkamrás;
- háromkamrás.
Egykamrás, ha a napi szennyvíz mennyisége nem haladja meg az 1 m³-t. A kétkamrás szeptikus tartályok napi 1-10 m³ vizet dolgoznak fel. A háromkamrákat csak nagyon nagy, 10 m³ feletti vízmennyiségekhez használják.
Ugyanakkor fontos tudni, hogy a szabványok szerint a megvásárolt tartály térfogatának a napi szennyvízmennyiség háromszorosának kell lennie. Vagyis egyszerre a normál használat három napja alatt képződött vízmennyiséget a tartályba kell helyezni.
A szeptikus tartályok működésének másik fontos pontja a talaj típusa a helyszínen. Ettől függ, hogy egy hagyományos szűrési mezőkkel rendelkező tisztító rendszer alkalmas-e az Ön számára, vagy pénzt kell költenie egy modern teljes tisztító rendszerre. Tehát a magas agyagtartalmú talaj nem engedi át jól a vizet, ami nagyban megnehezíti a szűrési folyamatot. A talajvíz magas szintje szintén komoly ok a szokásos szeptikus tartályok elhagyására.
Hasznos tanácsok! A modern szeptikus tartályok biofiltrekkel rendelkező gyártói egyáltalán nem javasolják a rendszer leállását. Ez a biomaterál halálához és a szűrő tulajdonságainak elvesztéséhez vezet.
Kapcsolódó cikk:
Csináld magad szeptikus tartályt anélkül, hogy 10 évet kiszivattyúznál egy ház és egy nyári rezidencia számára: szerkezet építése. Szerkezetek változatai, az építés jellemzői különféle anyagokból. Építési árak.
Műanyag szeptikus tartály telepítése saját kezűleg
Nem nehéz önállóan felszerelni és előkészíteni a műanyag szeptikus tartályt a működéshez. Csak be kell tartania egy egyszerű algoritmust:
- válassza ki a megfelelő helyet, és számítsa ki a szükséges gödör méreteit;
- megfelelő méretű lyukat ásni;
- szükség esetén biztosítson helyet a szűrési mezők számára;
- telepítse a konténert;
- rögzítse a tartályt és a csöveket a gödörbe;
- állítsa be a csővezeték-rendszer helyzetét;
- ellenőrizze a tartály és a csövek rögzítését.
Miután megismerkedtünk a közelgő munka összes főbb pontjával, részletesebben megvizsgáljuk, hogyan lehet WC-t készíteni az országban műanyag szeptikus tartály segítségével. Először ki kell választania a megfelelő helyet, ahol az lesz.
A tisztító telep távolsága a lakóépületektől legalább 6 m legyen. Ez vonatkozik mind a házban található WC-re, mind a váltóházra WC-vel és zuhany adakozásért... Ellenkező esetben a földbe jutó kezelt víz pusztító hatással lehet a közeli épület alapjaira.
A gödör szükséges méretének helyes meghatározásához figyelembe kell venni a tartály méretét, alapjának magasságát és a felső réteg vastagságát - a gödör mélysége ettől függ. A szélességet és a hosszúságot a tartály és a hozzá csatolt összes modul méretének figyelembevételével mérik.
Szokás a szennyvízcsövek lefektetésének megkezdését a tisztítóberendezésből és annak a helyiségnek az oldalára indítani, amelyben maga a WC található. Ezért a szeptikus tartály telepítésének gyakorlati része a gödör előkészítésével kezdődik. Az összes szükséges mutató kiszámítása után az ásott lyuk alját homok és kavics párnával borítják. Az ilyen réteg vastagságának körülbelül 30 cm-nek kell lennie. Ezután felülről cementhabarcsot öntünk, vagy egyszerűen egy szilárd betonlapot helyezünk el.
Ugyanaz a vízelvezető homok és kavicspárna van elhelyezve a szűrőmezők alatt. Ez a keverék lehetővé teszi, hogy még egyszer tisztítsa meg a szennyvizet, mielőtt véglegesen felszívódna a talajba. Fontos megjegyezni, hogy a szűrőmezők elhelyezkedésének legalább 1 m-rel magasabbnak kell lennie a talajvíz szintjénél.
Miután a gödör alja készen áll, elkezdheti maga a szeptikus tartály telepítését. A gödör aljára egy tartályt helyeztek, amelyet előzőleg egyharmada tiszta vízzel töltött meg. A folyadékra azért van szükség, hogy megakadályozzuk a tartály deformálódását a talaj gravitációs nyomása alatt. Ebben az esetben a szeptikus tartály fedelének a talajszint felett kell maradnia, hogy megakadályozza az eső és az olvadékvíz bejutását a rendszerbe.
Hasznos tanácsok! Át kell gondolni a szeptikus tartály burkolatának hőszigetelését, különben a fagy beköszöntével nem lehet elkerülni a tartály belsejében lévő folyadék megfagyását.
Ha az Ön területén a talajvízszint túl magas, akkor javasoljuk, hogy a gödör aljára erősítést helyezzenek, amelyhez a tartályt láncokkal lehet rögzíteni. Általános szabály, hogy a csapadék bomlása következtében keletkező gázok eltávolításához a szellőzőcsövek rendszerét is lefektetik.
A munka utolsó szakasza a tartály összekapcsolása a szűrőmezőkkel rugalmas tengelykapcsolók és csövek segítségével. Ezt követően a tartályt homok és talaj keverékével lehet kitölteni.
Hasznos tanácsok! A nyár és az ősz a legjobb időszak az év során az ilyen munkákhoz, mivel a talajvízszint ekkor eléri a legalacsonyabb pontot.
Vidéki WC a saját kezével egy üsttartó nélkül: betongyűrűkből álló tisztítóberendezés
Részletesen elemezzük a szeptikus tartály betongyűrűkből történő felszerelésének technológiáját:
- A betongyűrűkből származó tisztítóberendezés megkezdéséhez anyagokat kell vásárolnia, vagyis maguknak a gyűrűknek (9 db.) És csatornacsőnek (3 db.).
- Miután az összes szükséges alkatrészt megvásárolta, elkezdheti a lyukakat ásni. Háromra lesz szükséged. Ebben az esetben egy sorba kell rendezni őket. A szükséges mélység 3 m, átmérő 2,8 m.
- Miután az összes lyukat kiásták, az első két kút alján betonpárnákat kell készíteni. Ezzel a szeptikus tartály felszerelésének előkészítő munkája befejezettnek tekinthető.
- Elkezdheti a betongyűrűk rendszerének telepítését. Minden gödörbe három gyűrűt helyeznek el - egyiket a másik tetején. Ehhez darut használnak.
- Ezután a gyűrűk közötti hézagok kitöltődnek folyékony üveg, és a gödör falai és a gyűrűk között fennmaradó távolságot föld borítja.
Betongyűrűkből álló tisztítóberendezés építése és szennyvízcsövek telepítése
Annak érdekében, hogy a szennyvíz könnyen átkerülhessen a szeptikus tartály egyik szakaszáról a másikra, a rendszer telepítéséhez a következő ajánlásokat kell betartani:
- Az első, cementágyas kúthoz vezető csatornacsőt enyhe szögben kell lefektetni.
- Az első és a második gödröt összekötő második cső helyének szintje (szintén cementpárnával) 20 cm-rel alacsonyabb legyen.
- A második és a harmadik kutat összekötő harmadik csövet 20 cm-rel lejjebb kell elhelyezni.

A kétrészes túlfolyó szeptikus tartály terve: 1 - csatornacső a házból; 2 - az olajteknő első kamráját (szeptikus tartály), a szeptikus tartály alját és varratait le kell zárni; 3 - szellőzőcső; 4 - túlfolyó cső kanyarral (póló); 5 - az olajteknő második kamrája, a kút alja: 20-30 cm homokpárna és tetején egy törmelékréteg; 6 - szellőző felszálló; 7 - túlfolyó cső kanyarral (póló); 8 - szűrőkút: a kút külső falai és a gödör falai közötti üregeket zúzott kővel kell kitölteni, a vízelvezető lyukakat intervallumban kell biztosítani: három alsó gyűrűt, a kút alját: homokpárnát 20 cm-re, a tetején pedig egy réteg zúzott kővel; 9 - póló
A nyári rezidencia WC-jének felszerelésének jellemzői: fotó egy szeptikus tartály betongyűrűkből történő felszereléséről
A szeptikus tartály betongyűrűinek telepítése számos sajátossággal rendelkezik, és bizonyos költségeket igényel. Először teherautót és darut kell bérelnie. Ezért mielőtt megkezdené a kutak ásását, fontolja meg, hogy a technika hogyan tud feljutni erre a helyre.
A gyűrűk mélyedésbe merítését rendkívül körültekintően kell végrehajtani, hogy elkerülhető legyen a repedés vagy a forgács.
Különös figyelmet fordítson az első két kút lezárására. A kezeletlen víz semmilyen körülmények között nem szivároghat be repedéseken. Ez negatívan befolyásolja a terület ökológiáját. Folyékony üveg és a betonpárnák hű segítői ennek a problémának a megoldásában.
A harmadik kút alját nem kell betonozni. Elég lesz ott egy természetes szűrőt elhelyezni, például törmeléket vagy kavicsot. Használhat speciálisan erre a célra tervezett algákat vagy baktériumokat is. Ha feltételezzük, hogy a tisztított víz beáramlik a tartályba, akkor a kút aljára klórpatront kell helyezni.
A betongyűrűkből készült szeptikus tartály mérete, mint bármely más, hasonló működési elvű eszköz, a naponta keletkező szennyvíz mennyiségétől függ. A tisztító térfogatának a 24 órán belül beérkező víz háromszorosának kell lennie.
Hasznos tanácsok! A rendszer szilárdságának és tömörségének növelése érdekében betongyűrűk belülről további cementezhető és bitumen borítható.
A vécé létrehozásának javasolt módszerei közül melyik nem szükséges kiszivattyúzás és a választott kellemetlen szag nélkül, nem olyan fontos.A lényeg az, hogy a végén lehetősége legyen tiszta, kényelmes WC-t használni, miközben nem gondol arra, hogy rendszeresen meg kell tisztítani a cesspoolt, és az adott szaggal kell foglalkoznia a helyszínen.




















