המקרר הוא חלק חיוני מהסידור הטכני של המטבח. זה לא צריך רק להבטיח את בטיחות המוצרים, אלא גם להשלים באופן הרמוני את הפנים. מעצבים ממליצים להתקין מקרר מובנה: ניתן לבחור את הגודל והפונקציונליות של ציוד כזה לחלוטין, בהתבסס על הצרכים והיכולות האישיים של משפחה מסוימת. ישנם ניואנסים נוספים שיש לקחת בחשבון בעת בחירת יחידה כזו.
תוֹכֶן
- 1 מקררים מובנים במטבחים מודרניים
- 2 כיצד לבחור מקרר מובנה: מידות ופונקציות של יחידות
- 3 דגמים שונים של מקררים מובנים של ליבהר
- 4 פנים מעניין ושימוש נוח: מקרר בוש מובנה
- 5 מידות ופונקציונליות מודרנית של מקררים מובנים של סמסונג
- 6 מחיר ואמינות משתלמים: מקרר מובנה אטלנט
- 7 מידות סטנדרטיות כיתרון של מקררי Hansa המובנים
- 8 מקררים מובנים במטבח מתחת למשטח השיש
- 9 כיצד לבחור מקרר מובנה: טיפים חשובים
- 10 רצף התקנה של המקרר המובנה
- 11 המקררים הטובים ביותר: דירוג הדגמים הפופולריים ביותר
- 12 מקררים מובנים: ביקורות משתמשים
מקררים מובנים במטבחים מודרניים
כשמסתכלים על תמונות של חללי מטבח באינטרנט, אי אפשר שלא להבחין שלפחות מחצית מהם מבחינה ויזואלית אין מקרר. גם אם תנסה לפנטז ולמצוא לו מקום בין הסביבה שתוכננה כבר, זה יהיה קשה. כיצד לבחור את הצבע המתאים ליחידה? לבן נראה פשוט ולא מעניין, אך יש לשלב מטאלי עם אלמנטים אחרים, אחרת המטבח ייראה קודר. אדום או סגול ייצור מבטא בהיר, אך האם הוא יקשט או יהרוס את כל הפנים?
יש פיתרון אוניברסלי ליצירת פנים הרמוניים - למקם את המקרר בארון. הידע העיצובי הזה נאסף באופן פעיל לפני מספר עשורים, וכיום אנשים רבים מתקינים מכשירים ביתיים מסוג זה בצורה זו. התעשייה ממלאת בקשות, ויוצרת יותר ויותר מודלים חדשים של יחידות כאלה.
היתרונות של מקררים מובנים:
- היכולת ליצור פנים מעניינות;
- עלייה חזותית בחלל חדרים קטנים;
- הפעלה שקטה של היחידה בחלל סגור.
למאפיינים הטכניים והתפעוליים של מקררים המוצבים בנישות רהיטים יש הבדלים מסוימים מהמודלים העומדים בפני עצמם.יש לקחת בחשבון את הספציפיות של ההתקנה, כמו גם את האיכות המיוחדת של המשטחים החיצוניים של המארז. מקררים המובנים בארון יקרים יותר מדגמים קונבנציונליים, אך האסתטיקה של הפנים והנוחות מפצים לחלוטין את עלויות הרכישה.
כיצד לבחור מקרר מובנה: מידות ופונקציות של יחידות
בעת בחירת מקרר מובנה, יש צורך במתחם וכמעט בו זמנית לקבוע מספר אינדיקטורים:
- איזה נפח היחידה (מידות) ומספר החדרים עדיף;
- מאפייני הביצועים הרצויים של המודל (פונקציות);
- מידות אזור ההתקנה.
כל שלושת הגורמים תלויים זה בזה. הקריטריון העיקרי לעריכת חישובים הוא מספר בני המשפחה. עבור אדם אחד, 120 ליטרים של נפח הם הכרחיים, לכל אדם שאחריו - 60 ליטר. כדאי גם לקחת בחשבון את המוזרויות של ארגון חיי היומיום: באיזו תדירות ובאיזו כמות מתבצעים מלאי, האם עדיף להקפיא כדרך לאחסון וכו '.
מיקום התאים תלוי במידה רבה בגובה המקרר המובנה (הוא יכול להיות שונה, אך לרוב אינו עולה על 200 ס"מ). בדגמים הגבוהים יותר יש תאי מקרר ומקפיא נפרדים, אלה האחרונים יכולים להיות ממוקמים בתחתית וגם בחלק העליון.
בדגמים נמוכים גודל המקפיא קטן, אין לו דלת נפרדת. הפונקציונליות של היחידה תלויה במידה רבה במיקום החדרים - נוכחותם של אזורים שונים (רעננות, הקפאה אינטנסיבית, הקפאה מהירה וכו '). המודל שנבחר על פי הצרכים והרצונות צריך להתאים לחלל המוקצה לו.
עצה מועילה! בהינתן שטח מוגבל, הבחירה במקרר צריכה להתחיל בקביעת גודלו האופטימלי. לפיכך, לא יהיה צורך לנטוש את המודל הרצוי ולשנות את הפונקציונליות.
הרוחב הסטנדרטי של המקרר כמימד העיקרי
מקררים קלאסיים מחולקים לשלושה סוגים עיקריים: בגודל מלא, בינוני, וקטנים (כולל מיני ברים). חלוקה זו מתאימה להחלה על מודלים משובצים. הדברים הבאים יכולים להיחשב כגדלים סטנדרטיים:
- יחידות בגודל מלא: גובה - 175-200 ס"מ, רוחב - 55-60 ס"מ, עומק - 55-60 ס"מ;
- דגמים בינוניים: גובה - 130-150 ס"מ, רוחב - 45-55 ס"מ, עומק - 50-60 ס"מ;
- מקררים מובנים קטנים: גובה - 60-80 ס"מ, רוחב - 50 ס"מ, עומק - 50 ס"מ.
מקררים זה לצד זה הם בגובה סטנדרטי של עד 200 ס"מ ועומק 60 ס"מ, אך שונים זה מזה ברוחב. באופן מסורתי מדובר על 90 ס"מ, אך מספר לא מבוטל של דגמים ברוחב 110-112 ס"מ.

עבור יחידות בגודל מלא, המידות הסטנדרטיות הן הערכים הבאים: גובה - עד 200 ס"מ, רוחב - 55-60 ס"מ, עומק - 55-60 ס"מ
רוחב הוא הממד החשוב ביותר בבחירת מקרר מובנה. אם היצרנים שואפים לשמור על העומק הסטנדרטי, תוך התחשבות בגודל ריהוט המטבח, והגובה יכול להשתנות, אז הרוחב הופך להיות בסיסי לקביעת מיקום ההתקנה. אם יש מקום פנוי, אין בעיות. עם זאת, לא לכולם יש מטבחים מרווחים, ולעיתים יש לספור כל סנטימטר.
מקררים שנבנו מתחת לשולחן דורשים גישה מיוחדת בבחירת דגם. במקרים כאלה, אינדיקטור כולל זה נכנס למישור האסתטי. הרוחב הסטנדרטי של דלתות חזיתות ריהוט המטבח הוא 40-45 ס"מ, של המקרר - 50 ס"מ. הפרת האחידות הממדית יכולה להוביל לאובדן אסתטיקה.
עצה מועילה! אם ההבדל במידות החלק הקדמי של המקרר המובנה יכול להשפיע לרעה על המראה הכללי, כדאי להתקין את היחידה מתחת למשטח העבודה של שולחן האי.
דגמים שונים של מקררים מובנים של ליבהר
מקררי Liebherr הם באיכות גרמנית אמינה. ההרכב מיוצג על ידי כל סוגי היחידות הקיימות. הנפוצים ביותר בקרב מקררים מובנים הם מוצרים סטנדרטיים עם שני תאים עם מקפיא תחתון ושתי דלתות. גובה המקררים נע בין 170 ל -203 ס"מ. גודל כולל זה מאפשר לכם לשמור על רמה אחת עליונה של ריהוט מטבח, וזה חשוב במיוחד עבור חדרים קטנים.
הנפח הכולל של מקררים כאלה הוא 250-280 ליטר. ביניהם, תוכלו למצוא דגמים עם מקפיא קטן - 28 ליטר, כאשר תא המקרר תופס 263 ליטר שטח פנימי. ישנם דגמים רבים עם מקפיא 83 ליטר ואזור קירור 199 ליטר.
מחיר מקררים מובנים מליבהרר הוא מעל הממוצע. ניתן לרכוש יחידה דו-קאמרית בגודל מלא עבור 50-100 אלף רובל, מחיר הדגמים ברמה פרימיום מגיע 140-150 אלף רובל. כחידוש, היצרן מציע מקררים מובנים מרובי חדרים עם מקפיא תחתון וחלוקה לאזורי קירור. אגרגטים כאלה הם רחבים למדי (91 ס"מ) וגבוהים (203 - 207 ס"מ). מחלקת הדגמים מאופיינת כ- PremiumPlus. הציוד מצויד בפונקציונליות המודרנית ביותר, המחיר הוא 430-450 אלף רובל.
מבחר המקררים הבינוניים מוצג גם הוא באופן נרחב, וישנם דגמים עם שתי דלתות ואחת.
בין יחידות קטנות ניתן לבחור אפשרויות ברוחב של 50 ו -60 ס"מ כאחד. אלה יכולים להיות דגמי שני תאים, מקפיאים מובנים נפרדים או מקררים.

בקרב מקררים מובנים של ליברר, הפופולריים ביותר הם הדגמים הסטנדרטיים של מוצרים דו תאים עם מקפיא תחתון.
עצה מועילה! בבחירת מקרר מובנה, כדאי לשים לב לשיטות הרכבת הדלתות. לא לכל דגם יכולת להכביד על הלולאות.
ליברהר מקררים מובנים זה לצד זה
בעלי מטבחים מרווחים עם הכנסה מסוימת יכולים להרשות לעצמם לרכוש מקרר אמריקאי. זוהי יחידה בגודל גדול בה המקפיא תופס מיקום צד, לעתים קרובות יותר זה שמאלי. פירוש "צד צדדי" הוא "זה לצד זה", כלומר, החדרים של מקררים כאלה נמצאים זה ליד זה.
המספר הגדול ביותר של דגמי הצדדים המובנים מיוצר על ידי חברת Liebherr הגרמנית. היחידות יכולות להכיל שניים או שלושה חדרים. בנוסף למקפיא ולמקרר, נוסף תא אחסון יין. הנפח הכולל של מקרר כזה מגיע ל -899 ליטר, והרוחב הוא 167.7 ס"מ.
בחלק מהדגמים יש מקפיאים תחתונים עם שתי יחידות זהות. ביחידות אלה יש ארבע דלתות הפותחות שתי קירור ושני תאי הקפאה. הם יכולים להיות ממוקמים גם בארונות מאובזרים במיוחד למקררים, וגם בנישות (הטבעה לא שלמה). האפשרות האחרונה מועדפת על ידי רבים בשל הימצאותם של מספר דלתות נוסף.
דגמים סטנדרטיים של יחידות כאלה מאופיינים בממדים הבאים:
- גובה - 177.7 ס"מ;
- רוחב - 111 ס"מ;
- עומק - 54.5 ס"מ.
הנפח הכולל הוא 560-590 ליטר.
למקררים המובנים Liebherr זה לצד זה יש הבדל משמעותי מהדגמים של יצרנים אחרים. מדובר ביחידות טרומיות, והן מורכבות משניים (או יותר בחלק מהסוגים) גושים נפרדים המשולבים למבנה אחד.
פנים מעניין ושימוש נוח: מקרר בוש מובנה
מערך המותגים Bosch כולל יחידות מסוגים שונים. אלה יכולים להיות הדגמים הבאים:
- מקררים קטנים בתא יחיד.מדובר במקפיאים ותאי קירור נפרדים עם המידות הבאות: גובה - 85 ס"מ, רוחב - 60 ס"מ, עומק - 59 ס"מ. יחידות כאלה מרווחות למדי, נפחן 114 ליטר.
- יחידות בינוניות בגובה של 120 עד 150 ס"מ. לדגמים כאלה של יצרן בוש יש סידור עליון של המקפיא.
- מקררים דו תאים בגודל מלא עם מיקום מקפיא תחתון או עליון.
הדגמים בגובה 177 ס"מ, רוחב 56 ס"מ ועומק 55 ס"מ, מקפיא תקורה ודלת אחת הם הפופולאריים ביותר. הנפח הכולל של מקררים כאלה הוא 287 ליטר, מתוכם 252 ליטר תא המקרר ו 35 ליטר הם תא ההקפאה.
ברוב המקררים המובנים של Bosch יש פונקציות NoFrost, הפשרה אוטומטית והקפאה מהירה, חיישן המשקף את השליטה והתפעול של המכשיר, ואזור רעננות.
עצה מועילה! בקניית מקרר מובנה תוכלו לחסוך הרבה על ידי בחירת דגם עם פונקציונליות פשוטה, למשל עם הפשרה ידנית.
מידות ופונקציונליות מודרנית של מקררים מובנים של סמסונג
מקררים של סמסונג מוכרים זה מכבר לצרכנים בשוק המקומי. זהו מוצר איכותי במחיר שפוי. חלקם של הדגמים המשובצים בהיקף הייצור הכולל קטן. ביסודו של דבר, אלו האופציות הדו-קאמריות הנדרשות ביותר עם מיקום מקפיא נמוך יותר.
מאמר קשור:
גדלי מקררים: דגמים סטנדרטיים ולא סטנדרטיים, שיטות הצבה
מידות עיקריות: גובה, רוחב, עומק. גדלים סטנדרטיים של מקררים LG, Atlant, Biryusa, Bosch, Samsung, Indesit. כללי הבחירה.
הממדים הכוללים של יחידות כאלה הם כדלקמן:
- גובה - 117–178 ס"מ;
- רוחב - 54–56 ס"מ;
- עומק - 55–58 ס"מ.
המאפיינים הפונקציונליים העיקריים של הדגמים כוללים:
- שיטות הפשרה - מערכת טפטוף, NoFrost;
- היכולת להגן מפני עליות מתח - פונקציית בקרת וולט;
- ויסות אוטומטי של מחווני טמפרטורה - Cool Select Zone;
- שחזור רמת הטמפרטורה הנדרשת לאחר חדירת אוויר חם לתא - פונקציית Multi Flow;
- הפצת אוויר שווה - מערכת קירור TWIN.
התכונה המבוקשת ביותר של מקררים מובנים היא Know Frost. מתן האחידות של מסת האוויר הוא שתורם לשמירה ארוכת טווח על טריות המוצרים. כמעט כל דגמי המקררים של יצרן זה שייכים למחלקת האנרגיה החסכונית A ו- A ++.

אמינות, פונקציונליות מודרנית ומחיר סביר של מקררים מובנים של סמסונג הופכים אותם לפופולאריים בקרב משתמשים בכל רחבי העולם.
עצה מועילה! בקניית מקרר דרך חנות מקוונת, עליכם לברר את המידות להטבעה, המצוינות בהוראות. אין כל אחריות בגין הצבת מידע שגוי בתיאור המוצר באתר.
מחיר ואמינות משתלמים: מקרר מובנה אטלנט
ניתוח אפילו המחירים הדמוקרטיים ביותר עבור מקררים מובנים, נוכל לומר בביטחון שלא כולם יכולים להרשות לעצמם. המפעל בבלארוסית אטלנט מעניק מזה זמן רב למשפחות מעוטות יכולת להשתמש ביחידות קירור מודרניות. היצרן מייצר גם אפשרויות מובנות שניתן לרכוש תמורת 25 אלף רובל.
דגם הגון - Atlant XM 4307. למקרר יש את המידות הבאות:
- גובה - 178 ס"מ;
- רוחב - 54 ס"מ;
- עומק - 56 ס"מ.
מקרר מובנה זה הוא שני תאים. נפח תא המקרר הוא 234 ליטר, תא ההקפאה - 167 ליטר. הדגם בגודל מלא, המידות מאפשרות להכיל מספר גדול למדי של מוצרים. חסרים בקרת NoFrost, אזור רעננות ומגע. עם זאת, בעלות כזו, אין צורך לדרוש הרבה מהטכנולוגיה.העיקר הוא שהיחידה עובדת בצורה אמינה, מקררת את התכולה ומאשרת את המאפיינים שהצהיר על ידי היצרן. המקרר שייך למחלקת תיירים A, רמת הרעש אינה עולה על 40 dB, מחלקת האקלים היא N.
הדגם הושק לאחרונה לייצור המוני, אך הוא כבר אישר את ביצועיו היציבים ומבוקש בקרב הצרכנים.
מידות סטנדרטיות כיתרון של מקררי Hansa המובנים
מכשירי חשמל ביתיים של האנסה הופיעו בשוק המקומי לפני זמן לא רב - רק לפני שני עשורים. מקררים מובנים מיוצגים בעיקר על ידי דגמים בגודל מלא של שני תאים. ביניהן ישנן אפשרויות זולות עם מערכת טפטוף להפשרת תא הקירור ובשיטה ידנית - להקפאה. ישנם דגמים עם מערכת טפטוף לחלק הקירור של היחידה ועם פונקציית NoFrost של תא ההקפאה.
בין המאפיינים העיקריים של מקררי Hansa מובנים הם:
- מידות כלליות: גובה - 177.6 ס"מ, רוחב - 54 ס"מ, עומק - 54 ס"מ;
- הנפח הכולל עולה על 250 ליטר;
- נפח תא הקירור הוא 190 ליטר;
- מקפיא - 70 ליטר;
- תאורת LED אחורית פנימית;
- מחלקת צריכת אנרגיה חסכונית - A + ו- A ++;
- האפשרות לתלות את הדלתות מצד אחד למשנהו.
הממדים הסטנדרטיים של המקררים המובנים והמחירים הקשורים לפלח האמצעי הופכים את מוצרי האנסה למדי פופולריים. דגמים אלה נוחים גם בהתקנה. יצרנים רבים של רהיטי מטבח מייצרים ארונות בדיוק למידות כאלה של מכשירים מובנים.
מקררים כאלה הם אפשרות טובה כאשר היחידות מאופיינות בפונקציונליות טובה ובמחירים נוחים למדי. החסרונות של מכשיר זה כוללים מספר מוגבל של סוגים ואחידות גדלים.
מקררים מובנים במטבח מתחת למשטח השיש
יכולות להיות כמה סיבות לכך שמקררים בנויים מתחת למשטח השיש:
- חוסר מקום להתקנת יחידה נפרדת;
- רצון ליצור פנים מסוימים;
- אין צורך במקרר גדול, ודגם עצמאי קטן אינו אפשרות טובה.
מקררים מתחת לדלפק גובהם הסטנדרטי הוא 80 ס"מ.
חָשׁוּב! על מנת להגדיל את הנפח, יש קונים שרוכשים למטרות כאלה יחידות גבוהות יותר (86–90 ס"מ). זה גורם בהכרח לצורך בהגדלת גובה משטח העבודה, מה שמפחית את רמת הנוחות בעבודה על משטח העבודה.
אתה יכול להגדיל את הקיבולת של מקרר מובנה קטן בגלל הרוחב. ליצרנים כמו Bosch ו- Liebherr יש דגמים ברוחב של 60 ס"מ. Liebherr מציע גם אפשרויות קטנות זו לצד זו להטבעה.
אתה יכול להרים מקפיא ומקרר זהים במידות הכוללות. ניתן להתקין את היחידות זו לצד זו או בצדדים מנוגדים של אזור העבודה המשולש של המטבח.
מקרר קטן יכול להיות מובנה בתוך קלמר על ידי הגבהתו לגובה מסוים כדי להקל על השימוש. מבחינת הפנים, הפתרון יכול להיחשב מוצלח, אך הוא יגרור קשיים מסוימים בהתקנה, ובמיוחד בסידור חילופי האוויר.
כיצד לבחור מקרר מובנה: טיפים חשובים
לפני שתבחר מודל מובנה, עליך לברר איזה סוג של מקררים יש. הם שונים במאפיינים טכניים (סוג מדחס, סוג אנרגיה, סוג אקלים וכו '), פונקציונליות (הפשרה אוטומטית או ידנית, הקפאה אינטנסיבית, אזור רעננות, הגנה מפני נחשולי חשמל וכו') והממדים הכלליים (גובה, רוחב, אורך, נפח ).
אתה יכול לדבר כמה שתרצה על חשיבות הפנים לשהייה נוחה בחדר, אך אם היחידה אינה עומדת בדרישות התפקוד הבסיסיות, אז המאמצים שמושקעים בהענקת אסתטיקה מצטמצמים לאפס.
הקריטריון העיקרי בבחירת מקרר כלשהו, כולל מובנה, הוא עמידה בבקשות (גודל ותפקוד).
לאחר מכן, עליכם ללמוד היטב את המאפיינים הטכניים של המקרר. יתכן שתוכל למצוא את האפשרות המושלמת. זו לא תהיה טעות גדולה לבחור מודל עם סוג צריכת אנרגיה שאינו סופר-חסכוני או עם הפשרה ידנית של תא אחד, אך אחרת עונה על הדרישות.
מקררים מובנים הם מכשירים יקרים. דאג לברר בעצמך את נושא השירות. לאחר תום תקופת האחריות, אם יש צורך לשלוח את היחידה לתיקון או לתחזוקה, מאמץ ההובלה והעלויות הכספיות מוטלים על המשתמש. היעדר מרכז תמיכה בעיר מקשה באופן משמעותי על תהליך השיפוץ.
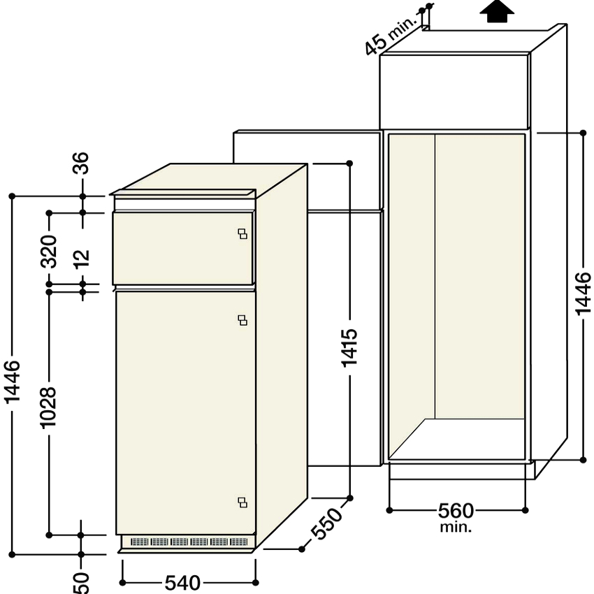
רצף התקנה של המקרר המובנה
ריהוט מטבח בו אמור להתקין את המקרר מיוצר לרוב בהזמנה על ידי אומנים מנוסים. הם בהחלט חייבים ללכת למקום, לבצע מדידות. בעת הייצור יש לקחת בחשבון את הצורך ליצור תעלות אוורור במרתף הארון, להבטיח את המרחק בין קירות הנישה ליחידה לפחות 7 ס"מ לתנועת זרימת האוויר. ההוראות לדגמים המובנים מציינות את המידות המדויקות של הארונות למקררים, ולכן עדיף אם היחידה תרכוש לפני ייצור רהיטים.
ערכת מחברים לכל דגם ספציפי מסופקת על ידי היצרן.
רצף הפעולות בעת בנייה במקרר יכול להיות כדלקמן:
- התקן את זוויות ההרכבה, תקן את העצירות בתחתית;
- תקן את הפינות בקצות הדלת;
- התקן את היחידה כך שתתאים למגבילים;
- מקבע את גוף המקרר ואת דפנות הנישה בארבע נקודות.
הידוק הדלת יכול להיות קשיח (doorondoor) או הזזה (הזזת דלתות). במקרה הראשון, חזית הריהוט מקובעת על דלת המקרר. בשנייה, דלת היחידה מחליקה לאורך משטח הרהיטים הפנימי בעזרת מדריכים.
לפני שמתחילים בעבודות ההתקנה, הקפידו לבדוק את מידות הארון למקרר המובנה. כמו כן יש לזכור כי עובי קיר הריהוט לא יכול להיות פחות מ 1.6 ס"מ, והמרחק מהקצה החיצוני של המכשיר לקצה החיצוני של החלק הקדמי של הרהיט צריך להיות 4 ס"מ.
המקררים הטובים ביותר: דירוג הדגמים הפופולריים ביותר
דירוג המקררים המובנים להלן הוא כללי. הוא אינו מדגיש דגמים לפי מחיר, פונקציונליות, מידות וכו ', אלה היחידות הנרכשות ביותר עם מינימום ביקורות משתמשים שליליות.
LIEBHERR SBS 66I3. יחידה גרמנית עם ארבע דלתות. הנפח הכולל הוא 500 ליטר. בעל שני מדחסים, מאפשר שליטה נפרדת במצלמות. קל להתקנה, מצויד בפונקציונליות העדכנית ביותר. בעל תג מחיר גבוה.
גורג'ין RKI 5181 KW. דגם שני תאים עם תא מקפיא תחתון. בעל פונקציות של הקפאה מהירה, התראה קולית, תיקון טמפרטורה אוטומטי. לאחר הכיבוי, זה נשאר קר למשך 12 שעות. המקפיא מאופיין בנפח קטן.
LG GR-N309 LLB. המקרר המובנה הטוב ביותר של יצרן זה. הדגם הוא שני חדרים, עם מקפיא תחתון. הסט כולל יצרנית קרח. המדחס בעל רמת רעש נמוכה.
BOSCH KIV38X20. דגם דו-קאמרית עם שתי דלתות ומקפיא תחתון. מערכת הפשרה בטפטוף. איכות גרמנית אמינה, בתוספת עלות מקובלת.
ATLANT XM 4307-000. מקרר דו-דו-קומתי עם נפח מקפיא גדול. מחיר משתלם ותפעול אמין מבטיחים את המיקום המוביל.
מיטב המקררים המובנים הם יחידות ליבהר ובוש. הם נבדלים על ידי מרווחותם, מידותיהם הקטנות ורמת האיכות הגבוהה שלהם. העלות של דגמים אלה, למרות גודלם, גבוהה למדי.
עצה מועילה! כדי לקבל תמונה מלאה של דגם המקרר הנבחר, מומלץ להכיר לא רק מידע על מיקום היחידה בדירוג, אלא גם עם ביקורות משתמשים.
מקררים מובנים: ביקורות משתמשים
בתיאוריה, שילוב מקררים לא אמור לגרום לבעיות כלשהן. הפונקציות והגדלים של היחידות נבחרים על ידי הקונה בהתאם לרצונות ולצרכים האישיים. תמונות של מקררים מובנים שמפורסמים באינטרנט מציעות מגוון אפשרויות שמשפרות באמת את עיצוב המטבח.
"אני עוסק ברהיטים זו השנה החמישית. על מנת שהמקרר המובנה יעבוד לאורך זמן, עליכם ליצור עבורו תנאים מסוימים. אם רק תתקין ארון סיבית, לא יהיה אוורור. ארון אחד איכותי עולה שליש מהמקרר. עם אידוי מאורגן כראוי, הטכניקה מתקלקלת במהירות. אני לא ממליץ על זה, כולל מסיבות כלכליות. "
אנדריי בוצ'קוב, סיקטיווקאר
"אטלנט המובנית פועלת זו השנה השביעית - וכמו ביום הראשון. בפנים הפלסטיק נגב מעט, אבל הכל תקין. אני כבר רוצה לשנות את זה למשהו מרשים יותר, בדקתי את האפשרויות, יש דגמים מעניינים, ואפילו את הארון לא צריך לשנות. "
דניס וקולוב, נויאברסק
"כל מקרר, לא רק מובנה, לא יחזיק מעמד זמן רב אם הוא אינו מסופק עם אוורור הקיר האחורי עם מחליף חום. אתה צריך מקום רב מתחת למקרר, וזה גם הכרחי כדי שניתן יהיה לבצע שאיבת אוויר. אז רק אתה יכול לסמוך על עבודה ארוכה ”.
אלכסיי בלובורודוב, ליפצק
לבנות או לא לבנות במקרר זה עניין של טעם, רצון, אפשרויות ונחיצות. עם זאת, לאחר שהחלטנו לבחור בדיוק במודל כזה, כדאי לשקול את כל התכונות של הטכניקה וטיפים להתקנה, כך שהיחידה תעבוד זמן רב ותפעולה מהנה.





















