במהלך עבודות ההתקנה החשמלית יש צורך כל הזמן למדוד מאפיינים חשמליים: זרם, התנגדות ומתח. נוח למדוד את הערכים הללו באמצעות בודק, שחייב להיות נוכח בארסנל של בעל טוב. המאמר ישקול מכשיר כזה כמולטימטר: איזה מהם עדיף לבחור כך שהוא עומד בדרישות המוצהרות, נוח לשימוש ובעלות סבירה.
תוֹכֶן
מולטימטר: שעדיף לבחור על פי מאפיינים טכניים
כל בעל צריך שיהיה בבית מכשיר שימדוד כל מיני פרמטרים חשמליים. זה יעזור לזהות שבירת חוטים, לגלות את המתח בסוללה או לשקע, לבדוק את תקינות גוף החימום, המנורה ורכיבי חשמל אחרים.
על ידי בחירה מולטימטר, צריך להיות מונחה על ידי המאפיינים הדרושים לפתרון בעיות ספציפיות. עבור חשמלאי, בודק פשוט מספיק למדידת מתח, בדיקת התנגדות וצלצול מעגל. עבור חשמלאי שתפקידו לתחזק ציוד חשמלי, תועיל פונקציית "מהדק הנוכחי" המאפשרת למדוד את העומס במהלך הפעלת הציוד מבלי להפריע למעגל. זה ימנע תאונות.
מאסטרי מכשור יזדקקו לפונקציות הבאות: מד מתח, מד מתח, מד זרם, מד תדר, אינדוקציה וקיבול.
המכשיר לא צריך להיות מצויד רק בפונקציות הדרושות, אלא גם להיות קל לשימוש. לשימוש קבוע, תוכלו לבחור במולטימטר דיגיטלי לכיס שגדול מעט יותר מאשר מצית רגיל. אם העבודה מתבצעת במקום אחד, עדיף לבחור מכשיר גדול יותר, שגם ישדר קריאות מדויקות יותר.
הבחירה במולטימטר מסתכמת בקריטריונים העיקריים:
- סוג המכשיר;
- פונקציונליות של המכשיר;
- טעויות בעבודה;
- מאפייני עיצוב;
- מידת הגנה מפני אבק, לחות והשפעות אחרות;
- מחלקת בטיחות חשמלית של המכשיר;
- יַצרָן.
תכונות של סוגים שונים של מכשירים
כל המולטימטר, ללא קשר לסוג המכשיר, מבצעים את אותו מגוון משימות.עם זאת, כאשר מחליטים באיזה מולטימטר לבחור, עליכם לדעת ולקחת בחשבון את כל היתרונות והחסרונות של דגם מכשיר מסוים.
בודקים מסווגים לשני סוגים:
- דיגיטלי (אלקטרוני);
- אנלוגי (חץ).
הבודק האלקטרוני אידיאלי לפתרון משימות יומיומיות. קל ונוח לעבוד איתו מכיוון שלא יהיה קשה לקרוא את הקריאה המוצגת בתצוגה, כפי שמוצג בתמונה. ניתן לבחור במולטימטר דיגיטלי שמחירו שונה בהתאם לפונקציונליות של המכשיר, בחנויות מתמחות, בהן מוצגים דגמים שונים. קשה יותר לקבוע במדויק את הקריאה במולטימטר אנלוגי מכיוון שהיא משתנה בהתאם לזווית בה אתה מסתכל על החץ.
קל יותר לעבוד עם בודק מצביעים עבור חשמלאי מקצועי, שעליו לפקח על הדינמיקה של שינויים בחיווי המעגלים החשמליים. ל- DMM אין פונקציה זו. עם זאת, יש לו הרבה תכונות אחרות שמולטימטר מצביע אינו מצויד בהן. המחיר נוצר בהתאם לכך. אתה יכול לקנות מודד דיגיטלי, החל מ -240 רובל.
אין צורך לשמור על קוטביות כדי למדוד ערכים במכשיר דיגיטלי. אם התצוגה מראה "-" מול המספר, אז הבוחן היה מחובר בסדר הפוך. על מודד מצביע, מבלי להתבונן בקוטביות, החץ חורג מחוץ לקנה המידה.
סוללת המולטימטר האלקטרונית נצרכת במהלך כל המדידות הנכונות עד לפירוק הסוללה. באנלוגי אנרגיה נשמרת תוך מדידת מתח וזרם. עם זאת, החץ מתחיל לסטות מאפס רק בהתאם לפריקה של הסוללה.
עצה מועילה! אם אתה צריך להקליט את הדינמיקה של המדידות, אך אינך מעוניין לעבוד עם קנה מידה שאינו נוח לקריאת התוצאות, תוכל לרכוש בודק עם תצוגה וחץ.
פונקציונליות ומאפיינים חשובים של המכשיר
כאשר מחליטים איזה מודד עדיף לקנות, ביקורות עליו ניתן לקרוא באינטרנט, יש להנחות את התכונות הפונקציונליות שלו. אחרי הכל, כל פונקציה חדשה משפיעה על עלות הבוחן.
כל הבודקים מצוידים במערכת פונקציות בסיסית:
- מדידת זרם DC;
- שינוי זרם חילופין;
- בדיקת מתח AC ברשת עד 700 V ו- DC במעגלים;
- צלצול במעגל ובדיקת תקינות מצב המגעים;
- מדידת התנגדות המוליכים.
דגמים מסוימים של בודקים עשויים להיות מצוידים במאפיינים הספציפיים הבאים (לעתים קרובות יותר זה חל על מכשירים דיגיטליים):
- היכולת לבדוק התקני מוליכים למחצה;
- מדידת תדרים וטמפרטורות;
- מדידת הקיבול של קבלים;
- פונקציית יצירת אותות הבדיקה;
- טיימר כיבוי;
- תאורה אחורית לתצוגה אוטומטית;
- קביעה אוטומטית של גבולות המדידה המותרים;
- פונקציית קיבוע.
אחד המאפיינים החשובים ביותר של מכשיר זה הוא הדיוק של כל המדידות, שנקבע בשגיאת המכשיר. אינדיקטור זה צריך להיות בטווח של 0.025-3%. ניתן לבחור מולטימטר לשימוש ביתי עם שגיאה של 3%, ולמטרות מקצועיות עדיף לבחור את המכשירים המדויקים ביותר. מדד זה ישפיע על עלות המולטימטר. מחיר מכשיר מדויק יותר יהיה לפחות 800 רובל, ופשוט יותר יעלה 240 רובל.
לקבלת תוצאות מדויקות יותר, המכשירים יכולים להיות מצוידים בפונקציית בחירת טווח מדידה אוטומטית. ישנם דגמים בהם ניתן לעשות זאת באופן ידני.
אינדיקטור חשוב נוסף הוא קיבולת התצוגה, המאופיינת ביכולת להציג מספר מסוים של מקומות עשרוניים על המסך. בהתאם לכך, התקנים יכולים להיות בעלי קיבולת של 2.5 (0.01) עד 6.5 (0.000001).
חשוב לדעת! יש לזכור כי לא משנה איזה עומק יש למכשיר, הדיוק של כל המדידות יהיה תלוי במדדי השגיאה של הבודק.
מרבית הבודקים מופעלים באמצעות סוללות כתר 9 V. אפשרות טעינה זו מתאימה לשימוש תקופתי במכשיר. אם משתמשים בו לפעולה רציפה, יש להעדיף סוללת ליתיום.
עצה מועילה! אם כל המדידות מתבצעות כל הזמן במקום עבודה אחד, מומלץ להפעיל את המכשיר מהחשמל. לשם כך, צריך ממיר מתח מ- 220 ל- 9 V.
הספציפיות של פעולת המכשיר מושפעת ממעמד הבטיחות החשמלי שלו. מולטימטרים מסוג CAT I מיועדים לפעול ברשתות מתח נמוך. בודקי CAT II משמשים במערכות חשמל ביתיות. יש להשתמש במכשירי CAT III ברשתות בתוך מבנים ומבנים. ומכשירי המדידה CAT IV מיועדים לעבודות הפצה בחוץ.
כיצד להשתמש במולטימטר דיגיטלי
למדידת המתח בשקע ביתי, כוון את המתג למצב ACV, הכנס את החללית השחורה למחבר ה- COM ואת האדום - VΩmA. אם הערך המשוער אינו ידוע, יש להתחיל במדידות מהערך המרבי - 750 V. אם מופיע "0", עליך לעבור לסולם עם רמת מתח נמוכה יותר. למדידות מתח DC, כגון חיווט ברכב, הגדר את המתג למצב DCV.
כדי למדוד את חוזק הזרם, ראשית עליך לדעת איזה סוג זרם קיים במעגל ואת ערכו המשוער. חשוב לבחור את המחבר הנכון עבור החללית האדומה.
עצה מועילה! כדי לא לגרום לתקלה במכשיר, מבלי לדעת את ערך הזרם, הכנס את החללית האדומה לשקע 10 A. אם לאחר שהמבחן האדום נמצא בשקע 10 A, מוצג ערך קטן בתצוגה, יש להחליף את התקע לשקע VΩmA ול הגדר את טווח המדידה הנדרש.
הבטוחה ביותר עבור המכשיר היא מדידת מתח. לשם כך, פשוט כוון את המתג הסיבובי למצב Ω ובצע מדידות. יש לזכור כי יש לכבות את החשמל במעגל, אחרת המכשיר יציג ערך שגוי. אם התצוגה מראה "0", עליך להגדיר את המולטימטר לטווח מדידה נמוך יותר. אם התצוגה מציגה את אחד הערכים, "OL", "1" או "OVER", הדבר מעיד על עומס יתר של המכשיר. במקרה זה, עליך להגדיר את המתג לטווח גבוה יותר.
בעזרת מולטימטר ניתן לצלצל למעגל חשמלי. לשם כך, סובב את המתג למצב הנדרש וחבר את החללית האדומה למחבר VΩmA. במקרה של מעגל סגור, הבוחן יצפצף. שים לב כי יש לנתק את החלק במעגל שאתה מתכנן להתקשר ממנו.
דירוג המולטימטר הנדרש ביותר על ידי הצרכנים
כאשר השאלה היא, באיזה מולטימטר לבחור לבית ולמכונית, הבחירה ברורה מאליה. אחד הבודקים הטובים ביותר לתקציב הוא DT-830B המיוצר בסין. מודד קטן, יש לו קבוצה של פונקציות נחוצות אשר אומן בית יצטרך.
הוא מתאים למדידת מתח ברשת חשמל בין שתי נקודות, התנגדות, ערכי זרם. באמצעותו תוכלו לבדוק את תקינות דיודת המוליכים למחצה על ידי קביעת המתח שלה, לצלצל למעגל בהתנגדות של עד 5 אוהם, לבדוק טרנזיסטור של מוליכים למחצה, למדוד השראות וקיבול חשמלי. את המולטימטר הטוב ביותר לבית DT-830B ניתן לקנות תמורת 250 רובל. המכשיר מוגן מפני עומסים והוא מופעל באמצעות סוללת כתר 9 וולט.
למתחילים רבים יש שאלה: כיצד להשתמש במולטימטר DT 830B? הכל פשוט ביותר, העיקר לעקוב אחר ההוראות למכשיר המתארות בפירוט את כל הפעולות הדרושות למדידת כמות פיזית ספציפית. לדוגמה, לצורך חיווט בדירה או קביעת מעגל פתוח ברשת, יש צורך למדוד את ההתנגדות. לשם כך, מתג הסיבוב מוגדר למצב המתאים. אם המכשיר מצפצף, המעגל סגור. אם אין אות, זה מציין מעגל פתוח או שער ההתנגדות עולה על 50 אוהם.
מאמר קשור:
מייצב מתח 220V לבית: ערובה להפעלה ללא הפרעה של מכשירי חשמל ביתיים
סוגים ומאפיינים של מכשירים. קריטריונים לבחירת כלי. חישוב כוחו של המייצב. בחירת המודל הנכון.
כאשר מודדים זרם, חשוב מאוד לדעת כיצד להשתמש במולטימטר DT 830V בעל ערך רב. מיקום שגוי של החללית האדומה עלול לפגוע בנתיך הפנימי של המכשיר. כדאי גם להחליף מצבים בזהירות. אם המתג מוגדר בטעות ל- DCA כדי למדוד מתח, אתה יכול ליצור קצר בידיים שלך.
המכשיר עלול להיכשל אם הוא מופעל באופן שגוי או אם אנשי הקשר אבדו. תיקון של מודד ה- DT 830B מתחיל בבדיקת אספקת החשמל למכשיר. אז אתה צריך לבדוק את הביצועים של המיקרו-מעגל. הוא פועל אם המתח הוא 3 וולט, ואין הפסקה בין המסוף המשותף שלו לבין ספק הכוח. הנתיך נכשל לרוב ויש להחליפו בחדש. אל תעבוד עם בדיקות שניזוקו בבידוד. למען ביטחונך, עליך לקנות בדיקות סיליקון למולטימטר שמחירם מתחיל מ- 50 רובל.
מודלים משופרים מסדרת DT
הוראות השימוש במולטימטר DT 832 זהות לזו של הדגם הקודם. לדגם זה מחולל אותות מובנה נוסף. לבודק יש נתיך המגן על המכשיר מפני עומסי יתר.
ההוראות למולטימטר הדיגיטלי DT 832 מציינות בבירור את ערכי הגבול לכל טווח מדידה שלא ניתן לחרוג מהם ואת דיוק קביעתם. המכשיר יכול למדוד:
- זרם ישר בטווח שבין 200 μA ל -20 A;
- מתח משתנה מ- 200 וולט ל- 750 וולט;
- מתח קבוע מ 200 mV ל 1000 V;
- התנגדות מ- 200 אוהם ל -2 מוהם;
- רווח של טרנזיסטורים;
- המשכיות קשרים.

המולטימטר DT 832 אידיאלי לשימוש ביתי, מכיוון שהוא פשוט ונוח לשימוש, ומצויד גם בכל הפונקציות הבסיסיות וההכרחיות.
כיצד להשתמש במולטימטר DT 832 למדידת הרווח? לשם כך, יש לחבר את הטרנזיסטור למחבר המתאים של המכשיר על ידי הגדרת מתג הגבול למצב hFE. במקרה זה, יש צורך להקפיד על מוליכות ורכיבה על אופניים של הטרנזיסטור.
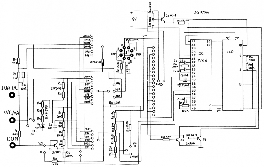
על פי מעגל המולטימטר DT 832, המכשיר מבוסס על מיקרו-מעגל פתוח, הגביש מולחם ישירות על המעגל המודפס. הנה מקור למתח ייצוב של 3 V. אם הוא מתקלקל, לא ניתן לתקן את המכשיר.
מודל פופולרי נוסף הוא המולטימטר Resant DT 838. מכשיר זה מאפשר לך למדוד זרם זרם זרם חילופין וזרם מתח, התנגדות, מתח, טמפרטורה ולבצע טאטוא קול של החוט. זה יכול לפעול בטמפרטורות בין 0 ל +40 ºС. הבודק מודד את המחוון לא פעם אחת, אלא פי 3-4. מהתוצאות שהתקבלו הוא בוחר את המחוון הממוצע שמוצג על המסך.
כדי להבין את פעולת המכשיר, עליך ללמוד בפירוט את המעגל של המולטימטר DT 838, המופיע במדריך ההוראות. בנוסף לפרמטרים הבסיסיים, המכשיר יכול למדוד טמפרטורות עד 1300 מעלות צלזיוס באמצעות חיישן חיצוני. לשם כך עליכם לבחור במצב המתאים, ובמקום הגששים, חברו את הצמד התרמי, הכלול בערכה. יש צורך לקבוע ישירות את הטמפרטורה של אובייקט; בהיעדרו, המכשיר מציג את הטמפרטורה הפנימית שלו.
תיקון עשה זאת בעצמך של המולטימטר DT 838 צריך להתבסס על דיאגרמת המכשיר. האינדיקטורים הבאים מצביעים על תקלה במכשיר:
- נקודת הסיביות מהבהבת ברציפות. כאן אתה צריך לבדוק את המיקום של הכדור במתג, שאמור להתאים היטב אליו.
- אם התוצאות ממצמצות במהלך מדידת ההתנגדות, במצבים אחרים ההתקן פועל כראוי, הדבר מעיד על תקלה של הנגד R18 או הטרנזיסטור Q1 (על פי מעגל המולטימטר DT 838).
- אם המכשיר מציג קריאות שווא, התרחש מעגל פתוח R33.
- אם במהלך המדידה הנוכחית הקריאות מהבהבות, הנגדים R0 ו- R1 פגומים.
ניתן לקרוא באתרים מיוחדים באינטרנט תהליך תיקון מפורט למולטימטר DT 838, שהתרשים שלו מציג בבירור את עקרון פעולתו.
בודקים פופולריים אחרים
הבא בדירוג הוא המולטימטר הדיגיטלי הקומפקטי RM 101, שנחשב למכשיר חצי מקצועי. יש לו מסך LCD גדול עליו הקריאות נראות בבירור אפילו מרחוק. המכשיר קובע אוטומטית את טווח המדידה. בנוסף ליכולות הסטנדרטיות, המכשיר יכול למדוד את הקיבול של הקבלים.
למולטימטר יש כיבוי אוטומטי ותפקוד התראת צליל. הבוחן מופעל על ידי שני אלמנטים AAA. אתה יכול לקנות מודד דיגיטלי עבור 1500 רובל.
מודד ה- DT 830 הפשוט הוחלף על ידי בודק דיגיטלי DT 9208, המשלב פונקציונליות גבוהה ומחיר משתלם.
למולטימטר טווח מדידה מורחב והוא משמש למדידה:
- מתח DC בטווח של 200 mV, 2 V, 200 V ו- 1000 V;
- מתח AC - 750 וולט, 200 וולט, 20 וולט;
- התנגדות ושלמות המעגל;
- זרם DC בטווח של 20 mA, 200 mA, 20 A;
- זרם חילופין - 200 mA, 20 A;
- תדרים בטווח של 2 קילוהרץ - 200 קילוהרץ;
- טמפרטורות מ -40 עד 1000 מעלות צלזיוס;
- פרמטרים של טרנזיסטורים ודיודות;
- קיבול של קבלים.
המכשיר מצויד בטיימר כבוי החוסך את קיבולת הסוללה ואת חיי המתג.
עקרון הפעולה של המכשיר זהה לזה של האנלוגים הקודמים. אם התצוגה מראה "!" לצד שקעי המכשיר, זה מצביע על כך שמתח הכניסה והזרם גבוהים מהערכים שצוינו. הודעה זו נועדה למנוע נזק למעגלי המכשירים. לפני כל מדידה, הגדר את הטווח הנדרש באמצעות המתג. אם הסמל "1" מופיע בתצוגה, מה שמעיד על עומס יתר במכשיר, יש צורך להחליף אותו לגבול העליון. מחירו של DT 9208 A הוא 700 רובל.
המולטימטר Mastech MY68 מאפשר למדוד זרם מתח וזרם מתח, התנגדות, תדר של אות סינוסי, לבדוק את הקיבול של הקבלים ואת פעולתם של רשתות מוליכים למחצה, לקבוע את הרווח של טרנזיסטורים דו-קוטביים, לחייג מעגלים חשמליים. הסולם הממני בתחתית התצוגה מציג את הנתונים שהתקבלו בצורה ליניארית.
המכשיר בעל עכבת קלט גבוהה, המעידה על דיוק מכשיר גבוה.המולטימטר קובע אוטומטית את מגבלת המדידה של הכמויות הפיזיות. כפתור "החזק" מאפשר לך להחזיק את הערך האחרון שהתקבל. הבודק מצויד במערכת לכיבוי אוטומטי של המכשיר אם הוא אינו פעיל למשך 40 דקות. בחירה במולטימטר דיגיטלי שמחירו כ 1200 רובל, שווה את זה לשימוש מקצועי.
הבחירה במכשיר מדידה צריכה להתבסס על שטח השימוש בו נוסף. אם המולטימטר ישמש אך ורק למטרות ביתיות, יש להעדיף דגמים קונבנציונליים. למדידות מיוחדות, עליכם לרכוש מכשיר רב תכליתי ודיוק גבוה.




















