I dag er det mange landseiere som leter etter alternative strømkilder. Installasjonen av solcellepaneler vokser gradvis i popularitet. Imidlertid har ikke alle råd til å kjøpe dyrt utstyr. Derfor lurer mange på: hvordan lage solcellepaneler med egne hender? Det riktige svaret vil bli avslørt i denne artikkelen.

DIY solcellepaneler: en rimelig strømkilde
Solbatteri - en enhet som omdanner solenergi til likestrøm

Hva er en solcelle?

En solcelle er en halvlederanordning som omdanner solstråling til elektrisk energi. Hovedoppgaven til et slikt system er en pålitelig, økonomisk og uavbrutt strømforsyning til huset. Det anbefales å installere slike enheter i områder der det er forstyrrelser i forsyningen fra hovedkilden til elektrisitet.

Solkraftverket fungerer ikke effektivt om natten og på overskyede dager, mens toppen av strømforbruket skjer nettopp på kveldstid
Solkraftverket fungerer ikke effektivt om natten og på overskyede dager, mens toppen av strømforbruket skjer nettopp på kveldstid

De viktigste fordelene med en solcelle er:

  • enkel installasjon av enheten, som ikke krever legging av kabler til støttene;
  • systemet krever ikke mye tid for vedlikehold;
  • strømproduksjon har ikke en skadelig innvirkning på miljøet;
  • strukturen har ingen bevegelige deler;
  • stille driftsmodus;
  • tilførselen av elektrisitet er ikke avhengig av distribusjonsnettet;
  • lang periode med systemdrift til minimale kostnader.

Ulemper med et solcellepanel:

  • produksjonsprosessen til systemet er veldig arbeidskrevende;
  • solcellepanelet tar mye plass;
  • enheten er veldig følsom for smuss;
  • batteriet fungerer ikke om natten;
  • effektiviteten til enheten avhenger direkte av værforholdene, nemlig på solfylte og overskyede dager.
Om vinteren er det verdt å ta vare på muligheten for å rense solcellepaneler for frost og snø.
Om vinteren er det verdt å ta vare på muligheten for å rense solcellepaneler for frost og snø.

Prinsippet med solbatteriet

Systemet fungerer ved hjelp av fotoelektriske omformere, som er koblet i en bestemt rekkefølge. Hver fotokonverter består av to silisiumplater som avviker i type ledningsevne. Den ene er dekket med fosfor, som et resultat av at det dannes et overskudd av negativt ladede elektroner her. Den andre platen er belagt med bor, noe som fører til dannelse av partikler som er fraværende i laget med negative ladninger, de såkalte "hullene".

Prinsippet for drift av en uuttømmelig kilde til alternativ energi er som følger: sollys treffer et negativt ladet panel, noe som fører til aktiv dannelse av ekstra "hull" og elektroner. Et elektrisk felt er tilstede på det fosforbelagte panelet, noe som viser en potensiell forskjell. Positivt ladede partikler skynder seg til det øvre laget, og negativt ladede går til det nedre. Konstant spenning skapes. Det viser seg at en omformer fungerer som et batteri. En likestrøm genereres i en krets når en belastning er koblet til den. Hvert batteri er dekket med tynne kobberårer som fører strøm og retter det til det tiltenkte formålet.

Strømstyrken avhenger av visse parametere:

  • størrelsen på fotokonvertereren;
  • insolasjon nivå
  • type fotocelle;
  • den totale motstanden til enhetene som er koblet til solcellepanelet.
Tilkobling og driftsdiagram for solstasjon
Tilkobling og driftsdiagram for solstasjon

Varianter av solcellepaneler

Alle solcellepaneler kan være silisium eller film. Paneler basert på silisium er delt inn i typer:

  • polykrystallinsk;
  • monokrystallinsk;
  • amorf.

Den polykrystallinske solcellen er en mørkeblå firkantet enhet. Overflaten er ispedd med inhomogene silisiumkrystaller. Til tross for den lave effektiviteten på 18%, har denne enheten evnen til å generere strøm under overskyet vær, noe som gjør dem uunnværlige i områder der det er diffust sollys.

Monokrystallinske solenergi-omformere er svarte paneler med avfasede hjørner som det brukes rent silisium til. Alle cellene i enheten er rettet i en retning, noe som gjør det mulig å oppnå en maksimal effektivitet på 25%. Ulempen med slike batterier er at deres frontside alltid må vende mot solen. Hvis det ikke greide å stige, gjemte seg bak skyene og sank under horisonten, vil solcellepaneler produsere en strøm med svak kraft. Det er den dyreste, men også den mest produktive typen enhet.

Fleksibelt solcellepanel er enkelt å bruke - det kan enkelt festes til ujevne takområder
Fleksibelt solcellepanel er enkelt å bruke - det kan enkelt festes til ujevne takområder

Hvert amorfe batteri består av mange tynne lag silisium, som oppnås ved å spraye de minste materialpartiklene på glass, plast eller folie. Slike lag brenner raskt ut, noe som etter seks måneder fører til en reduksjon i effektiviteten til enheten med 15-20%. Effektiviteten til slike omformere er bare 6%. De er de billigste og kan fungere selv i overskyet vær. Deres maksimale levetid er imidlertid 2 år.

Filmbatterier er ikke basert på et solid metall- eller glassunderlag, men på en polymerfilm. Derfor produseres de i ruller, noe som gjør det mulig å spre batteriene over store områder. På grunn av utformingen kan de kuttes i biter av forskjellige former og størrelser, og solcellepaneler kan plasseres på taket av et hus med glatte kurver. De er kompakte og lette. Et valset panel vil koste betydelig mindre enn et silisium, for produksjon av hvilket et dyrt materiale brukes. Imidlertid er disse modellene mindre kraftige. Det er ganske vanskelig å anskaffe dem i dag, siden produksjonen bare utvikler seg.

Alle solcellepaneler, uavhengig av enhetstype, er utstyrt med kontroller som overvåker panelets ladetilstand. De fordeler den mottatte energien, leder den direkte til kilden til forbruket eller lagrer den i batteriet.

Installer stasjonære solcellepaneler bare fra solsiden av huset.
Installer stasjonære solcellepaneler bare fra solsiden av huset.

Solcellepaneler for et privat hus

Dette alternativet til tradisjonell strømforsyning er veldig praktisk. Videre skiller prisen på enheten seg betydelig fra kostnadene for strøm.Etter å ha laget et solbatteri til huset med egne hender, vil eieren kunne optimalisere strømforbruket og derved redusere sine egne kontantkostnader. Mange ønsker å forstå på forhånd hvor mye det vil koste å installere solcellepaneler til et privat hus. For dette er det nødvendig å utføre foreløpige beregninger som bestemmer den nødvendige kraften til utstyret og forholdene for drift.

Man bør begynne med å beregne mengden energiforbruk som er nødvendig for å skaffe bolig. Når du lager en fullverdig stasjon, er det verdt å fokusere på batterier på 150-250 W; for et landsted vil 50 W-paneler være nok.

Nå bør du beregne den totale effekten til alle elektriske apparater, med tanke på driftstiden per dag. Den resulterende verdien er minimumskravet til strøm for en gitt husstand.

Solcellepaneler er en alternativ måte å generere strøm som vil eliminere tjenestene til et kraftverk
Solcellepaneler er en alternativ måte å produsere elektrisitet på, noe som vil eliminere tjenestene til et kraftverk

Denne verdien er grunnlaget for den påfølgende bestemmelsen av antall solcellepaneler og antall ekstrautstyr, som inkluderer batterier, omformere og kontrollere.

Nyttige råd! Det er verdt å legge til ytterligere 20% til det totale strømbehovet, som brukes i selve batteriene.

Et viktig aspekt er isolasjon, det vil si mengden solenergi som faller på en enkelt enhet av panelområdet. Denne verdien er individuell for hver spesifikke region. Du kan få det i spesiallitteratur eller på spesialiserte meteorologiske steder.

Energinormen divideres med isolasjonsverdien. Den resulterende figuren må deles med den totale kraften til solenergianlegget. Den resulterende verdien er antall nødvendige batterier. Det er viktig å få maksimalt antall paneler her. Faktisk, i forskjellige måneder vil mengden sollys være forskjellig.

Før du installerer en solstasjon, er det verdt å sørge for at den kan dekke behovene til alle apparater i huset.
Før du installerer en solstasjon, er det verdt å sørge for at den kan dekke behovene til alle apparater i huset.

Nyttige råd! Siden isolasjon er i stadig endring, bør beregninger gjøres månedlig.

For eksempel, hvis du trenger å vite hvor mange solcellepaneler som trengs for et hus på 100 kvm, der stasjonen vil drive lyspærer, en bærbar datamaskin, en TV, en parabol, mikrobølgeovn og en elektrisk komfyr, skal alle ovennevnte beregninger utføres. Som et resultat vil kraften til solstasjonen være omtrent 1000 W, noe som innebærer bruk av 4 solcellepaneler med en effekt på 250 W.

Panelet skal plasseres på den sørlige delen av taket, som skal være i perfekt stand og i stand til å bære en betydelig belastning. Det bør ikke være trær eller andre gjenstander i nærheten som skaper skygger.

Et slikt system kan ikke bare brukes til strømforsyning. Oppvarming av solcellepaneler i et privat hus får stor popularitet. Dette lar deg komme vekk fra den dyre tjenesten som er forbundet med sentralisert gassforsyning, bli kvitt avhengighet av verktøy, og få varmen året rundt over solkraftverkets lange levetid.

Prinsippet om drift av en solstasjon koblet til et varmeelement i huset
Prinsippet om drift av en solstasjon koblet til et varmeelement i huset

Installasjon av et slikt system anbefales kun for de områdene hvor solen skinner minst 20 dager i måneden. Hvis solen ikke er tilstrekkelig til at systemet kan varme opp huset fullt ut, kan det brukes som en ekstra gratis kilde. Et riktig valgt solcellepaneloppvarmingssystem vil betale seg selv om 3-4 år.

Solcellepaneler for hjemmet: forbrukeranmeldelser

Takket være mange positive anmeldelser om en alternativ strømkilde er det mulig å fjerne mytene som plager potensielle søkere. solcellepaneler.

Mange tror at så dyrt utstyr ikke vil betale for seg selv gjennom hele installasjonen. Men som praksis viser, med riktig installasjon av solcellepaneler i samsvar med alle reglene, kan du gi et privat hus med strøm i minst 25 år. Og kostnadene for utstyret vil lønne seg om 3-4 år.

Det bør bemerkes at forbrukeranmeldelser av solenergi for det meste er positive.
Det bør bemerkes at forbrukeranmeldelser av solenergi for det meste er positive.

Den neste myten innebærer ineffektiv drift av solcellepaneler i overskyet vær eller om vinteren. Meninger fra forbrukerne er enige om at solfangere er i stand til å vise maksimal aktivitet under solens toppunkt i skyfri vær. Men når solen gjemmer seg bak skyene, vil panelene fungere, men ikke i sin helhet. Installasjonen slutter å fungere om natten når det ikke er sollys i det hele tatt.

Motstandere av solcellepaneler hevder at solfangere er ganske skjøre og ikke tåler de forskjellige belastningene som naturen skaper. Imidlertid viser forbrukeranmeldelser det motsatte: solcellepanelet tåler til og med stort hagl.

Relatert artikkel:

Solcellepaneler for hjemmet: kostnaden for settet og muligheten for installasjon

Tekniske krav for installasjon av solcellepaneler. Funksjoner ved valg og installasjon. Gjennomgang av produsenter.

Den neste myten gjelder snø, som kan blokkere tilgangen til lys til systemet. Men her er faren frost, som snøen vil feste seg til og skape hindringer. For å unngå dette kan du plassere batteriene vertikalt på huset, så kan du unngå mye glidende lys.

Og den siste myten gjelder kinesisk produksjon av solcellepaneler. Til tross for et veldig solid utvalg av produkter, produserer fabrikker i Kina ofte varer av høy kvalitet. Dette gjelder spesielt for produksjon av solfangere og varmeledninger, hvis produksjon er 90% konsentrert i Kina. Disse produktene har høye tekniske egenskaper og er sertifiserte ikke bare i eget land, men også i Tyskland.

Mange positive anmeldelser på Internett viser at en alternativ strømkilde ikke bare er bra for et privat hjem. Mange bruker solcellepaneler med hell for en leilighet som er installert på en balkong. De kan festes direkte på glasset eller i glassrammen, som fungerer som fargetone.

Noen brukere hevder at en solstasjon fullt ut kan dekke alle strømutgiftene - fra små husholdningsapparater til et oppvarmings- og vannoppvarmingssystem.
Noen brukere hevder at en solstasjon fullt ut kan dekke alle strømutgifter - fra små husholdningsapparater til et oppvarmings- og vannoppvarmingssystem.

Sett med solcellepaneler 3 kW for en sommerbolig fra 60.000 rubler

I landet er det som regel elektriske apparater med lav effekt, hvor det kreves et begrenset antall batterier og en kort bruksfrekvens. Hvis det ikke er noen sentralisert strømforsyning ved dachaen, er det tilrådelig å installere et sett med solcellepaneler som vil generere strøm gratis. For å få en så umåtelig glede, må du imidlertid i utgangspunktet bruke på kjøp av nødvendig materiale, og kostnadene vil lønne seg først etter noen år.

For å produsere 1 kW strøm kreves et sett med en kapasitet på mer enn 200 W. Ifølge mange anmeldelser er solkraftverk for et hus i et landsted med en kapasitet på 800 W i stand til å gi full autonom strømforsyning til et objekt. Kostnaden for et slikt system vil koste 80.000 rubler.

Et standard sett med solkraftverk for sommerhus består av 200 W paneler, en 40 A ladekontroll, en 3 kW inverter, to 200 A batterier og andre tilleggsdeler.Prisen på et slikt sett starter fra 60.000 rubler, og den omtrentlige tilbakebetalingsperioden er 3-5 år. Dette er imidlertid den mest lønnsomme måten å produsere strøm til anlegg uten sentralisert strømforsyning. Det er billigere enn å bruke en dieselgenerator.

Komponenter av solstasjonen
Komponenter av solstasjonen

Ifølge eierne er det bedre å utstyre solcellepaneler til et hjem i en sommerhus med to eller fire moduler med en kapasitet på 200 V hver. Det avhenger av antall energiforbrukere, varighet og hyppighet av bruken. Hvis kapasiteten ikke er nok, kan den økes ved å legge til solcellepaneler.

Mange kjøper et slikt sett for privat sektor, der det er en sentralisert strømforsyning, som en ekstra energikilde. Mange vurderinger av solcellepaneler til hjemmet indikerer at du i dette tilfellet kan spare betydelig på å betale strømregninger.

Hvordan lage solcellepaneler med egne hender

Når det ikke er mulig å kjøpe en ferdig solstasjon, kan du lage den selv. Det er to alternativer her: Kjøp ferdige moduler og koble dem til et batteri med en inverter, eller lodd panelet selv. Den første monteringsmetoden er rask, men dyrere. Det andre alternativet krever en viss dyktighet fra montøren, som må være ekstremt forsiktig med skjøre fotoceller.

Fire solcelleplater genererer totalt 2W strøm
Fire solcelleplater genererer totalt 2 volt strøm

For å lage et solcellepanel for hjemmet ditt med egne hender, må du forberede visse materialer.

Den første hovedkomponenten for å lage solcellepaneler er et sett med solceller av høy kvalitet. I dag er det mulig å kjøpe elementer laget av polykrystallinsk eller monokrystallinsk silisium. Mer populære er de nyeste solcellene, som er ideelle for strømforsyning hjemme.

Nyttige råd! Alle elementene som er nødvendige for montering, skal kjøpes fra en produsent. Siden materialene fra forskjellige merker skiller seg betydelig, noe som vil komplisere monteringen av hele strukturen.

Det kreves et sett med spesielle ledere for å koble til fotocellene. For produksjon av saken til det fremtidige batteriet er værbestandige hjørner av aluminium egnet. Størrelsen på saken avhenger av antall fotoceller. Det er bedre å bruke gjennomsiktig polykarbonat eller plexiglass som et ytre belegg for fotoceller, som forhindrer penetrering av infrarøde stråler. Som tilleggsmaterialer trenger du festeutstyr, elektriske ledninger i kobber, Schottky-dioder, vakuumstativ i silikon og et sett med skruer for fester.

Et solbatteri kan settes sammen av skrapmaterialer, men effektiviteten til et slikt batteri vil ikke være høy
Et solbatteri kan settes sammen av skrapmaterialer, men effektiviteten til et slikt batteri vil ikke være høy

I tillegg til FEP, må du kjøpe en 12 V 200 V inverter til hjemmet ditt, som konverterer likestrøm til vekselstrøm. Det er behov for et par gel- eller AGM-batterier for å lagre og sakte forbruke strøm. Et like viktig element er kontrolleren som kreves for å koble batteriet fra batteriet under full ladning og slå det på for å motta en ny del strøm.

Du kan også montere et solcellepanel med egne hender fra tilgjengelige verktøy. For dette er dioder, folie eller transistorer egnet. Arbeidet med et solbatteri fra dioder oppstår som et resultat av en spenning på ca. 2,5 V i direkte sollys. Når solen ikke er nok, begynner denne indikatoren å falle raskt, og diodene begynner å forbruke energi. Å bruke et slikt batteri er ineffektivt.

En folieinnretning er mer egnet for produksjon av termisk energi. Folie er også et ideelt materiale for PVC-underlag. Den mest effektive er en solcelle, samlet fra transistorer. Jo mer antall, jo høyere er kraften til enheten.Den øvre delen av hver transistor må kuttes, pulver helles ut. Pinnen på enheten er kontaktene. Dette batteriet er designet for å drive lading av telefonen. For mer alvorlige hendelser er kapasiteten ikke nok.

En solstasjon kan betraktes som en langsiktig investering av penger som vil lønne seg og i fremtiden vil være lønnsom
En solstasjon kan betraktes som en langsiktig investering av penger som vil lønne seg og i fremtiden vil være lønnsom

DIY solcellepaneler for hjemmet: trinnvise instruksjoner for å lage

Etter at alle nødvendige elementer er forberedt, kan du fortsette med å montere strukturen, som består av følgende trinn:

  1. Oppretting av en ramme av aluminiumshjørner med lave sider og maskinvare, hvis størrelse avhenger av antall omformere og deres område. Her bør avstanden mellom FEP tas i betraktning minst 5 mm.
  2. Påfør tetningsmasse på innsiden av kantene.
  3. Legg et ark med gjennomsiktig materiale på rammen, og hold deg godt fast på limlinjen.
  4. Etter at tetningsmassen har tørket helt, bruker du maskinvare til å feste rammen og den gjennomsiktige overflaten.
  5. Legg ut alle fotocellene på batteriet med den negative siden opp på en flat overflate.
  6. Gjennom loddeverktøy ledere av samme lengde er koblet til hver FEP. Dette gjøres mest praktisk når modulen er på glasset.
  7. Alle elementene er koblet i serie med hverandre i form av en "slange".
  8. De ytterste kontaktene må loddes til bussen (sølvbred leder).
  9. For å forhindre en reduksjon i belysningskvaliteten om natten, er det nødvendig å lage "midtpunkter" ved hjelp av shuntdioder, som er installert på den positive terminalen. Schottky-dioder er egnet for dette.
  10. Plasser fotoceller med ledere på en gjennomsiktig overflate.
  11. Smør alle FEPer, før ut og koble ledninger med silikonlim.
  12. Lukk strukturen med bakpanelet.
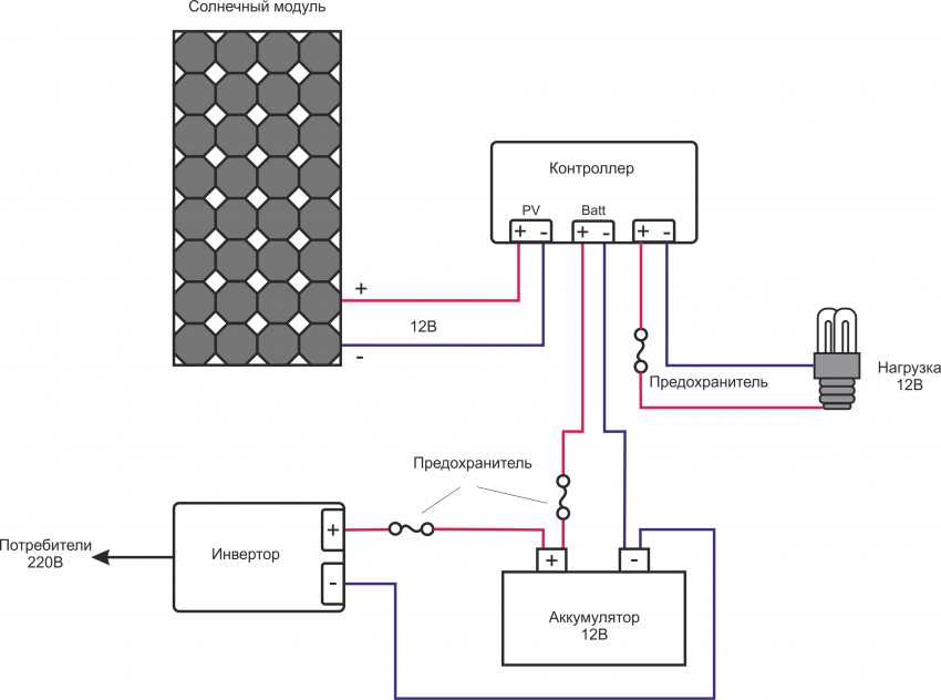
  13. Koble solcellepanelet til batteriet, solcellestyringen og inverteren.
Enkelt koblingsskjema for solcellepanel
Enkelt koblingsskjema for solcellepanel

Nyttige råd! For å forhindre kortslutning mellom lasten og de enkelte battericellene, må sikringer installeres.

Nesten alle huseiere ønsker gratis strøm. Installering av solcellepaneler er det mest levedyktige alternativet. Ved hjelp av denne enheten kan du opprette en hovedstrøm (uten sentralisert strømforsyning) og en ekstra strømkilde. Systemet er miljøvennlig og pålitelig å bruke. Den største ulempen er dyrt utstyr. Imidlertid vil kostnadene lønne seg innen 3-5 år.