Un însoțitor inevitabil al zonei de grădină este resturile de plante sub formă de iarbă și ramuri. Nu este practic să aruncați sau să ardeți astfel de deșeuri, deoarece este posibil să obțineți îngrășăminte naturale din acestea. Este suficient să-l măcinați la starea de jetoane. Un tocător de grădină poate face față acestei sarcini cu ușurință. Cu toate acestea, dacă nu există nicio oportunitate financiară de a-l achiziționa, atunci puteți face o tocătoare de grădină cu propriile mâini. Cum se face acest lucru - acest articol vă va spune în detaliu.
Conţinut
- 1 Tocător de grădină DIY: elemente structurale de bază
- 2 Etape de creare a unui tocător de grădină cu ramuri cu propriile mâini
- 3 Crearea unui tocător cu un pachet de pânze de ferăstrău stivuite
- 4 Crearea unui tocător de disc cu lamă
- 5 Instrucțiuni de asamblare pentru tocătorul cu două role
- 6 Cum se face un tocător din materiale uzate
- 7 Subtilități atunci când alegeți un motor pentru o tocătoare
- 8 Principalele avantaje ale tocătorilor de grădină de casă
Tocător de grădină DIY: elemente structurale de bază
Tocător de grădină, este un tocător sau tocător, facilitează foarte mult procesul de îngrijire a unei cabane de vară. Cu ajutorul acestuia, puteți curăța cu ușurință zona de ramuri și iarbă. Materiile prime reciclate pot fi depozitate în groapă de compost pentru a obține îngrășământ natural. Este recomandabil să folosiți lemnul mic rezultat ca lemn de foc pentru încălzirea casei. Cipsurile mărunțite din pomi fructiferi sunt ideale pentru fumatul cărnii.
Proiecta tocător de grădină suficient de simplu. Se compune din următoarele părți principale:
- buncăr;
- conduce;
- mecanism de măcinare;
- cadru metalic cu capac protector.
Unele modele pot fi echipate cu elemente suplimentare:
- buncăr pentru deșeuri organice mărunțite;
- împingător;
- o sită pentru reglarea fracției de așchii.
Principiul de funcționare al oricărui râșniță este același cu cel al râșniței de carne și este după cum urmează. La pornirea tocătorului, pornește motorul, care acționează arborele de lucru echipat cu mecanismul de tăiere. În acest moment, resturile de grădină cad în pâlnia de recepție și, folosind un dispozitiv de tăiere, sunt zdrobite până la starea de așchii fine.
Sfat util! Atunci când efectuați lucrări legate de prelucrarea deșeurilor de grădină, ar trebui să utilizați echipament de protecție personală - ochelari, mănuși etc.
Mecanism de tocat
Înainte de a începe să creați un tocător de casă, trebuie să definiți clar tipul de deșeuri pe care le va recicla.Acest lucru depinde direct de caracteristicile și performanțele sale de design. Tocătoarele de grădină sunt clasificate în funcție de trei parametri principali: tipul și puterea motorului și tipul tocătorului.
Sunt disponibile următoarele opțiuni de tăiere:
- frezare, pentru prelucrarea lemnului de esență tare;
- cuțit universal;
- role, pentru măcinarea ramurilor subțiri de copaci și arbuști;
- cu turbine rotative pentru mărunțirea ramurilor groase;
- ciocan, pentru eliminarea ramurilor subțiri;
- aparat de tuns pe linie pentru resturi moi.
La auto-asamblarea polizorului, se preferă un sistem de cuțite sau un set de tip ferăstrău circular. Puteți realiza un design cu două role, în care două sau trei cuțite sunt instalate pe un disc masiv și se rotesc unul către celălalt.

Diferite tipuri de mecanisme de măcinare: 1 - ciocan, 2 - frezare, 3 - frezare cu cuțite și turbină, 4 - disc cuțit
Tipul și puterea motorului
Tocatorul poate fi echipat cu un motor electric sau pe benzină. Fiecare dintre ele are avantaje importante și unele dezavantaje. Mașina de tocat grădină pe benzină este mai mobilă. Funcționarea sa este independentă de sursa de alimentare. Este capabil să proceseze ramuri mai groase și mai mari. Cu toate acestea, astfel de tocătoare sunt mai voluminoase și mai grele. În plus, ele emit substanțe nocive în atmosferă în timpul activităților lor.
Tocătoarele cu motor electric sunt mai ușoare și mai convenabile de utilizat. Cu toate acestea, acestea sunt inferioare din punct de vedere al puterii și depind de resursa energetică.
Capacitatea de a recicla un anumit tip de deșeuri de grădină depinde de puterea motorului. Pentru volume mici de deșeuri, unde diametrul ramurilor nu depășește 20 mm, este suficient un motor de 1,5 kW. Dacă este necesar să măcinați ramuri cu o grosime de 20-40 mm, atunci este recomandabil să utilizați un motor cu o putere de cel puțin 3,5-4 kW. Tocătoarele echipate cu un motor de 6 kW vor putea face față lemnului mare cu diametrul de 100-150 mm.
O altă caracteristică de proiectare a tocătoarelor este tipul de unitate. Această funcție poate fi îndeplinită de un lanț, curea sau arborele motorului, pe care este fixat mecanismul cuțitului.
Etape de creare a unui tocător de grădină cu ramuri cu propriile mâini
Realizarea unei tocătoare cu propriile mâini este un proces foarte laborios care necesită cunoștințe tehnice și un nivel ridicat de abilități practice de la comandant. Întreaga lucrare constă din două etape. Primul, pregătitor, este să creați un desen al unui tocător de grădină cu propriile mâini și să cumpărați materialele necesare. A doua etapă este asamblarea tocătorului în sine.
Creați un desen de tocător
Desenul se poate face manual sau se poate utiliza un program special de proiectare pe computer. Structura principală a tocătorului constă dintr-un buncăr, un cadru, un motor, un arbore cu un mecanism de cuțit și un capac de protecție.
Exemplele proprii de desene ale tocătorilor de ramuri arată clar că pot fi utilizate diferite mecanisme de zdrobire pentru sistemul de tăiere.
În cazul utilizării unui set de ferăstraie circulare, desenul polizorului va fi destul de simplu. Un arbore cu ferăstraie circulare fixe în cantitate de 15-30 de bucăți este instalat pe un cadru metalic, care este acționat de un motor folosind o transmisie cu curea. Pentru a face acest lucru, scripetele sunt situate la capetele arborelui și ale motorului. Așa cum arată desenele de tocător de bricolaj, ramurile pentru încălzirea unei case sunt mărunțite tocmai datorită unui astfel de sistem de tăiere.
Sfat util! Pentru o funcționare mai eficientă a tocătorului, între ferăstraie circulare ar trebui instalate distanțieri subțiri din plastic sau metal.
Pentru a crea o tocătoare cu un sistem de mărunțire a discului cuțit, desenul indică diametrul discului de tăiere, numărul de cuțite și locația lor.Discul în sine poate fi așezat vertical sau la un unghi. Numărul de cuțite afectează gradul de tocare. Pot fi de la 1 la 3 bucăți.
Există o opțiune pentru a crea un tocător cu doi arbori. Puteți face cunoștință cu un astfel de sistem de măcinare în videoclip. Desenele DIY ale unui tocător de ramuri cu un sistem de tăiere cu două role se disting prin prezența a doi arbori cu cuțite simultan, care sunt situate între plăcile metalice. Fiecare arbore este echipat cu 3-4 cuțite. Cuțitele în sine sunt fixate cu șuruburi și decalate în lateral față de centrul arborelui.
Patru rulmenți sunt fixați în găurile plăcilor metalice, care sunt responsabile de rotația liberă a arborilor. Și două trepte de viteză, acționate de un motor, asigură rotația sincronizată a acestora. Cuplul de la motor la transmisie este transmis de o transmisie cu lanț sau curea. Distanța dintre arbori este selectată pe baza lățimii cuțitelor și a grosimii ramurilor.

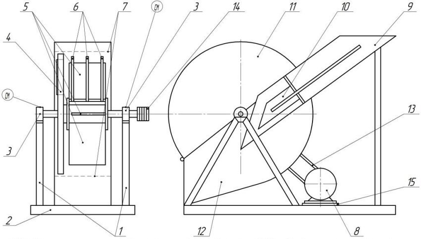
Dispozitiv de tocat: 1 - înveliș cadru, 2 - cadru, 3 - cutie de viteze, 4 - arbore de lucru, 5 - arbore de transmisie, 6 - curea trapezoidală, 7 - motor electric, 8 - platan rotativ
Sfat util! Tăierea ramurilor mici și a ierbii necesită motoare de mare viteză. Și pentru tăierea ramurilor mai mari, puterea este importantă. Aici este necesar să se reducă numărul de rotații pentru motoarele puternice.
Materiale necesare pentru realizarea unei tocătoare
Pentru a realiza un tocător de grădină, unde un set de ferăstraie circulare acționează ca un sistem de tocare, trebuie să achiziționați următoarele componente:
- ferăstraie circulare în cantitate de 15-20 buc. diametru 18 cm;
- motor;
- 2 scripete;
- 2 rulmenți cu elemente de fixare;
- șaibe metalice în cantitate de 17-22 bucăți de până la 5 mm grosime pentru separarea ferăstrăului circular;

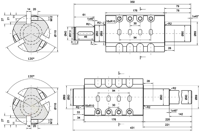
Dispozitiv cu arbore de lucru (antrenat): 1 - bucșă, 2 - arbore, 3 - element de tăiere, 4 - șurub M12 x 35 mm cu hexagon intern, 5 - șaibă cu arc A12, 6 - cerc 40 x 2,5 mm, 7 - angrenaj MSGA4-50, 8 - rulment nr. 6210
- țevi de profil pentru crearea unui cadru;
- tablă de metal cu o grosime de aproximativ 2 mm pentru buncăr și carcasă.
Pentru o tocătoare cu un disc de cuțit, veți avea nevoie de:
- motor;
- tablă groasă de 2 mm;
- tablă de metal și cuțite pentru disc.
Pentru a crea o tocătoare cu două arbori, trebuie să achiziționați următoarele materiale:
- motor pe benzină sau electric;
- două plăci metalice de 10 mm grosime:
- o pereche de roți dințate pentru a asigura mișcarea sincronă a arborilor;
- un angrenaj sau fulie pentru transmiterea cuplului de la motor la arbori;
- o scripete pentru arborele motorului;

Dispozitiv pentru arbore de acționare: 1 - inel de fixare 30 x 2 mm, 2 - angrenaj MSGВ4-15, 3 - bucșă, 4 - arbore, 5 - rulment nr. 6207, 6 - scripete antrenată
- 5 rulmenți cu suporturi;
- tăiere cuțite;
- țevi de profil pentru a crea un cadru;
- tablă cu o grosime de cel puțin 2 mm pentru a crea o buncăr de recepție și un capac de protecție.
Articol asociat:
Tocător electric de grădină de ramuri și iarbă: o prezentare generală a modelelor populare
Alegerea unui dispozitiv pentru indicatori tehnici. Cum să faceți singur o tocătoare din materiale de fier vechi.
După cum se poate vedea din lista prezentată, designul polizorului de disc este cel mai simplu și mai accesibil. Cu toate acestea, acest tocător poate tăia ramuri cu diametrul de până la 20 mm. Dar tocătorul cu doi arbori poate face față cu ușurință lemnului mare cu un diametru de până la 80 mm.
Ansamblul tocătorului
Având toate elementele necesare, puteți începe în siguranță să creați cu propriile mâini un design al tocătorului de ramuri de grădină pe baza desenului finalizat. Asamblarea unui tocător de grădină, indiferent de tipul de proiectare a mecanismului, constă în mai mulți pași secvențiali:
- Instalarea cadrului.
- Crearea buncărului.
- Asamblarea mecanismului de tocare.
- Instalarea motorului și dispozitivul de tocat pe cadru.
Crearea unui tocător cu un pachet de pânze de ferăstrău stivuite
Mecanismul de mărunțire a acestor mărunțitoare constă din ferăstraie circulare, care, alternativ cu șaibele distanțatoare, sunt montate pe arbore.Fiecare disc are o varietate de dinți care pot manipula chiar și lemnul dur. Prin urmare, va prelucra iarba moale, vârfurile și frunzele în câteva minute. Când dinții ferăstrăului sunt plictisitori, aceștia pot fi înlocuiți cu ușurință cu alții noi.
Arborele tocătorului poate fi pornit pe un strung sau folosit gata fabricat din cutia de viteze a unei mașini vechi. Distanța dintre ferăstraie adiacente ar trebui să fie de aproximativ 10 mm. Un spațiu mai mic va reduce zona de lucru a tocătorului. A face un spațiu mai mare va avea tendința de a provoca blocarea ramurilor mici.
Sfat util! Dinții de ferăstrău nu trebuie așezați pe aceeași linie, fixându-i pe arbore. Mai bine să le setați la întâmplare. Acest lucru reduce sarcina pe arborele și motorul tocătorului.
Este mai bine să folosiți un motor electric, care este practic silențios în timpul funcționării și nu emite substanțe nocive în atmosferă. Pentru zdrobirea materialului grosier, puteți utiliza tractor în spatecare are multă putere. Motorul trebuie așezat pe un suport mobil, astfel încât tensiunea unității să poată fi reglată.
Cadrul tocătorului poate fi sudat folosind canale, unghiuri sau țevi metalice profilate. O bară de împingere realizată dintr-un profil metalic poate fi sudată la baza structurii, care va deveni un suport pentru tulpini și ramuri în timpul zdrobirii. Când creați piedestaluri pentru rulmenți, este important să nu vă înclinați. Axele motorului și ale arborelui trebuie să fie în planuri paralele.
Designul buncărului merită o atenție specială. Poate fi realizat din tablă. Containerul ar trebui să fie suficient de puternic pentru a rezista la impactul așchiilor zburătoare de pe ramuri. Cu ajutorul unei plăci de bază mobile în corpul buncărului, este posibil să reglați dimensiunea așchilor. Deci, fragmente mai mici sunt potrivite pentru fertilizare, iar așchii mai mari sunt potrivite pentru aprindere.
Dimensiunea prizei de recepție trebuie să fie mai mare decât lungimea brațelor pentru a le proteja de daune. Acest lucru contribuie, de asemenea, la capacitatea de a ghida ramurile în tocător într-un unghi confortabil.
Un astfel de tocător de grădină, de bricolaj, de ramuri și iarbă este capabil să facă față atât deșeurilor moi, cât și lemnului gros și gros. Cu toate acestea, principala sa problemă este înfundarea spațiului dintre ferăstrău, care necesită curățare regulată.
Crearea unui tocător de disc cu lamă
Puteți crea un astfel de tocător de iarbă cu propriile mâini din materiale reziduale. Deoarece este conceput pentru zdrobirea resturilor moi, designul său va fi foarte simplu, dar nu va avea un indice de rezistență ridicat. Puteți suda o buncăr de tablă sau puteți folosi o găleată obișnuită de metal. Un caz de la un fan vechi va funcționa, de asemenea.

Desen de asamblare a tocătorului cu un disc cuțit: 1 - cuțite 4 buc, 2 - tăietor de disc, 3 - rulmenți Nr. 307
Pentru a crea un sistem de tăiere pe un disc metalic, cuțitele sunt introduse în sloturi speciale, care pot fi prefabricate dintr-un arc cu foi dintr-o mașină. Discul este montat pe arbore. Urmează caseta de primire. Pentru un astfel de tocător, este potrivit un motor cu putere redusă de 1 kW. Toate detaliile despre crearea unei mașini de tocat iarbă electrică de grădină bricolaj pot fi vizualizate în videoclipurile oferite pe internet.
Instrucțiuni de asamblare pentru tocătorul cu două role
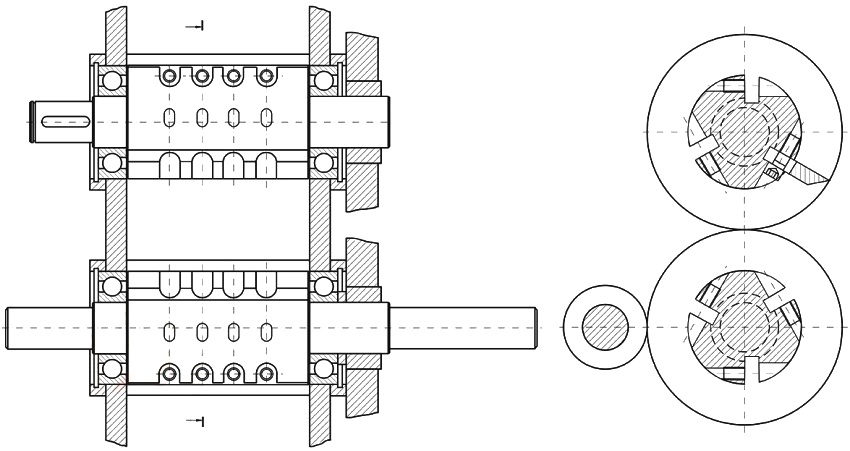
Munca începe cu crearea cadrului. Pentru a face acest lucru, folosind un polizor unghiular dintr-o țeavă de profil, sunt tăiate două piese cu o lungime de 80 cm și patru părți cu o lungime de 40 cm. În continuare, secțiunile scurte sunt sudate între două piese lungi în unghi drept. Cele două părți interne trebuie să fie distanțate una de alta, astfel încât tamburul tocătorului să fie instalat în siguranță.
Sfat util! Pentru ca dispozitivul să fie mobil, structura trebuie să aibă roți pentru mișcare. Pentru a face acest lucru, două rafturi sunt sudate de cadru, pe care este atașată o axă cu roți.
Următorul pas este crearea arborilor pentru tamburul de tocat. Dacă intenționați să instalați patru cuțite pe un singur arbore, atunci vom folosi o piesă de prelucrat din metal pătrat. Facem ambele capete rotunde, astfel încât să poată intra în rulmenți. Pentru trei cuțite, aveți nevoie de un semifabricat rotund în care partea centrală este ascuțită. Se realizează trei tăieturi plate pentru instalarea ulterioară a cuțitelor.
Pentru a crea cuțite, puteți lua o bucată mică dintr-un arc KamAZ. În cuțite se fac găuri de șuruburi. Atunci ar trebui să fugi cuțite de ascuțit pe o mașină de rectificat, unde unghiul muchiei de tăiere este selectat cu o valoare de 35-45 de grade. În plus, cuțitele ascuțite sunt aplicate pe arbore și sunt marcate locurile de fixare a acestora, în care sunt create găuri și se taie un fir.
Apoi, continuăm să creăm un mecanism de măcinare. Găurile rotunde sunt realizate în doi pereți metalici folosind o mașină de sudat pentru a instala rulmenți. Folosind plăcuțe și șuruburi speciale, instalăm rulmenții în interiorul pereților metalici. Introducem arbori în rulmenți, fixându-i în siguranță. Acestea ar trebui să fie situate la o distanță suficientă pentru a exclude posibilitatea contactului lor. Apoi, pereții tamburului sunt conectați utilizând șuruburi și piulițe filetate din metal.
Acum începem să creăm buncărul de recepție. Pentru a face acest lucru, patru paralelipipede sunt tăiate din tablă subțire. Mai mult, fiecare margine este îndoită cu 4 cm. O secțiune scurtă într-o direcție, una lungă în direcția opusă. Conectăm toate piesele folosind nituri auto-strângătoare sau sudare. Găurile pentru elementele de fixare sunt realizate la marginile îndoite de la baza cutiei.
Acum, uneltele sunt puse pe arbori pentru a sincroniza mișcarea, iar întreaga structură este instalată pe cadru și fixată cu șuruburi. Apoi este instalat motorul, care este conectat la arbore printr-o transmisie cu curea sau un lanț. Este mai bine să luați un motor de putere mare, dar cu o viteză redusă. La sfârșit, este instalată și fixată o pâlnie de recepție. Apoi, se pune un capac de protecție pe toate părțile rotative ale tocătorului pentru a preveni pătrunderea obiectelor străine în tocător.
Principalele avantaje ale unei astfel de unități sunt puterea mare și capacitatea tehnică de a tăia ramuri groase cu un diametru de 20 până la 80 mm. Acest lucru va depinde de numărul de cuțite și de numărul de rotații. Pe numeroase site-uri de pe Internet, sunt prezentate recomandări detaliate despre cum să faceți o tocătoare de ramuri cu propriile mâini. Exemplele video arată mai clar întregul proces de asamblare și instalare a unui dispozitiv de casă.
Cum se face un tocător din materiale uzate
Mulți proprietari gospodari și gospodari nu se grăbesc să arunce uneltele și aparatele electrocasnice vechi. Ei găsesc noi utilizări pentru ei. Merită să arătați puțină imaginație, să activați logica și ingeniozitatea și puteți crea un adevărat asistent în gospodărie din instrumente improvizate și piese vechi. Luați în considerare câteva opțiuni simple pentru realizarea unei tăietoare de iarbă și de iarbă de casă din materiale simple și accesibile.
Tocător de la polizor și aspirator
Un astfel de design de casă este un tocător de grădină bricolaj realizat dintr-o râșniță, un aspirator vechi și cuțite de tuns iarba. Un binecunoscut inventator Vladimir Belyaev și-a propus propriul tăietor de ramuri cu propriile mâini, videoclipul creării cărora i-a inspirat pe mulți să modernizeze această idee și să-și ofere viziunea atunci când creează un asistent de căsuță de vară. În continuare, vom lua în considerare una dintre opțiunile interesante și populare.
Pentru a crea un design simplu, dar productiv, veți avea nevoie de un aspirator vechi de lucru, un râșniță Makita de 3,2 kW, cuțite de tuns iarba, o bază stabilă din lemn, o pâlnie de primire și o masă de metal cu o foaie de metal sudată vertical.

Desenarea unei tocătoare pentru fabricarea bricolajului: 1 - rafturi, 2 - bază, 3 - suporturi de rulare, 4 - tăietor de discuri, 5 - pale ventilator, 6 - biți de concasare cu ciocan, 7 - plasă de calibrare, 8 - motor de acționare, 9 - buncăr de alimentare , 10 - prepresor, 11 - carcasă de tocător articulată, 12 - carcasă staționară de tocat, 13 - transmisie cu curea, 14 - scripete, 15 - mecanism de tensionare a curelei
Pâlnia de recepție este montată orizontal pe o foaie de metal vertical sudată pe masă. Această foaie trebuie să fie groasă pentru a ține râșnița atașată cu șuruburi și cuțitele montate pe ea. Dacă scaunul cuțitelor cu trei lame de la mașina de tuns iarba nu este compatibil cu polizorul unghiular, atunci trebuie să le ascuți, astfel încât cuțitele să stea în siguranță. Pentru a preveni blocarea masei zdrobite între cuțite, o țeavă de la un aspirator vechi este atașată la o foaie de metal, care furnizează aer. Este de dorit ca râșnița și aspiratorul să se aprindă în același timp.
Masa metalică este situată pe o bază staționară din lemn. De asemenea, ar trebui instalat un capac de protecție pentru a preveni mișcarea din spate a ramurilor tocate.
O astfel de versiune simplă a unui tocător de grădină cu propriile mâini, videoclipul este o confirmare clară a acestui lucru, poate fi creat cu ușurință la casa dvs., fără etape complicate de lucru și achiziționarea de materiale suplimentare.

Pentru fabricarea unui tocător, puteți utiliza piese de la scule electrice vechi și aparate de uz casnic
Mașină de spălat mașină de tocat
O tocător de grădină poate fi realizată dintr-o mașină de spălat veche. Pentru a face acest lucru, veți avea nevoie de o caroserie și un motor din tehnologie, un ferăstrău vechi, o găleată și alte piese și instrumente pentru fixarea structurii.
O gaură laterală este făcută în corpul unei mașini de spălat vechi pentru evacuarea materialelor reciclate. Cuțitele sunt atașate la fundul recipientului folosind un manșon special, care poate fi realizat din bucăți de ferăstrău vechi. Una existentă, încorporată într-o mașină de spălat veche, este utilizată ca motor. Recipientul de recepție pentru deșeuri mărunțite este instalat lângă deschiderea laterală.
Drill Shredder
O altă invenție elementară este o tocătoare de casă care folosește un burghiu electric. Principiul de funcționare a acestui mecanism seamănă cu un tăietor de legume.

Desenarea unui tocător cu ciocan: 1 - buncăr de încărcare (metal 1 mm), 2 - margine a gâtului buncărului de încărcare (colț 25x25 mm), 3 - amortizor / zăvor (metal 1 mm), 4 - șuruburi M6 pentru șapă (8 buc), 5 - încadrarea orificiului de încărcare în carcasă (colț unghiular egal 25 mm), 6 - știfturi M8 (8 buc), 7 - tambur exterior al carcasei (țeavă 270x6 mm), 8 - stator cu caneluri (țeavă 258x6 mm), 9 - ciocane (metal 3 mm) întărit la HRC 45–47, 72 buc), 10 - șurub cu diametrul de 3 mm (4 buc), 11 - piuliță M20 cu șaibă arc, 12 - ax cu ciocan (cerc cu diametrul de 22 mm, 4 buc), 13 și 14 - curele de conducte (colț unghiular egal 25 mm), 15 și 19 - garnituri de cauciuc grosime 3 mm, 16 - piulițe M8 pentru fixarea flanșei (8 buc), 17 - rotor cu ciocan, 18 - flanșă (5 mm metal, 2 buc), 20 - distanță șaibe (metalice 3 mm, întărite la HRC 45–47, 70 buc.), 21 - fixare, 22 - arbore de acționare
Pentru a crea o structură, trebuie să luați un scaun vechi. Găuriți o gaură de 12 mm. O carcasă cu rulment este atașată la spatele scaunului. O găleată cu o gaură de același diametru este instalată pe scaun și fixată cu șuruburi autofiletante. Un orificiu este introdus în gaură, pe care este instalat un arbore cu cuțite de oțel de mare viteză fixate pe acesta. Un burghiu în două moduri este conectat la capătul arborelui din partea de jos a scaunului printr-un mandrin fără cheie.
Materiile prime moi sunt aruncate în găleată și este pornit un burghiu electric. După măcinarea completă la starea dorită, mulciul este îndepărtat. Acest design este conceput pentru o cantitate mică de deșeuri reciclabile.
Procesul de fabricare și ascuțire a unui cuțit merită o atenție specială. Ascuțiți pe o parte. Planul ascuțit este în partea de jos.Pentru tocat iarba proaspăt tăiată, lama în formă de diamant este ideală, în care puteți rotunji lamele. Acest lucru va permite ierbii să alunece liber peste marginea tăietoare a cuțitului de tocat fără a fi înfășurat în jurul său.

Desenarea unui polizor de mână, pentru care puteți utiliza o acționare de la un burghiu electric: 1 - carcasă, 2 - rulment, 3 - tambur, 4 - cruce, 5 - mâner pentru rotație, 6 - peretele final al corpului, 7 - scut, 8 - tablă de jgheab, 9 - suport, 10 - perete lateral al carcasei
Din opțiunile propuse, putem concluziona că puteți crea un tocător de grădină cu propriile mâini din orice material disponibil. Este suficient să aveți un motor electric adaptat pentru o rețea de 220V, orice container rotund de dimensiuni suficiente, o foaie de oțel, un ferăstrău pentru lemn sau un ferăstrău de la o mașină de tuns iarba veche pentru a crea un mecanism de tăiere.
Subtilități atunci când alegeți un motor pentru o tocătoare
O anumită putere a motorului asigură performanța necesară a tocătorului. Atunci când alegeți un motor, ar trebui să vă ghidați după câteva reguli importante:
- Pentru ramurile mici, alegeți un motor cu o putere de cel puțin 2 kW. Cu cât puterea nominală este mai mare, cu atât este mai mare productivitatea și capacitatea tehnică a tocătorului.
- Pentru zdrobirea deșeurilor moi sub formă de iarbă și frunze, va fi suficient un motor de 1,5 kW.
- Puterea motorului pe benzină nu trebuie să fie mai mică de 6 CP.
- Motoarele care sunt prea puternice peste 3,5 kW nu ar trebui utilizate. Ei consumă multă energie electrică, dar acest lucru nu atinge performanța maximă a unității.
- Viteza motorului nu are o influență mare asupra performanțelor polizorului. Aici este importantă frecvența de rotație a cuțitelor, care este asigurată de transmisia cu curea trapezoidală.
- Pentru tăierea fiabilă a ramurilor, viteza arborelui cuțitului nu trebuie să depășească 1500 rpm. Acest lucru se datorează selecției corecte a diametrelor scripetelor de acționare și acționare.

Când lucrați cu o tocătoare, trebuie să purtați echipament de protecție personală - ochelari și mănuși
Sfat util! Este mai bine să faceți scripete pentru o transmisie cu curea pentru 3-4 fire. Acest lucru vă va permite să schimbați viteza pe arbore prin schimbarea curelei, care este necesară pentru diferite condiții de funcționare a tocătorului.
Principalele avantaje ale tocătorilor de grădină de casă
Un tocător de casă nu necesită prea mult respect pentru sine. Poate fi folosit pentru mai mult decât tocat iarba, frunzele și ramurile. Acesta va recicla perfect orice deșeuri menajere. Poate fi folosit pentru măcinarea fructelor pomilor fructiferi pentru prepararea ulterioară a piureului, gemului sau vinului de casă.
Tocătoarele de casă vor face față ramurilor cu diametrul de până la 100 mm, în timp ce unitățile din fabrică pur și simplu nu vor lăsa să treacă astfel de plante mari. De asemenea, nu este necesar să se monitorizeze conținutul de umiditate al materiilor prime pentru prelucrare. Și pentru tocătoarele din fabrică, o astfel de neglijență este inacceptabilă. Deoarece, în majoritatea modelelor, motorul este situat în partea de jos a structurii, trebuie exclusă posibilitatea ca umezeala să ajungă pe el, ceea ce va duce inevitabil la deteriorări.
Un argument important în favoarea unui dispozitiv de casă este costul întregii structuri, care va fi mult mai mic decât prețul tocătorului finit. Acest lucru se aplică și înlocuirii unei piese eșuate care nu este costisitoare.
În plus, tocătorul de grădină de casă se distinge prin gradul de productivitate. Toate deșeurile de grădină care cad pe tocător sunt procesate instantaneu în așchii fine.
După cum puteți vedea din toate cele de mai sus, puteți crea un asistent de încredere și fidel pentru tăierea gunoiului de grădină cu propriile mâini din materiale reziduale.Este suficient să aveți niște abilități și abilități de lucrări sanitare, să aveți în garaj părți de echipamente vechi, instrumentele și materialele necesare. Mai mult, după ce ați ales cel mai acceptabil mod pentru dvs., schițați cu propriile mâini un desen al unui tocător de ramuri. Videoclipurile diferitelor versiuni ale unui tocător de casă pot fi vizualizate pe Internet. Pe baza desenului, pregătiți toate elementele necesare și începeți asamblarea tocătorului.
Dacă nu sunteți încrezători în propriile abilități, în prezent puteți cumpăra un tocător de ramuri de casă din opțiunile propuse, care va îndeplini toate cerințele și vă va satisface dorințele la un cost accesibil.



















