Máy mài dùng để chỉ một thiết bị mài đặc biệt có ổ điện và đai mài mòn. Một thiết bị như vậy được sử dụng để hoàn thiện bề mặt kim loại, gỗ và polyme. Điều chính cần chú ý khi tự tay lắp ráp máy mài: bản vẽ với kích thước, giai đoạn làm việc, lựa chọn vật liệu phù hợp.
Nội dung
Máy mài đai tự làm: nguyên tắc hoạt động
Một tính năng khác biệt của một thiết bị như vậy là nó có thiết kế đơn giản mà bất cứ ai có thể lặp lại ở nhà. Thành phần của một bộ phận mài như vậy bao gồm một động cơ điện, các con lăn và bản thân một công cụ làm việc - một dây đai có lớp phủ mài mòn. Dải có thể có các kích thước hạt khác nhau. Chỉ số này được chọn phù hợp với mục đích của công cụ.
Khi tự tay mình lắp ráp máy mài tại nhà, bạn nên chuẩn bị và nghiên cứu nguyên lý hoạt động của nó. Khi thiết bị được bật, động cơ sẽ khởi động. Nó có một trục kết hợp với con lăn chính (dẫn động). Con lăn bắt đầu quay quanh trục của nó, tác động thông qua đai mài mòn trên các con lăn thứ cấp (dẫn động).
Việc xay khá đơn giản với máy đã bật. Để làm điều này, bạn cần gắn phôi vào một đai mài mòn chuyển động. Trong quá trình làm việc, cần được hướng dẫn vị trí của dải làm việc.
Máy mài tự làm sẽ cho phép bạn gia công phôi từ các vật liệu khác nhau. Một bộ phận như vậy có khả năng loại bỏ các khuyết tật trên bề mặt kim loại, gỗ và thủy tinh. Sử dụng máy mài, con lăn thường được điều chỉnh, cho phép xử lý các khuyết tật có độ sâu khác nhau.
Cần nhớ rằng khi sử dụng lâu dài, dải chà nhám bị mòn, dẫn đến kéo dài. Trong những đơn vị như vậy, vấn đề này được giải quyết rất đơn giản. Một trong những con lăn của thiết bị có chứa một cơ chế đặc biệt cho phép bạn siết chặt băng. Thông thường, một thiết bị như vậy được lắp đặt trên một con lăn nằm giữa con lăn chính và thứ cấp của thiết bị.
Các tính năng thiết kế máy mài tự làm: ảnh
Nên tính đến tất cả các sắc thái của thiết kế các thiết bị trong nhà máy. Điều này sẽ cho phép bạn tạo máy chà nhám bàn hiệu quả nhất. Thiết bị tiêu chuẩn của loại thiết bị này bao gồm một bàn đỡ. Ngoài mục đích chính, bề mặt này thực hiện một chức năng phụ khác: nó được sử dụng để cố định phôi đang được gia công.
Trong các thiết bị của nhà máy, một chiếc bàn như vậy có thể xoay quanh một trục. Góc xoay thường là 90 °. Điều này làm cho nó có thể mài hai mặt phẳng của phôi (nằm vuông góc) mà không làm thay đổi vị trí của chi tiết được cố định trên bề mặt quay. Khi tự tay mình lắp ráp một chiếc máy mài đơn giản, bạn có thể tạo ra một chiếc bàn tĩnh. Điều này sẽ đơn giản hóa việc lắp ráp, nhưng thiết bị hoàn thiện sẽ có ít chức năng hơn.
Có những chi tiết khác, không kém phần quan trọng được đưa vào thiết kế của những chiếc máy như vậy. Xem xét các yếu tố cấu trúc khác mà bất kỳ máy mài nào được sử dụng để mài phôi làm bằng các vật liệu khác nhau phải có:
- con lăn;
- căn cứ;
- băng keo;
- cơ cấu căng dây;
- tường bảo vệ.
Tất cả những bộ phận này khá đơn giản để làm bằng tay của chính bạn. Máy đánh đai có thể tạo ra bụi hoặc tia lửa trong quá trình hoạt động. Nó phụ thuộc vào vật liệu của bộ phận được xử lý trên một máy như vậy. Bởi vì điều này, các thợ thủ công giàu kinh nghiệm đặc biệt khuyên bạn nên sử dụng kính đặc biệt. Ngoài ra, nên tổ chức một bức tường bảo vệ để sản xuất kính acrylic được sử dụng.
Các thiết bị di động được trang bị thân thép. Giá đỡ máy mài phải có các lỗ để cố định máy vào bề mặt gỗ (bằng bu lông). Khi chọn một băng, điều đáng xem xét là chiều dài của nó phụ thuộc vào sức mạnh của đơn vị (và ngược lại). Chỉ số này càng cao, tương ứng với ổ đĩa càng mạnh.
Cách làm máy mài bằng tay của chính bạn: xây dựng quy tắc
Trước khi bắt đầu thiết kế độc lập bộ phận mài kiểu này, bạn phải nghiên cứu cẩn thận trình tự các hành động và cũng phải tính đến một số quy tắc. Bước đầu tiên và quan trọng nhất là chuẩn bị cho việc lắp ráp máy mài. Xem xét mục này bao gồm những hành động nào.

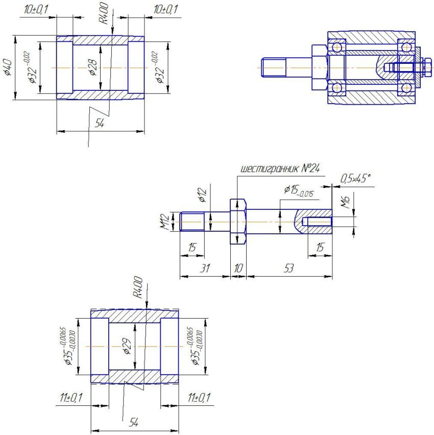
Bản vẽ với các kích thước của máy mài là một tài liệu quan trọng mà hiệu suất và đặc tính kỹ thuật của thiết bị sẽ phụ thuộc vào
Trước hết, bạn nên lên một bản vẽ phù hợp. Cần nhớ rằng mạch phải phù hợp với các điều kiện hoạt động cụ thể. Bạn có thể tự lên bản vẽ. Tùy chọn thứ hai là tải xuống mạch đã hoàn thành từ Internet. Trên các trang web và diễn đàn chuyên ngành, bạn có thể tìm thấy nhiều sửa đổi của các thiết bị như vậy, thiết kế của chúng là phù hợp nhất để lắp ráp tại nhà.
Bản vẽ càng chi tiết càng tốt. Sơ đồ nên mô tả chi tiết tất cả các phần tử cấu trúc riêng lẻ với kích thước của chúng. Bản vẽ với các kích thước là một tài liệu rất quan trọng, trên đó sẽ phụ thuộc vào hiệu suất và các đặc tính kỹ thuật của máy tương lai. Vì vậy, nó là giá trị tiếp cận biên soạn của nó với tất cả sự nghiêm túc.
Bạn có thể độc lập thực hiện các tùy chọn khác nhau cho máy mài mài. Ngoài các thiết bị cố định, có những loại đơn giản hơn (ví dụ: máy mài tự làm từ máy mài). Bạn cũng có thể dễ dàng tìm thấy bản vẽ và video để lắp ráp một thiết bị như vậy trên World Wide Web.
Điểm tiếp theo cần xem xét là chuẩn bị tất cả các bộ phận và công cụ cần thiết để lắp ráp đơn vị. Để thiết kế một máy mài tại nhà, bạn sẽ cần các công cụ sau:
- ghép hình;
- máy khoan;
- Tiếng Bungari.
Ghi chú! Khi lựa chọn công cụ, cần lưu ý rằng thiết kế của máy mài cung cấp cho việc sử dụng các bộ phận kim loại, cũng như quá trình xử lý chúng.
Nhiều bộ phận của thiết bị mài này rất khó đối với người mới bắt đầu chế tạo. Vì vậy, nên nghiên cứu chi tiết các yếu tố cấu trúc khác nhau và tính năng của chúng. Nó cũng sẽ không có hại để làm quen với các bản vẽ và video. Sẽ dễ dàng hơn nhiều để làm một chiếc máy mài bằng tay của chính bạn nếu bạn có thể tham khảo ý kiến của một bậc thầy có chuyên môn, người có thể đưa ra lời khuyên có giá trị về vấn đề này.
Một số yếu tố cấu trúc không thể được tạo ra bằng tay của chính bạn mà không sử dụng thiết bị quay. Bạn không cần phải tự làm công việc này. Để hoàn thành các bộ phận phức tạp, bạn có thể sử dụng dịch vụ của thợ tiện chuyên nghiệp.
Khi chế tạo một máy mài bằng tay của chính bạn, cần phải tính đến một điểm quan trọng hơn. Hiệu quả nhất là các thiết bị có thể xử lý không chỉ bề mặt ngang mà còn cả bề mặt thẳng đứng. Các chuyên gia khuyên bạn nên chọn bản vẽ cho phép bạn mài phôi ở nhiều góc độ khác nhau.
Máy mài tự làm: bản vẽ chiều các nguyên tố cấu trúc
Việc xây dựng một đề án thích hợp là bước chuẩn bị quan trọng nhất. Bản vẽ có thể được đặt hàng từ một nghệ nhân có trình độ. Trong trường hợp này, nó sẽ chính xác nhất có thể và có thể tạo ra thiết bị có tuổi thọ hơn một năm.
Làm thế nào để tạo ra một máy mài tự làm? Bản vẽ, video cũng như ảnh chụp máy mài ở các giai đoạn lắp ráp khác nhau - tất cả những điều này giúp bạn có thể thực hiện một cách độc lập một thiết bị chất lượng cao.
Tùy chọn thứ hai là tải xuống sơ đồ từ World Wide Web. Trong trường hợp này, cần biết rằng một số bản vẽ nằm trên Internet không hiệu quả. Vì vậy, trước khi tải xuống sơ đồ này hoặc sơ đồ kia, nên đọc đánh giá của những người thực đã sử dụng nó để lắp ráp thiết bị mài đai.
Cũng nên so sánh sơ đồ được vẽ độc lập với các bản vẽ khác với kích thước của máy mài tự làm. Video có chủ đề liên quan cho phép bạn nhanh chóng hiểu tất cả các sắc thái của việc tạo ra một đơn vị như vậy. Có rất nhiều người trong số họ trên Internet.
Sơ đồ phải chính xác và chứa các bản phác thảo của tất cả các yếu tố cấu trúc của kết cấu. Kích thước của các bộ phận riêng lẻ được chỉ ra một cách rõ ràng. Và, cuối cùng, kế hoạch làm sẵn có thể được đăng trên diễn đàn hồ sơ và hỏi về những điểm không chính xác trong nó. Có thể là trong trường hợp này sẽ có thể nhận được những lời khuyên có giá trị về cách cải thiện nó.
Máy mài máy tự chế tự làm: chọn đúng ổ đĩa
Trước khi tiến hành lắp ráp bộ phận mài như vậy, cần phải chuẩn bị một động cơ phù hợp. Thông thường, một ổ đĩa được sử dụng cho những mục đích này, công suất của nó ít nhất là 1 kW. Có một số yếu tố cần xem xét khi chọn động cơ. Chúng ta hãy xem xét chúng chi tiết hơn.
Trước hết, bạn cần hiểu rằng các thiết bị hoạt động trên một mạng tiêu chuẩn phù hợp để sử dụng trong gia đình. Điện áp trong mạng như vậy theo truyền thống là 220 V. Điện áp cao hơn cần thiết để sử dụng thiết bị chuyên nghiệp, được tìm thấy trong các doanh nghiệp nhỏ, nhưng không phải đối với thiết bị làm bằng tay. Máy mài máy mài phải được tạo ra phù hợp với một bản vẽ đã chuẩn bị trước đó.
Một điểm quan trọng nữa là số vòng quay của ổ. Độ chính xác của quá trình gia công phôi phụ thuộc vào thông số này. Một mẫu nhất định có thể được truy tìm ở đây. Công suất động cơ càng cao thì càng tạo ra được nhiều vòng quay.
Tùy chọn truyền động phù hợp nhất bao gồm các lưỡi dao đặc biệt trong thiết kế của nó. Chức năng của chúng là trung hòa hiện tượng quá nhiệt xảy ra trong quá trình hoạt động của động cơ. Một thiết bị như vậy có thể dễ dàng tự chế tạo tại xưởng tại nhà.
Thông thường, một động cơ đơn giản từ máy giặt được sử dụng để lắp ráp thiết bị mài như vậy. Máy mài do-it-yourself loại này đáp ứng đầy đủ tất cả các yêu cầu vận hành và được sử dụng để gia công các phôi nhỏ làm bằng kim loại, gỗ và cả nhựa.
Các tính năng của việc chế tạo máy mài từ máy giặt bằng tay của chính bạn
Công suất động cơ được chọn tùy thuộc vào kích thước của các phần tử kết cấu khác. Trước hết, điều này liên quan đến kích thước của ròng rọc chính (hàng đầu). Nếu kích thước của phần tử này là 150 mm tiêu chuẩn, thì bạn cần một động cơ có công suất cho phép bạn cung cấp lên đến 3000 vòng / phút.
Tất nhiên, bạn có thể mua một động cơ làm sẵn, nhưng sẽ mất thêm tiền. Lựa chọn tốt nhất để lắp ráp tại nhà là sử dụng động cơ máy giặt không cần thiết. Máy mài dựa trên một thiết bị như vậy chắc chắn không thể so sánh với máy trong nhà máy, nhưng nó khá phù hợp cho công việc hàng ngày đơn giản.
Động cơ được tháo dỡ từ máy giặt tự động cũ, có công suất thấp (dưới 300 W). Nó được phân biệt bởi độ tin cậy tốt và hoạt động khiêm tốn. Sự phổ biến của việc chỉ sử dụng một ổ đĩa như vậy là do nó được sử dụng rộng rãi.
Bài viết liên quan:
Bộ truyền động từ máy giặt phải được đưa vào bản vẽ sơ bộ. Máy mài tự làm tại nhà cần có động cơ có trục đầu ra. Trong trường hợp này, trục có một kết nối ren, thiết kế của nó giúp dễ dàng lắp ráp với ròng rọc.
Ghi chú!Đối với việc lắp ráp các bộ phận mài, động cơ không chỉ phù hợp với các máy tự động cũ mà còn cả các bộ truyền động thế hệ mới. Khi sử dụng các thiết bị thuộc loại thứ hai, cần nhớ rằng chúng cần một thiết bị điều chỉnh số vòng quay. Điều này là do thực tế là tốc độ quay tối đa của các ổ đĩa như vậy có thể đạt đến 18 nghìn vòng / phút.
Các ổ đĩa thế hệ mới có một nhược điểm đáng kể. Với việc sử dụng tích cực các thiết bị mài, chổi động cơ bị mài mòn khá nhanh.
Khi thiết kế một máy mài bằng tay của chính bạn từ động cơ từ máy giặt, bạn cũng phải tính đến việc truyền động như vậy là phù hợp nhất cho một đơn vị nhỏ. Do đó, nên chọn trước kích thước tối ưu của các con lăn dẫn đầu và thứ cấp.
Làm con lăn máy mài bằng tay của chính bạn: bản vẽ
Việc thiết kế con lăn cho loại máy mài này là một công đoạn nghiêm túc, đòi hỏi sự cẩn thận và chính xác. Một trong những yếu tố quan trọng nhất của máy mài là trục lăn chính. Cần phải nhớ rằng kích thước của nó phải lớn hơn kích thước của các con lăn còn lại.
Không phải ngẫu nhiên mà con lăn đầu đàn lại có đặc điểm hình học như vậy. Kích thước này cho phép bạn tránh hiện tượng giật không mong muốn xảy ra trong quá trình khởi động mô-men xoắn. Cũng cần hiểu rằng để sản xuất phần kết cấu này, trong mọi trường hợp không được sử dụng vật liệu có khối lượng lớn. Những vật liệu đó bao gồm:
- Thép;
- gang thép.
Trước khi bắt đầu tạo video, bạn cần chuẩn bị các bản vẽ có kích thước tương ứng. Máy mài đai bằng tay của bạn nên có các con lăn nhỏ nhẹ và tiện lợi. Điều này thường đủ để thực hiện công việc chà nhám đơn giản.

Khi tự lắp ráp máy mài, điều quan trọng là phải bố trí các trục lăn vuông góc với nhau để tránh biến dạng dây đai
Để giảm trọng lượng của con lăn truyền động, có thể thiết kế một miếng thép có lỗ khoét. Có những sách tham khảo đặc biệt cho phép bạn thực hiện các phép tính cần thiết cho quy trình này.
Lựa chọn thứ hai, thường được sử dụng bởi các thợ thủ công tại nhà, là sử dụng duralumin. Vật liệu này nhẹ và lý tưởng cho mục đích này. Nó chứa các tạp chất của đồng và magiê, giúp tăng độ bền của hợp kim. Để lắp ráp máy xay, thông thường sử dụng duralumin cấp D16 trở lên.
Làm thế nào để tự làm con lăn cho máy mài? Các chuyên gia khuyên bạn nên tạo một rãnh trên ròng rọc nằm ở cuối. Kích thước của nó được lựa chọn có tính đến kích thước của đai mài mòn sẽ được sử dụng trong máy. Biện pháp này nhằm ngăn chặn sự trượt của băng trong quá trình vận hành thiết bị. Nên thực hiện thao tác tương tự với các con lăn còn lại.
Độ nhám của con lăn rất quan trọng. Bề mặt của các con lăn có thể có các mức độ nhám khác nhau. Khi lắp ráp máy mài, nên sử dụng các con lăn trong đó chỉ số này nằm trong khoảng từ 1,25 đến 2,5. Có thể dễ dàng tìm thấy một bảng chứa thông tin về mức độ thô ráp của các bộ phận trên Internet. Ròng rọc máy mài tự làm được gắn trên thiết bị bằng các cụm ổ trục.
Trong trường hợp này, các ổ trục kiểu kín được sử dụng, có vòng ngoài tĩnh và được phân loại là tự căn chỉnh. Việc lắp đặt các bộ phận này giúp loại bỏ khả năng mài mòn hoặc bất kỳ hạt lạ nào khác bám vào trục con lăn.
Khi lựa chọn vòng bi, bắt buộc phải tính đến các thông số vòng bi của chúng. Các chỉ số này xác định mức độ tải mà bộ phận có thể chịu được. Số vòng quay của tổ máy càng cao thì ổ trục càng phải đảm bảo. Không nên để sai lệch so với các bản vẽ kích thước trong quá trình làm việc. Máy mài đai được chế tạo phù hợp với sơ đồ sẽ có hiệu suất cao hơn cũng như tuổi thọ dài hơn.
Làm thế nào để sửa video trong thiết bị? Cách đơn giản nhất tại nhà là sử dụng các chốt cotter tiêu chuẩn để cố định trục lăn. Một tùy chọn lắp khác là sử dụng một vai (ở một đầu của trục).
Các đặc điểm cần đáp ứng của dây đai cho bộ phận mài
Việc lựa chọn dải mài mòn là một bước quan trọng trong quá trình lắp ráp máy mài mini bằng tay của chính bạn. Trước hết, bạn cần quyết định chiều dài của băng và chiều rộng của nó. Các thông số hình học của dải bị ảnh hưởng bởi hai yếu tố chính:
- kích thước máy mài;
- mục đích của đơn vị.
Đai mài mòn vô tận cũng được phân thành các loại dựa trên kích thước hạt. Chiều dài của các dải chà nhám có thể khác nhau (từ 610 đến 1830 mm). Các băng như vậy có chiều rộng 50 hoặc 100 mm. Tùy chọn đầu tiên thường được tìm thấy ở các đơn vị lắp ráp bằng tay tại nhà.
Một dải mài mòn chất lượng cao nhất thiết phải có lớp vải đàn hồi. Khi chọn dụng cụ phù hợp, bạn cũng cần chú ý đến việc dải có thể chịu được bao nhiêu vòng quay. Bạn nên mua các sản phẩm có khả năng hoạt động ở tốc độ 1500 vòng / phút. Tùy chọn này phù hợp nhất để chế tạo máy mài đai tự làm. Bản vẽ được vẽ trước đó phải chứa thông tin về kích thước của dải mài mòn và các đặc điểm khác của nó.
Một dây đai tốt phải có khả năng chống mài mòn cao. Khả năng chống mòn của băng phụ thuộc vào chỉ số này. Đối với các thiết bị tự chế tạo, nên sử dụng dây đai, chiều dài không quá 123 cm. Dải mài mòn không chỉ có khả năng chống mài mòn mà còn có khả năng chống chịu tốt với nhiệt độ cao sinh ra trong quá trình ma sát với phôi trong quá trình vận hành.
Cần lưu ý rằng thắt lưng ngắn dễ bị mòn hơn nhiều so với thắt lưng dài. Các chuyên gia khuyên nên chú ý đến những bức tranh có hình ảnh của thành phẩm. Hình ảnh của các thiết bị cho phép bạn trả lời câu hỏi làm thế nào để tạo ra một máy mài bằng tay của chính bạn. Bản vẽ của một thiết bị có thể được đơn giản hóa rất nhiều nếu các phần tử làm sẵn được mua riêng được sử dụng trong quá trình lắp ráp của nó.
Cuối cùng, phải đặc biệt chú ý đến vị trí liên kết của đai mài. Mối nối của hai đầu dải phải càng gọn gàng càng tốt, không có bất kỳ khuyết tật hoặc lồi lõm nào.
Cách tự dán đai cho bộ mài
Máy đánh đai có chứa một lò xo, có chức năng rất quan trọng: nó siết chặt dây đai bị chùng do mòn. Dây đai được thay đổi nhiều lần, ngay cả khi gia công một phôi nhỏ. Điều này cần được ghi nhớ.
Khi tự tay mình lắp ráp máy mài từ ván ép hoặc kim loại, bạn có thể tự tạo dải mài mòn. Dán băng keo như vậy là một công việc phức tạp không thể chấp nhận được những sai sót. Có nhiều lời khuyên trên Internet về cách dán băng keo đúng cách, nhưng nhiều mẹo trong số đó không chính xác.
Quy trình dán như sau. Đầu tiên, bạn cần chọn chất liệu nhám làm từ vải. Sau đó, nó là giá trị chuẩn bị cả hai đầu của dải mài mòn. Đối với điều này, chúng được làm sạch. Đường may trên dải được thực hiện độc quyền bằng phương pháp "nối mông". Các chuyên gia chắc chắn khuyên bạn nên gia cố băng dính từ bên trong bằng một dải vải dày đặc, được cố định bằng chất kết dính đặc biệt.
Ghi chú! Không có trường hợp nào bạn nên sử dụng keo Moment để dán băng keo.
Để kết nối các đầu của dải mài mòn, bạn cần mua một chất kết dính đặc biệt. Lựa chọn tốt nhất là sử dụng chất kết dính đàn hồi. Đồng thời, không đáng để tiết kiệm, vì theo quy luật, quỹ rẻ không có chất lượng tốt.
Trước khi bắt đầu dán, hãy chuẩn bị một dải băng nhám. Một máy mài tự làm (từ vật liệu phế liệu) cần một dải mài mòn đáng tin cậy, điều này rất khó thực hiện tại nhà. Quá trình được thực hiện bằng cách sử dụng một thanh keo, được cài đặt trên súng nhiệt. Đầu tiên, chế phẩm được làm nóng. Để làm điều này, bạn có thể sử dụng một máy sấy tóc thông thường, có trong mọi gia đình.
Máy mài tự chế: bản vẽ kích thước bàn quay và mẹo lắp ráp
Ở nhà, bạn có thể thiết kế cả một phiên bản máy đơn giản và một thiết bị chức năng hơn. Để mở rộng phụ kiện của thiết bị và đảm bảo sự thuận tiện trong công việc, một bàn đỡ kiểu quay được sản xuất. Bề mặt này được lắp trên mặt của ròng rọc lớn nhất.
Những lợi thế của việc sử dụng một bàn xoay là rõ ràng. Trước hết, điều này sẽ cho phép cố định bộ phận ở một vị trí nhất định, điều này sẽ đơn giản hóa quá trình xử lý của nó. Khi tự tay lắp ráp máy mài quay, bạn nên xem xét khả năng thay đổi hướng của dải mài mòn. Emery nhất thiết phải di chuyển theo hướng mà bề mặt làm việc đã được triển khai.
Bàn phải được trang bị bộ phận cố định có thể di chuyển được - giá đỡ. Trong phần này, cần thực hiện chức năng quay quanh trục hoành theo các góc cố định.
Thông thường, đối với các máy đơn giản được tạo ra ở nhà, một bàn làm bằng duralumin được sử dụng. Cũng có sẵn bằng gỗ. Bản vẽ của máy được chuẩn bị phù hợp với các tính năng thiết kế của nó. Độ dày của bề mặt để sản xuất duralumin được sử dụng phải ít nhất là 15 mm. Điều này rất quan trọng vì bàn mỏng hơn có thể không chịu được khối lượng công việc.
Chức năng của mặt phẳng kẹp trong trường hợp này được thực hiện bởi khung đơn vị. Đối với điều này, nó là cần thiết để chuẩn bị khung. Chỉ cần mài một trong các bề mặt của khung - bề mặt nằm ở giai đoạn là đủ.
Tự làm máy mài tại nhà từ máy khoan: các tính năng lắp ráp
Một thiết bị mài như vậy có thể được chế tạo theo cách đơn giản hơn. Tất nhiên, lắp ráp một bộ phận cố định được thiết kế để gắn trên bàn là lựa chọn tốt nhất để mài các bộ phận khác nhau thường xuyên. Có các tùy chọn khác, ít phức tạp hơn để tạo thiết bị mài bằng tay của chính bạn.
Nếu muốn, bạn có thể tự tay mình chế tạo một chiếc máy mài từ máy mài hoặc từ máy khoan. Máy khoan là một công cụ điện, do đó, bạn phải tuân theo các quy tắc an toàn khi làm việc với một thiết bị như vậy.
Nhu cầu gia công kim loại, cũng như phôi gỗ phát sinh trong cuộc sống hàng ngày. Mua một đơn vị nhà máy cho khối lượng công việc nhỏ không phải là giải pháp tốt nhất. Cách dễ nhất để làm một chiếc máy mài đơn giản là sử dụng một chiếc máy khoan.
Thông thường, các vật liệu phế liệu như gỗ, nhựa, ván ép được sử dụng để lắp ráp bộ phận mài như vậy. Trước khi bắt đầu công việc, nên chuẩn bị sơ đồ vòi phun, sơ đồ này sẽ cho phép bạn tự chế tạo máy mài. Các video về chủ đề này cũng được các chuyên gia khuyên bạn nên xem, vì chúng bao gồm tất cả các sắc thái liên quan đến việc lắp ráp.
Cần phải nói rằng khi làm việc với các phôi nhỏ làm bằng nhựa và gỗ, máy mài này thực tế không tệ hơn thiết bị tĩnh.
Một ưu điểm khác của giải pháp này là các mẫu máy khoan hiện đại có một bộ điều khiển đặc biệt. Chức năng của nó là điều chỉnh tốc độ ổ đĩa. Tính đơn giản trong xây dựng và hiệu quả cao được phản ánh trong sự phổ biến của một giải pháp như vậy.
Tự làm máy mài tại nhà: video và hướng dẫn lắp ráp từ máy mài
Một máy mài cố định để sử dụng tại nhà theo mục đích của nó giống như một thiết bị được làm từ máy khoan. Các thiết bị dựa trên máy mài góc hay còn được gọi là máy mài có những đặc điểm riêng.Đặc điểm phân biệt chính của máy mài là truyền động của chúng có tốc độ quay cao.
Vì vậy, để sản xuất máy mài từ máy mài, có thể cần phải có thiết bị để điều khiển tốc độ truyền động. Máy mài góc thường được dùng làm dũa điện tử. Đối với điều này, có các phụ kiện mài đai đặc biệt được bán, cụ thể là:
- hẹp;
- Dài.
Những phần đính kèm như vậy khá phổ biến trong giới thợ thủ công. Với sự giúp đỡ của họ, bạn có thể dễ dàng xử lý những nơi khó tiếp cận khác nhau (ví dụ: lỗ). Tự tay làm một chiếc máy mài từ máy mài không khó. Để làm được điều này, cần phải thiết kế độc lập vòi phun mài mòn, dựa trên băng có kích thước yêu cầu. Tuy nhiên, việc mua một công cụ làm sẵn sẽ dễ dàng hơn nhiều.
Sự khác biệt về cấu trúc chính của máy mài góc so với các thiết bị khác hoạt động từ nguồn điện là vị trí của trục đầu ra của máy mài. Yếu tố này được triển khai ở các góc vuông với cơ thể. Do đó, thiết kế này rất tiện lợi và tạo điều kiện dễ dàng giữ lại con lăn truyền động và vải mài.
Vì vậy, một vòi phun như vậy không khó để làm bằng tay của chính bạn. Hình vẽ máy mài từ máy mài bạn có thể tham khảo trên một trong những diễn đàn chuyên về chủ đề này. Loại công cụ này khá thoải mái khi sử dụng. Phần thân kéo dài của phần đính kèm tạo điều kiện cho nhiều loại công việc mài khác nhau.

Những chiếc máy xay từ máy mài thường xuất hiện trong cuộc sống hàng ngày của những người thợ thủ công tại gia, vì bản thân nó đã là một chiếc máy xay mini
Làm một chiếc máy xay đơn giản tại nhà không phải là một việc khó nếu bạn tiếp cận vấn đề một cách thành thạo. Tất nhiên, bạn có thể tự tay thiết kế nhiều thiết bị chức năng hơn, nhưng công việc như vậy đòi hỏi nhiều thời gian, vật liệu và công sức hơn. Việc lựa chọn một bản vẽ phù hợp phải được thực hiện tập trung vào nhu cầu cá nhân.






















